GM Service Manual Online
For 1990-2009 cars only
Makes
🢒
Chevrolet
🢒
1998
🢒
Chevrolet C-Series Medium Duty Truck B7
🢒
Body and Accessories
🢒
Wiring Systems
🢒 Data Link Connector Schematics
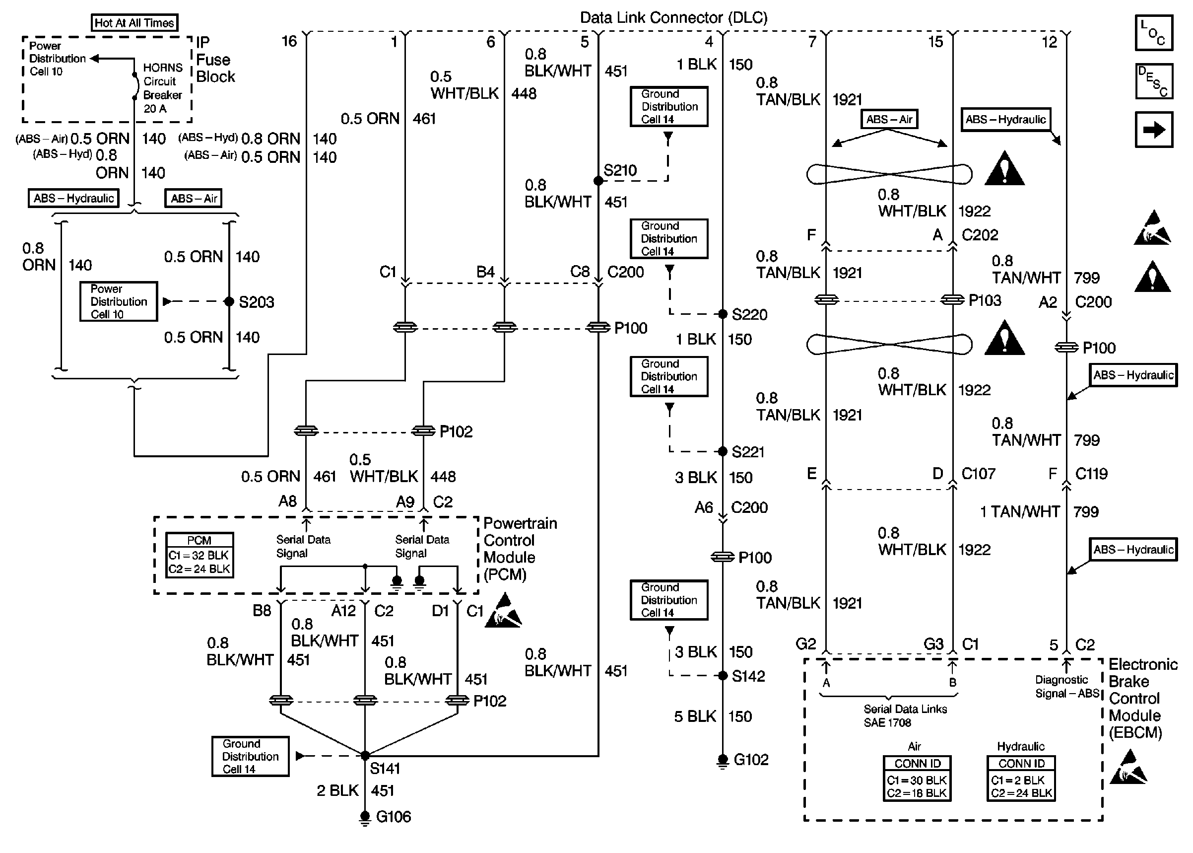
Figure
1:
Cell 50: Gasoline Engine
Data Link Communications Components
Data Link Connector Circuit Description All engines
Cell 50: Cat© Diesel Engine
Handling ESD Sensitive Parts Notice
Data Link Communications Schematic Icons
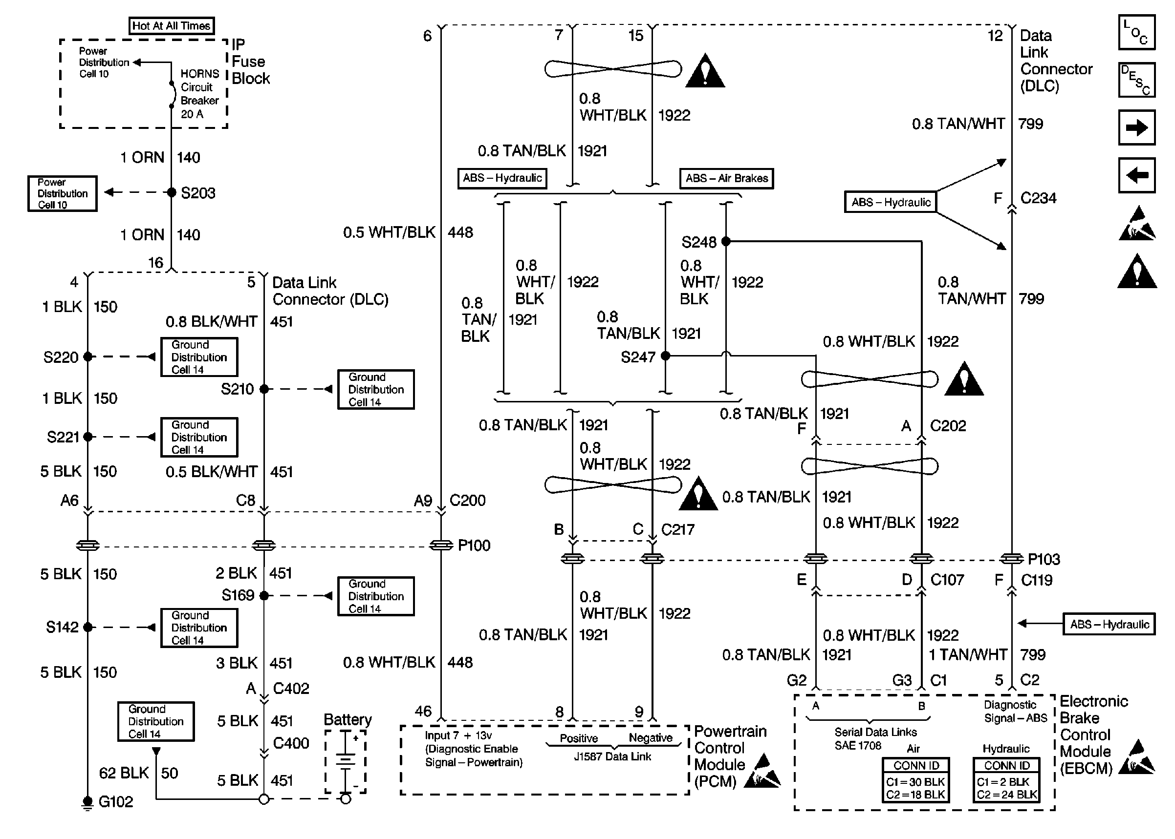
Figure
2:
Cell 50: Cat© Diesel Engine
Data Link Communications Components
Data Link Connector Circuit Description All engines
Cell 50: GM Diesel
Cell 50: Gasoline Engine
Handling ESD Sensitive Parts Notice
Data Link Communications Schematic Icons
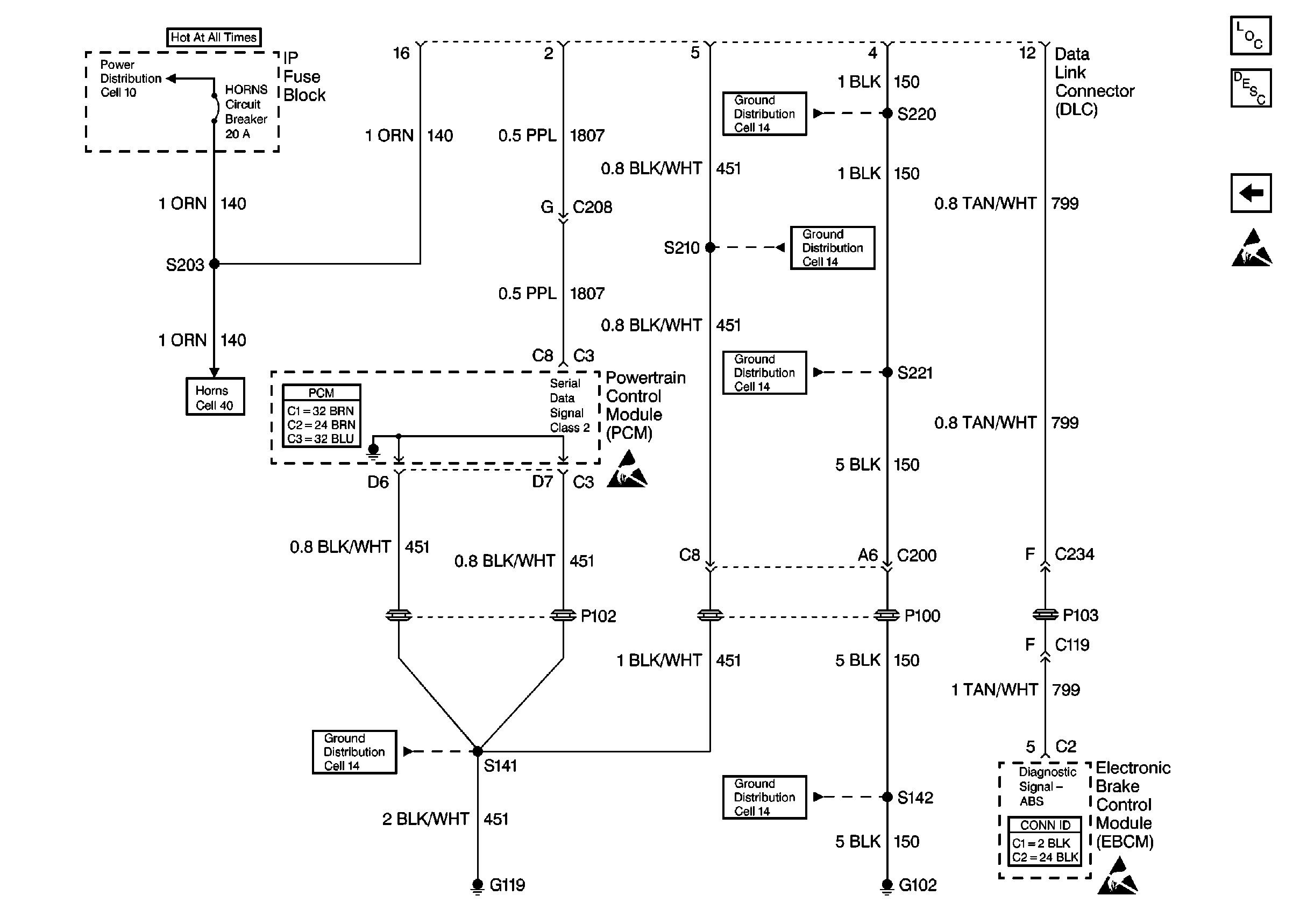
Figure
3:
Cell 50: GM Diesel
Data Link Communications Components
Data Link Connector Circuit Description All engines
Cell 50: Cat© Diesel Engine
Handling ESD Sensitive Parts Notice
Data Link Communications Schematic Icons