GM Service Manual Online
For 1990-2009 cars only
Makes
🢒
Chevrolet
🢒
1998
🢒
Chevrolet C-Series Medium Duty Truck B7
🢒 Cell 22: Fuel Controls
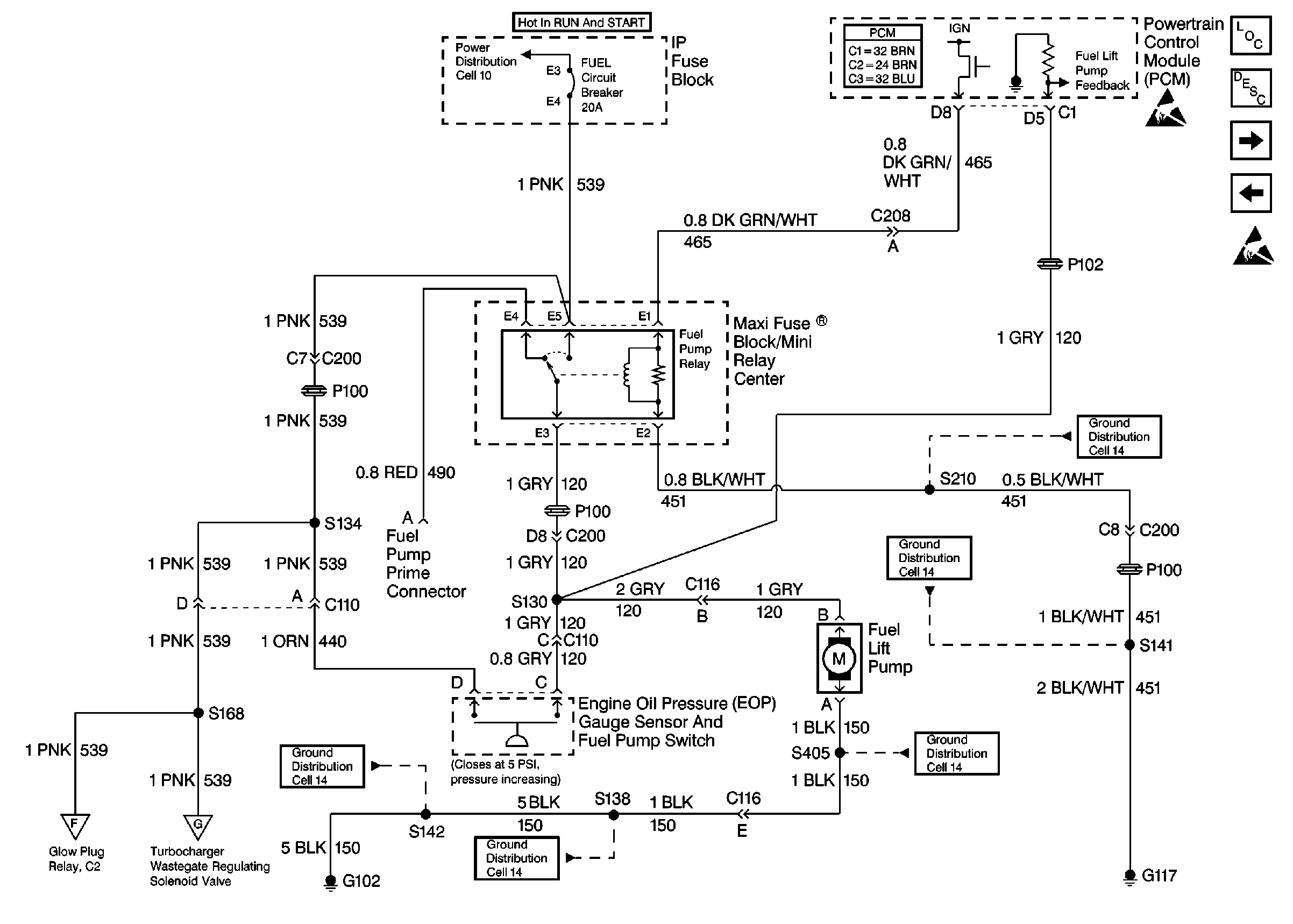
Cell 22: Fuel Controls
Cell 22: Fuel Controls
Engine Controls Components
Cell 22: Fuel Heaters and Water-In-Fuel Sensors
Cell 22: Crankshaft Position (CKP) Sensor, Electronic Fuel InjectiOn Pump and Powertrain Control Module
Handling ESD Sensitive Parts Notice