GM Service Manual Online
For 1990-2009 cars only
Makes
🢒
Chevrolet
🢒
1998
🢒
Chevrolet C-Series Medium Duty Truck B7
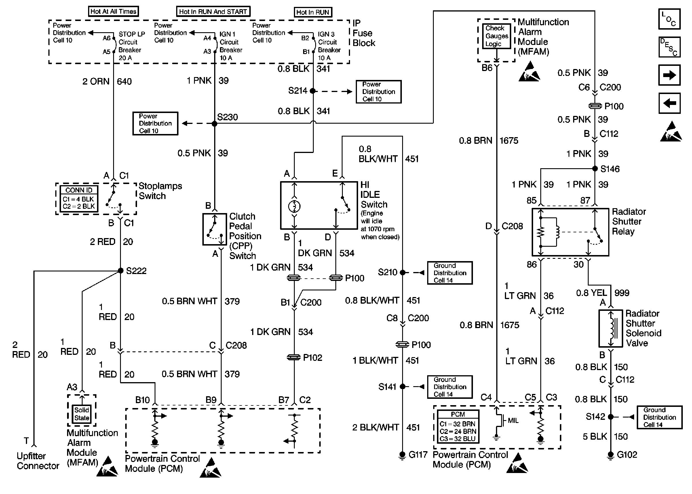
🢒 Cell 22: Clutch, Brake, HI IDLE and Radiator Shutter Controls
Cell 22: Clutch, Brake, HI IDLE and Radiator Shutter Controls
Cell 22: Clutch, Brake, HI IDLE and Radiator Shutter Controls
Engine Controls Components
Cell 22: Automatic Transmission (A/T) Controls
Cell 22: Accelerator Pedal and Powertrain Control Module
Handling ESD Sensitive Parts Notice