GM Service Manual Online
For 1990-2009 cars only
Makes
🢒
Chevrolet
🢒
1998
🢒
Chevrolet C-Series Medium Duty Truck B7
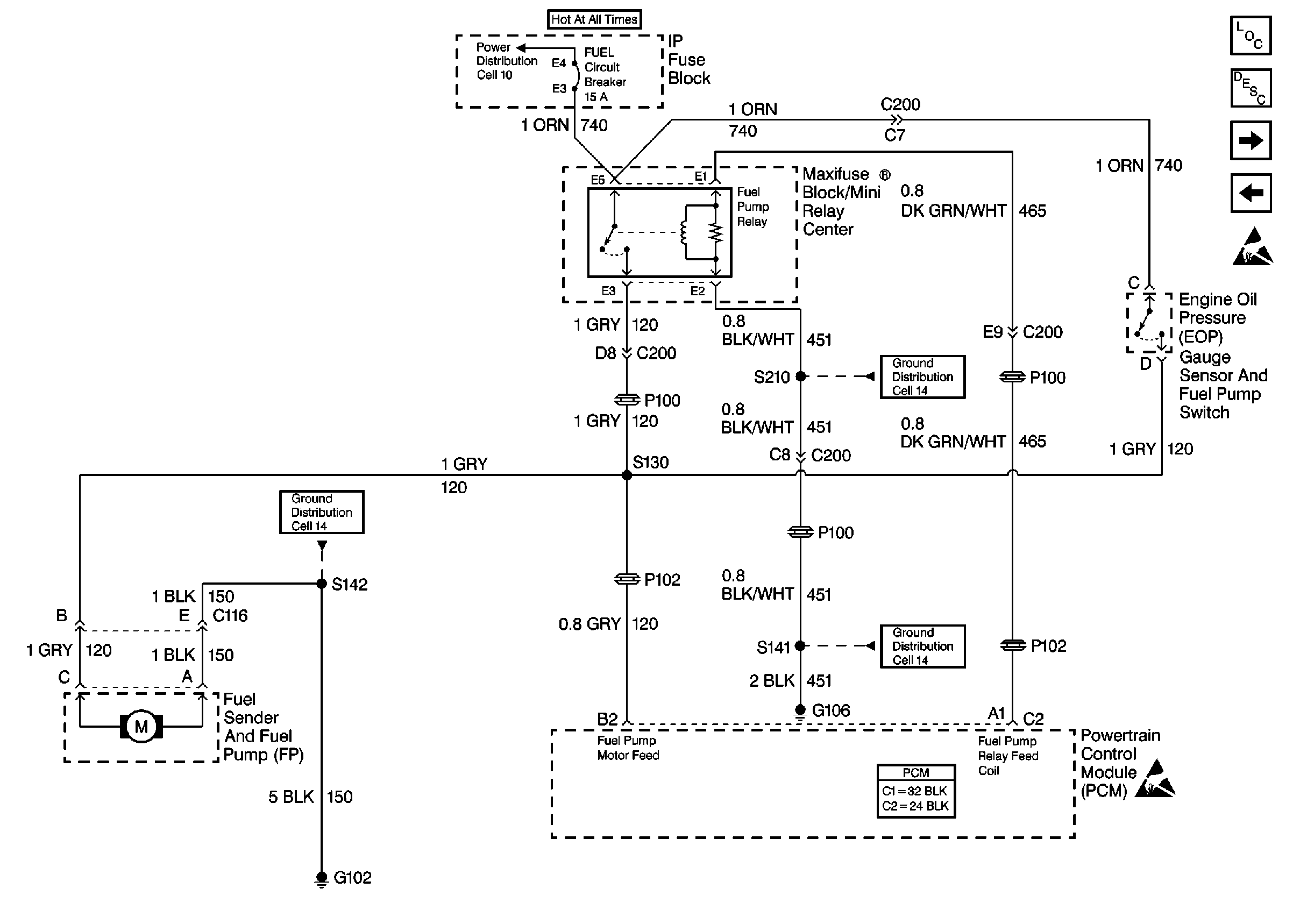
🢒 Cell 20: EOP Gauge Sensor, Fuel Pump and Relay and PCM
Cell 20: EOP Gauge Sensor, Fuel Pump and Relay and PCM
Cell 20: EOP Gauge Sensor, Fuel Pump and Relay and PCM
Engine Controls Components
Cell 20: ECT Gauge and Sensor, MAP, O2 and TP Sensors, PCM
Cell 20: Engine Speed Governor Module and Motor, Fuel Injectors, IGN Relay and PCM
Handling ESD Sensitive Parts Notice