GM Service Manual Online
For 1990-2009 cars only

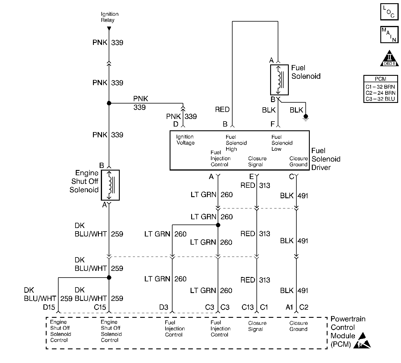
Object Number: 350889  Size: LF
Engine Controls Components
Cell 22: Electronic Fuel Injection Pump and Powertrain Control Module
OBD II Symbol Description Notice
Handling ESD Sensitive Parts Notice

Circuit Description

The injection pump fuel supply line has a solenoid controlled shutoff which is located in the injection pump. When the solenoid is energized (key in the run position), the valve is open and the fuel is supplied to the injection pump. By providing a ground path, the PCM energizes the solenoid.

Conditions for Setting the DTC

    • The PCM requested ESO ON.
    • The control circuit voltage at the PCM is greater than 8 volts.
    • The conditions met for 2 seconds.

or

    • The PCM requested the ESO OFF.
    • The control circuit voltage at the PCM is less than 8 volts.
    • The conditions met for 2 seconds.

Action Taken When the DTC Sets

    • The PCM will not illuminate the Malfunction Indicator Lamp (MIL).
    • The PCM records the operating conditions at the time the diagnostic fails. This information stores in the Failure Records.

Conditions for Clearing the MIL/DTC

    • A History DTC will clear after forty consecutive warm-up cycles during which the diagnostic does not fail (coolant temperature has risen 5°C (40°F) from the start up coolant temperature and the engine coolant temperature exceeds 71°C (160°F) of that same ignition cycle).
    • Use of a scan tool will clear the DTC.

Diagnostic Aids

An open in the control circuit or the ignition feed circuit will cause a P0215. Also a no start condition will exist. The scan tool has the ability to turn the engine shutoff solenoid ON and OFF. This can be used as a quick operational check.

Test Description

Number(s) below refer to the step number(s) on the Diagnostic Table.

  1. This step will check the ESO control circuit for an open.

  2. After repairing the circuit for a short to voltage, check the solenoid for proper operation.

Step

Action

Value(s)

Yes

No

1

Important: Before clearing any DTCs, use the scan tool Capture Info to save freeze frame and failure records for reference, as the scan tool loses data when using the Clear Info function.

Was the Powertrain On-Board Diagnostic (OBD) System Check performed?

--

Go to Step 2

Go to Powertrain On Board Diagnostic (OBD) System Check

2

  1. Turn the ignition OFF.
  2. Disconnect the ESO harness electrical connector.
  3. Ignition ON, engine OFF.
  4. With a test light connected to chassis ground, probe the ESO ignition feed circuit at the engine harness connector.

Is the test light ON?

--

Go to Step 3

Go to Step 6

3

  1. Turn the ignition OFF.
  2. With a test light, jumper the ESO engine harness terminals together.
  3. Turn the ignition ON leaving the engine OFF.

Is the test light ON?

--

Go to Step 4

Go to Step 7

4

  1. Turn the ignition ON leaving the engine OFF.
  2. With a test light connected to B+, probe the ESO control circuit.
  3. With the scan tool, command the ESO solenoid ON and OFF.

Does the test light turn ON and OFF with each command?

--

Go to Step 5

Go to Step 8

5

Check the ESO harness for a poor connection and replace the terminals if necessary.

Did any terminal require replacement?

--

Go to Step 13

Go to Step 11

6

  1. Check the ESO ignition feed circuit for:
  2. • An open wire
    • An open fuse
  3. Repair the problem as necessary.

Is the action complete?

--

Go to Step 13

--

7

  1. Turn the ignition ON leaving the engine OFF.
  2. With a test light connected to ground, probe the ESO control circuit at the ESO harness connector.

Is the test light ON?

--

Go to Step 10

Go to Step 9

8

Repair the short to ground on the ESO control circuit.

Is the action complete?

--

Go to Step 13

--

9

  1. Check the ESO control circuit for the following conditions:
  2. • An open wire
    • Proper connection at the PCM
  3. If the ESO control circuit problem was found, repair it as necessary.

Is the action complete?

--

Go to Step 13

Go to Step 12

10

  1. Check the ESO control circuit for a short to voltage.
  2. If an ESO control circuit problem was found, repair it as necessary.

Is the action complete?

--

Go to Step 13

Go to Step 12

11

Important: The new injection pump must be timed. Refer to Fuel Injection Pump Timing Adjustment .

Replace the fuel injection pump. Refer to Fuel Injection Pump Replacement

Is the action complete?

--

Go to Step 13

--

12

Important: The new PCM must be programmed. Refer to Powertrain Control Module Replacement/Programming

Replace the PCM.

Is the action complete?

--

Go to Step 13

--

13

  1. Using the scan tool, clear the DTCs.
  2. Start engine and idle at normal operating temperature.
  3. Select DTC, Specific, then enter the DTC number which was set.
  4. Operate the vehicle, within the Conditions for Setting this DTC, until the scan tool indicates the diagnostic Ran.

Does the scan tool indicate the diagnostic Passed?

--

Go to Step 14

Go to Step 2

14

Does the scan tool display any additional undiagnosed DTCs?

--

Go to the Applicable DTC Table

System OK