GM Service Manual Online
For 1990-2009 cars only

Refer to mechanization

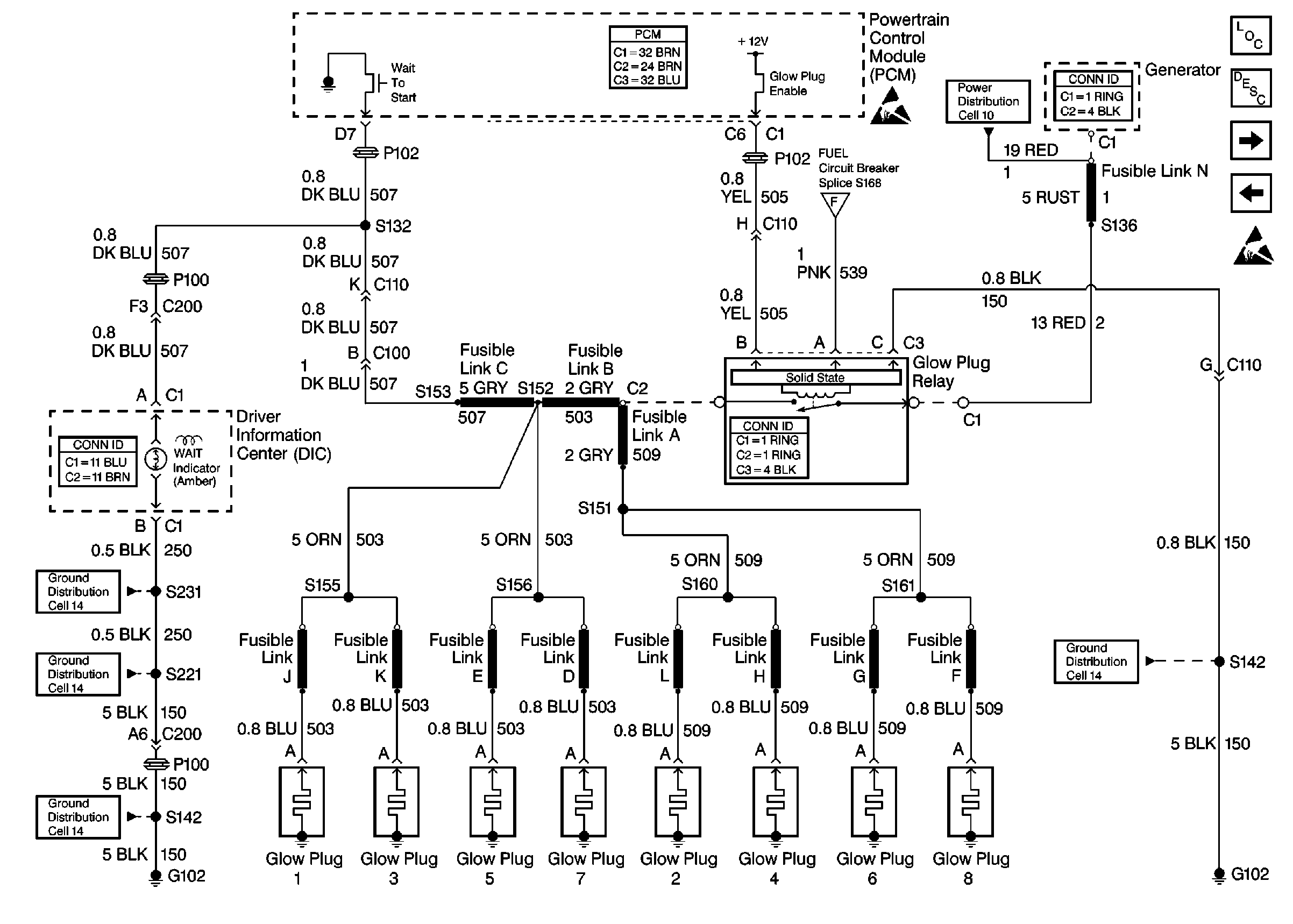
Cell 22: Glow Plugs, Glow Plug Relay and WAIT Indicator Circuits


Object Number: 244512  Size: FS
Engine Controls Components
Cell 22: Crankshaft Position (CKP) Sensor, Electronic Fuel InjectiOn Pump and Powertrain Control Module
Cell 22: Power
Handling ESD Sensitive Parts Notice

Circuit Description

The glow plug system is used in order to assist in providing the heat required to begin combustion during cold engine temperatures. The glow plugs are heated before and during cranking, as well as initial engine operation. The PCM controls the glow plug ON times by monitoring the coolant temperatures and the glow plug voltage.

Conditions for Setting the DTC

The PCM has commanded the glow plugs ON and the voltage at the glow plugs is less than 4.0 volts.

or

The PCM has commanded the glow plugs OFF and the voltage at the glow plugs is greater than 4.0 volts.

or

The PCM has commanded the glow plugs ON and there is more than a 2 volt difference between the glow plug voltage and the ignition voltage.

Action Taken When the DTC Sets

    • The PCM illuminates the Malfunction Indicator Lamp (MIL) on the second consecutive drive trip the diagnostic runs and fails.
    • The PCM records the operating conditions at the time the diagnostic fails. The first time the diagnostic fails, the Failure Records store this information. If the diagnostic reports a failure on the second consecutive drive trip, the Freeze Frame records the operating conditions at the time of failure and updates the Failure Records.

Conditions for Clearing the MIL/DTC

    • The PCM will turn the MIL OFF after three consecutive trips without a fault condition.
    • A History DTC will clear after forty consecutive warm-up cycles during which the diagnostic does not fail (coolant temperature has risen 5°C (40°F) from the start up coolant temperature and the engine coolant temperature exceeds 71°C (160°F) during that same ignition cycle.
    • Use of a scan tool will clear the DTC codes.

Diagnostic Aids

If the glow plug relay is stuck in the ON position, check for a proper operation of the glow plugs, refer to Glow Plug System Check . When the glow plugs are commanded ON by the scan tool, an internal PCM timer protects the glow plugs from damage by cycling them ON for 3 seconds and OFF for 12 seconds.

The glow plug output feed wire nut and battery feed wire nut at the relay should be checked for proper torque (5 N·m (44 lb in)) and for corrosion.

An intermittent may be caused by the following:

    • Poor connections
    • Rubbed through wire insulation
    • Broken wire inside the insulation

Test Description

The number(s) below refer to the step number(s) on the Diagnostic Table.

  1. This step will determine if P0380 is a hard failure.

  2. This step will determine if the PCM is requesting the glow plug system is ON.

  3. This step will determine if the glow plug relay has been activated and the output voltage has been seen by the PCM.

Step

Action

Value(s)

Yes

No

1

Important: Before clearing any DTCs, use the scan tool Capture Info to save freeze frame and failure records for reference, as the scan tool loses data when using the Clear Info function.

Was the Powertrain On-Board Diagnostic (OBD) System Check performed?

--

Go to Step 2

Go to Powertrain On Board Diagnostic (OBD) System Check

2

  1. Install the scan tool.
  2. Turn the ignition ON with the engine OFF.
  3. Use the scan tool in order to command the glow plugs ON.
  4. Observe the glow plug system on the scan tool display.

Does the scan tool display the glow plug system as enabled?

--

Go to Step 3

Go to Step 8

3

  1. Turn the ignition ON with the engine OFF.
  2. Use the scan tool in order to command the glow plugs ON.
  3. Observe the Glow Plugs display on the scan tool.

Does the scan tool display the Glow Plugs at the specified value?

B+

Go to Step 4

Go to Step 6

4

Does the scan tool display glow pug voltage present all the time?

--

Go to Step 16

Go to Step 5

5

The DTC is intermittent. If no additional DTCs are stored, refer to Diagnostic Aids If any additional DTCs were stored, refer to those table(s).

Were there any additional DTCs stored?

--

Go to the Applicable DTC Table

Go to Diagnostic Aids

6

  1. Disconnect the glow plug relay connector.
  2. Turn the ignition ON with the engine OFF.
  3. With the test light connected to ground, probe the glow plug relay harness ignition feed circuit.

Is the test light ON?

--

Go to Step 7

Go to Step 10

7

  1. Turn the ignition ON with the engine OFF.
  2. Connect the test light between the glow plug harness ignition feed circuit and the harness ground circuit.

Is the test light ON?

--

Go to Step 8

Go to Step 11

8

  1. Turn the ignition ON with the engine OFF.
  2. Verify that the glow plug harness is still disconnected.
  3. With a J 39200 connected to ground, probe the glow plug relay control circuit at the glow plug harness connector.
  4. Use a scan tool in order to command the glow plugs ON.

Is the voltage at the specified value?

B+

Go to Step 9

Go to Step 12

9

  1. Reconnect the glow plug relay.
  2. Turn the ignition ON with the engine OFF.
  3. With a test light connected to ground, probe the glow plug side of the relay.
  4. Use a scan tool in order to command the glow plugs ON.

Is the test light ON when the scan tool commands the glow plugs ON?

--

Go to Step 14

Go to Step 18

10

Repair an open or a short to ground in glow plug relay ignition feed circuit.

Is the action complete?

--

Go to Step 20

--

11

Repair any open or poor connections in the glow plug relay ground circuit.

Is the action complete?

--

Go to Step 20

--

12

  1. Check the glow plug relay control circuit for an open or short to ground.
  2. If the glow plug relay control circuit is open or shorted to ground, repair as necessary.

Was a problem found?

--

Go to Step 20

Go to Step 13

13

Check the glow plug relay control circuit for a poor connection at the PCM and replace the terminal if necessary.

Was a problem found?

--

Go to Step 20

Go to Step 19

14

  1. Check the glow plug relay signal control circuit for an open or short to ground.
  2. If the glow plug relay signal circuit is open or shorted to ground, repair as necessary.

Was a problem found?

--

Go to Step 20

Go to Step 15

15

Check the glow plug relay signal circuit for a poor connection at the PCM and replace the terminal if necessary.

Was a problem found?

--

Go to Step 20

Go to Step 19

16

  1. Disconnect the glow plug relay connector.
  2. Turn the ignition ON leaving the engine OFF.
  3. Probe the glow plug relay control circuit with a test light connected to ground.

Is the test light ON all the time?

--

Go to Step 17

Go to Step 18

17

Repair the short to voltage on the glow plug relay control circuit.

Is the action complete?

--

Go to Step 20

--

18

Replace the glow plug relay. Refer to Glow Plug Relay Replacement .

Is the action complete?

--

Go to Step 20

--

19

  1. Replace the PCM.
  2. Program the new PCM. Refer to Powertrain Control Module Replacement/Programming .
  3. Is the action complete?

--

Go to Step 20

--

20

  1. Using the scan tool, clear the DTCs.
  2. Start engine and idle at normal operating temperature.
  3. Select DTC, Specific, then enter the DTC number which was set.
  4. Operate the vehicle, within the Conditions for Setting this DTC, until the scan tool indicates the diagnostic Ran.

Does the scan tool indicate the diagnostic Passed?

--

Go to Step 21

Go to Step 2

21

Does the scan tool display any additional undiagnosed DTCs?

--

Go to the Applicable DTC Table

System OK