GM Service Manual Online
For 1990-2009 cars only

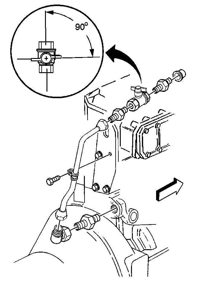
Heater Water Shutoff Valve Replacement Engine Water Valve 7.2L Cat

Removal Procedure

  1. Remove the engine coolant. Refer to Cooling System Draining and Filling in Engine Cooling.

  2. Object Number: 220082  Size: MH
  3. Remove the auxiliary heater water shut off valve hose nipple from the auxiliary heater water shut off valve.
  4. Remove the auxiliary heater water shut off adapter from the auxiliary heater water shut off valve.
  5. Remove the auxiliary heater water shut off hose from the auxiliary heater water shut off adapter.
  6. Remove the auxiliary heater water shut off hose from the auxiliary heater water shut off valve elbow.
  7. Remove the auxiliary heater water shut off hose bolt from the engine.
  8. Remove the auxiliary heater water shut off hose clamp from the engine.
  9. Remove the auxiliary heater water shut off valve elbow from the auxiliary heater water shut off valve adapter.
  10. Remove the auxiliary heater water shut off valve adapter from the engine.

Installation Procedure


    Object Number: 220082  Size: MH

    Notice: Use the correct fastener in the correct location. Replacement fasteners must be the correct part number for that application. Fasteners requiring replacement or fasteners requiring the use of thread locking compound or sealant are identified in the service procedure. Do not use paints, lubricants, or corrosion inhibitors on fasteners or fastener joint surfaces unless specified. These coatings affect fastener torque and joint clamping force and may damage the fastener. Use the correct tightening sequence and specifications when installing fasteners in order to avoid damage to parts and systems.

  1. Install the auxiliary heater water shut off valve adapter to the engine.
  2. Tighten
    Tighten the auxiliary heater water shut off valve adapter to 35 N·m (26 lb ft).

  3. Install the auxiliary heater water shut off valve elbow to the auxiliary heater water shut off valve adapter.
  4. Tighten
    Tighten the auxiliary heater water shut off valve elbow to 35 N·m (26 lb ft).

  5. Install the auxiliary heater water shut off hose clamp to the engine.
  6. Install the auxiliary heater water shut off hose bolt to the engine.
  7. Tighten
    Tighten the auxiliary heater water shut off hose bolt to 55 N·m (41 lb ft).

  8. Install the auxiliary heater water shut off hose to the auxiliary heater water shut off valve elbow.
  9. Tighten
    Tighten the auxiliary heater water shut off hose to 35 N·m (26 lb ft).

  10. Install the auxiliary heater water shut off hose to the auxiliary heater water shut off adapter.
  11. Tighten
    Tighten the auxiliary heater water shut off hose to 35 N·m (26 lb ft).

  12. Install the auxiliary heater water shut off adapter to the auxiliary heater water shut off valve.
  13. Tighten
    Tighten the auxiliary heater water shut off valve to 35 N·m (26 lb ft).

  14. Install the auxiliary heater water shut off valve hose nipple to the auxiliary heater water shut off valve.
  15. Tighten
    Tighten the auxiliary heater water shut off valve hose nipple to 25 N·m (18 lb ft).

  16. Add the engine coolant. Refer to Cooling System Draining and Filling in Engine Cooling.
  17. Inspect the system for leaks.

Heater Water Shutoff Valve Replacement Radiator Water Valve

Removal Procedure

  1. Remove the engine coolant. Refer to Cooling System Draining and Filling in Engine Cooling.
  2. Remove the nipple from the heater hose.

  3. Object Number: 220075  Size: SH
  4. Remove the radiator water shut off valve from the nipple at the radiator.

Installation Procedure

    Notice: Use the correct fastener in the correct location. Replacement fasteners must be the correct part number for that application. Fasteners requiring replacement or fasteners requiring the use of thread locking compound or sealant are identified in the service procedure. Do not use paints, lubricants, or corrosion inhibitors on fasteners or fastener joint surfaces unless specified. These coatings affect fastener torque and joint clamping force and may damage the fastener. Use the correct tightening sequence and specifications when installing fasteners in order to avoid damage to parts and systems.

  1. Install the nipple to the radiator.
  2. Tighten
    Tighten the radiator nipple to 35 N·m (26 lb ft).


    Object Number: 220075  Size: SH
  3. Install the radiator water shut off valve to the nipple at the radiator.
  4. Tighten
    Tighten the radiator water shut off valve to 30 N·m (22 lb ft)

  5. Install the nipple to the heater hoses.
  6. Tighten
    Tighten the heater hose nipples to 25 N·m (18 lb ft).

  7. Add the engine coolant. Refer to Cooling System Draining and Filling in Engine Cooling.
  8. Inspect the system for leaks.

Heater Water Shutoff Valve Replacement Engine Water Valve 6.5L

Removal Procedure

  1. Remove the engine coolant. Refer to Cooling System Draining and Filling in Engine Cooling.

  2. Object Number: 220078  Size: LH
  3. Remove the auxiliary heater water shut off valve hose nipple from the hose.
  4. Remove the engine water shut off valve from the heater outlet pipe elbow.
  5. Remove the heater outlet hose nipple from the engine water shut off valve.
  6. Remove the heater outlet hose elbow from the heater outlet hose nipple.
  7. Remove the heater outlet hose nipple from the engine.

Installation Procedure

    Notice: Use the correct fastener in the correct location. Replacement fasteners must be the correct part number for that application. Fasteners requiring replacement or fasteners requiring the use of thread locking compound or sealant are identified in the service procedure. Do not use paints, lubricants, or corrosion inhibitors on fasteners or fastener joint surfaces unless specified. These coatings affect fastener torque and joint clamping force and may damage the fastener. Use the correct tightening sequence and specifications when installing fasteners in order to avoid damage to parts and systems.

  1. Install the heater outlet hose nipple to the engine.
  2. Tighten
    Tighten the heater outlet hose nipple to engine to 35 N·m (26 lb ft).

  3. Install the heater outlet hose elbow to the heater outlet hose nipple.
  4. Tighten
    Tighten the heater outlet hose elbow to 70 N·m (52 lb ft).


    Object Number: 220078  Size: LH
  5. Install the heater outlet hose nipple to the engine water shut off valve.
  6. Tighten

        • Tighten the heater outlet hose nipple to 30 N·m (22 lb ft).
        • Tighten the engine water shut off valve to 30 N·m (22 lb ft).
            Tighten the engine water shut off valve to 35 N·m (26 lb ft).
  7. Install the engine water shut off valve to the heater outlet pipe elbow.
  8. Tighten
    Tighten the engine water shut off valve to 34 N·m (25 lb ft).

  9. Install the auxiliary heater water shut off valve hose nipple to the hose.
  10. Tighten
    Tighten the auxiliary heater water shut off valve hose nipple to 35 N·m (26 lb ft).

  11. Add the engine coolant. Refer to Cooling System Draining and Filling in Engine Cooling.
  12. Inspect the system for leaks.

Heater Water Shutoff Valve Replacement Engine Water Valve 7.4L

Removal Procedure

  1. Remove the engine coolant. Refer to Cooling System Draining and Filling in Engine Cooling.

  2. Object Number: 368476  Size: SH
  3. Remove the auxiliary heater water shut off valve hose nipple from the auxiliary heater water shut off valve.
  4. Remove the auxiliary heater water shut off adapter from the auxiliary heater water shut off valve.
  5. Remove the auxiliary heater water shut off hose from the auxiliary heater water shut off adapter.
  6. Remove the auxiliary heater water shut off hose from the auxiliary heater water shut off valve elbow.
  7. Remove the auxiliary heater water shut off hose bolt from the engine.
  8. Remove the auxiliary heater water shut off hose clamp from the engine.
  9. Remove the auxiliary heater water shut off valve elbow from the auxiliary heater water shut off valve adapter.
  10. Remove the auxiliary heater water shut off valve adapter from the engine.

Installation Procedure


    Object Number: 368476  Size: SH

    Notice: Use the correct fastener in the correct location. Replacement fasteners must be the correct part number for that application. Fasteners requiring replacement or fasteners requiring the use of thread locking compound or sealant are identified in the service procedure. Do not use paints, lubricants, or corrosion inhibitors on fasteners or fastener joint surfaces unless specified. These coatings affect fastener torque and joint clamping force and may damage the fastener. Use the correct tightening sequence and specifications when installing fasteners in order to avoid damage to parts and systems.

  1. Install the auxiliary heater water shut off valve adapter to the engine.
  2. Tighten
    Tighten the auxiliary heater water shut off valve adapter to 35 N·m (26 lb ft).

  3. Install the auxiliary heater water shut off valve elbow to the auxiliary heater water shut off valve adapter.
  4. Tighten
    Tighten the auxiliary heater water shut off valve elbow to 35 N·m (26 lb ft).

  5. Install the auxiliary heater water shut off hose clamp to the engine.
  6. Install the auxiliary heater water shut off hose bolt to the engine.
  7. Tighten
    Tighten the auxiliary heater water shut off hose bolt to 55 N·m (41 lb ft).

  8. Install the auxiliary heater water shut off hose to the auxiliary heater water shut off valve elbow.
  9. Tighten
    Tighten the auxiliary heater water shut off hose to 35 N·m (26 lb ft).

  10. Install the auxiliary heater water shut off hose to the auxiliary heater water shut off adapter.
  11. Tighten
    Tighten the auxiliary heater water shut off hose to 35 N·m (26 lb ft).

  12. Install the auxiliary heater water shut off adapter to the auxiliary heater water shut off valve.
  13. Tighten
    Tighten the auxiliary heater water shut off valve to 35 N·m (26 lb ft).

  14. Install the auxiliary heater water shut off valve hose nipple to the auxiliary heater water shut off valve.
  15. Tighten
    Tighten the auxiliary heater water shut off valve hose nipple to 25 N·m (18 lb ft).

  16. Add the engine coolant. Refer to Cooling System Draining and Filling in Engine Cooling.
  17. Inspect the system for leaks.