GM Service Manual Online
For 1990-2009 cars only
Figure 1:

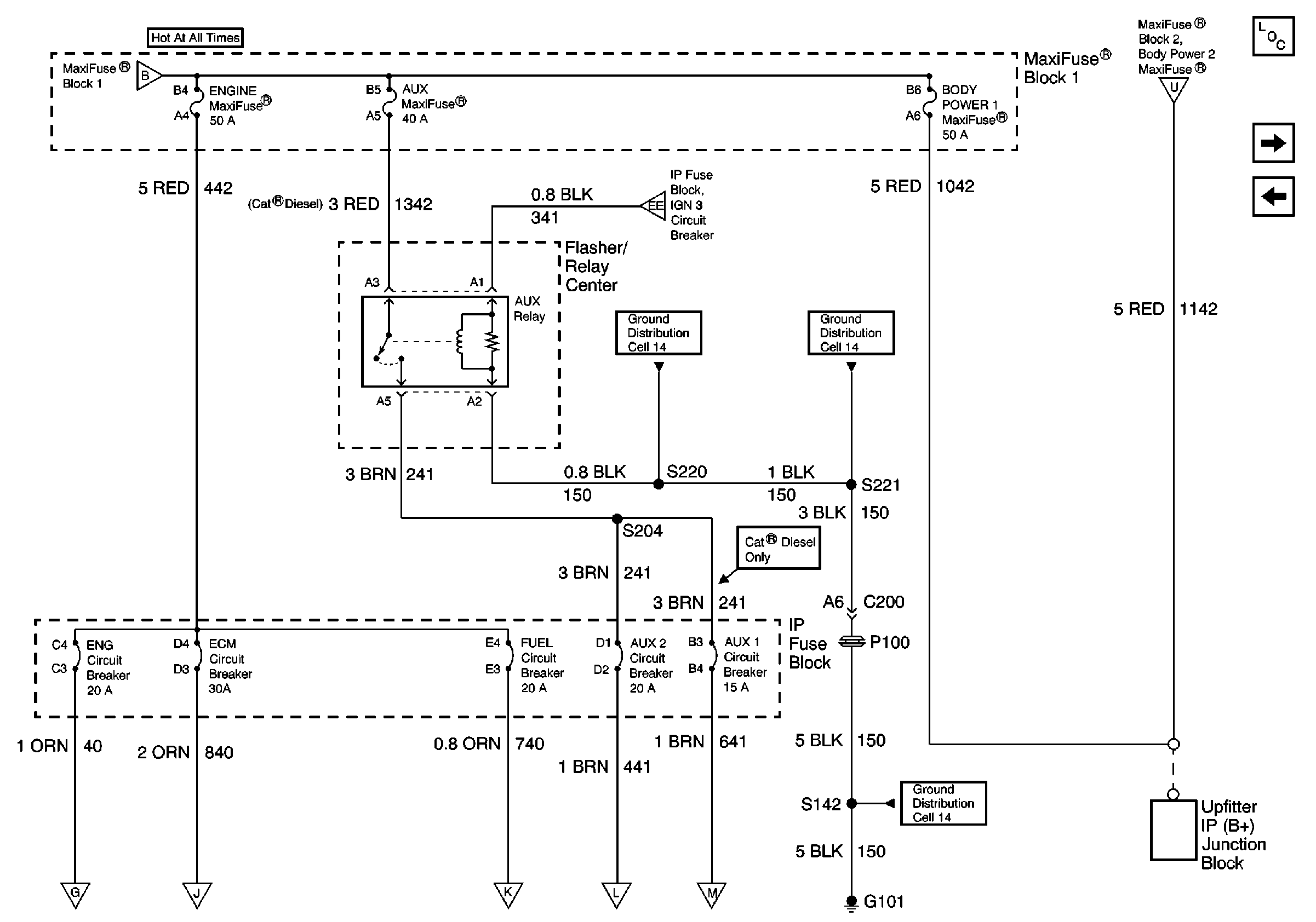
Cell 10: Batteries, Fusable Links, MaxiFuse® Block 1 and IP Fuse Block


Object Number: 381635  Size: FS
Power and Grounding Components Power Distribution
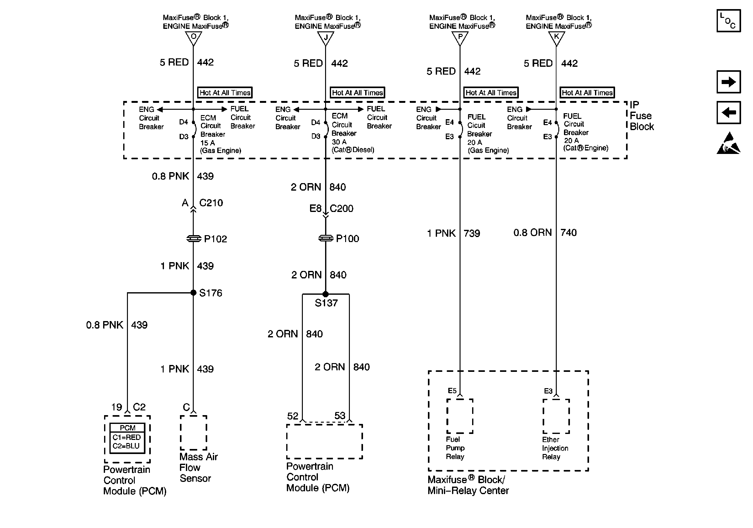
Cell 10: MaxiFuse® Block 1 and IP Fuse Block (1 of 2)
Cell 10: IP Fuse Block 4 of 4
Cell 10: IP Fuse Block 1 of 4
Cell 10: IP Fuse Block 1 of 4
Cell 10: IP Fuse Block 1 of 4
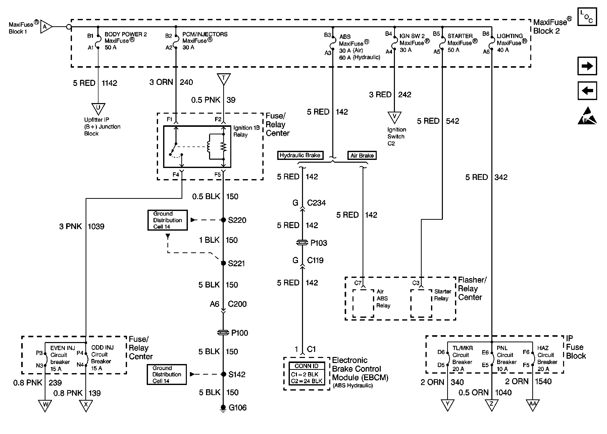
Cell 10: Ignition Switch and IP Fuse Block
Cell 10: MaxiFuse® Block 2 and IP Fuse Block
Figure 2:

Cell 10: MaxiFuse® Block 1 and IP Fuse Block (1 of 2)


Object Number: 381637  Size: FS
Power and Grounding Components Power Distribution
Cell 10: MaxiFuse® Block 1 and IP Fuse Block (2 of 2)
Cell 10: Batteries, Fusable Links, MaxiFuse® Block 1 and IP Fuse Block
Cell 10: IP Fuse Block 4 of 4
Cell 10: IP Fuse Block 2 of 4
Cell 10: IP Fuse Block 2 of 4
Cell 10: IP Fuse Block 2 of 4
Cell 10: IP Fuse Block 3 of 4
Cell 10: IP Fuse Block
Figure 3:

Cell 10: MaxiFuse® Block 1 and IP Fuse Block (2 of 2)


Object Number: 381640  Size: FS
Power and Grounding Components Power Distribution
Cell 10: MaxiFuse® Block 2 and IP Fuse Block
Cell 10: MaxiFuse® Block 1 and IP Fuse Block (1 of 2)
Cell 10: IP Fuse Block 4 of 4
Cell 10: IP Fuse Block 2 of 4
Cell 10: IP Fuse Block 2 of 4
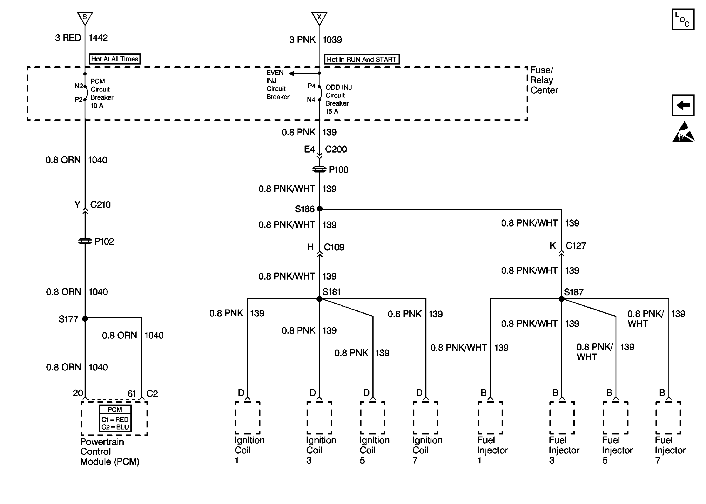
Cell 10: Fuse/Relay Center
Cell 10: Fuse/Relay Center
Cell 10: MaxiFuse® Block 2 and IP Fuse Block
Figure 4:

Cell 10: MaxiFuse® Block 2 and IP Fuse Block


Object Number: 381641  Size: FS
Power and Grounding Components Power Distribution
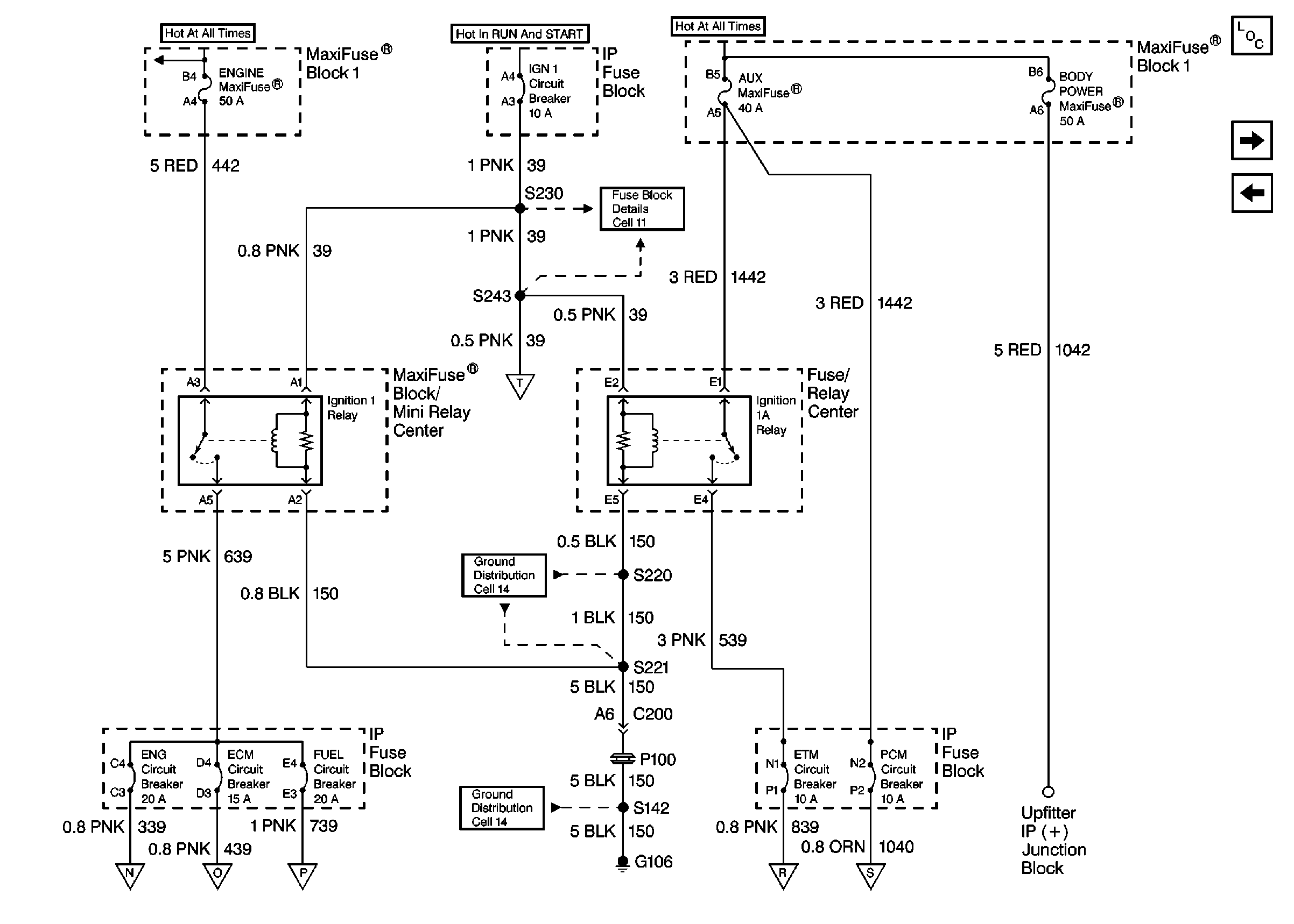
Cell 10: IP Fuse Block - IGN 1 Circuit Breaker
Cell 10: MaxiFuse® Block 1 and IP Fuse Block (2 of 2)
Handling ESD Sensitive Parts Notice
Cell 10: MaxiFuse® Block 1 and IP Fuse Block (1 of 2)
Cell 10: Ignition Switch and IP Fuse Block
Cell 10: Fuse/Relay Center
Cell 10: Fuse/Relay Center
Cell 10: IP Fuse Block 1 of 4
Cell 10: IP Fuse Block 1 of 4
Cell 10: IP Fuse Block 1 of 4
Figure 5:

Cell 10: IP Fuse Block -- IGN 1 Circuit Breaker


Object Number: 381642  Size: FS
Power and Grounding Components Power Distribution
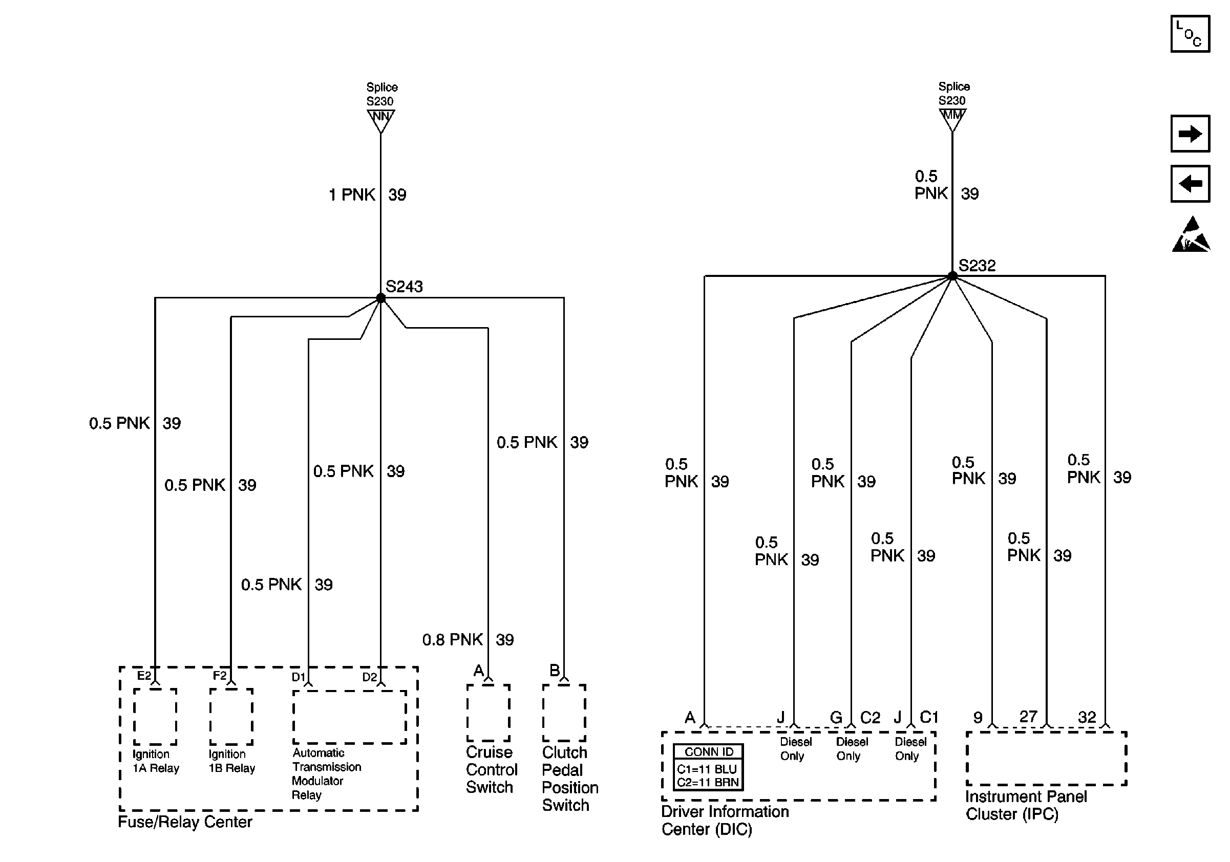
Cell 10: Splice S232, S243
Cell 10: MaxiFuse® Block 2 and IP Fuse Block
Handling ESD Sensitive Parts Notice
Cell 10: Splice S232, S243
Cell 10: Splice S232, S243
Figure 6:

Cell 10: Splice S232, S243


Object Number: 381643  Size: FS
Power and Grounding Components Power Distribution
Cell 10: IP Fuse Block
Cell 10: IP Fuse Block - IGN 1 Circuit Breaker
Handling ESD Sensitive Parts Notice
Figure 7:

Cell 10: IP Fuse Block


Object Number: 381645  Size: FS
Power and Grounding Components Power Distribution
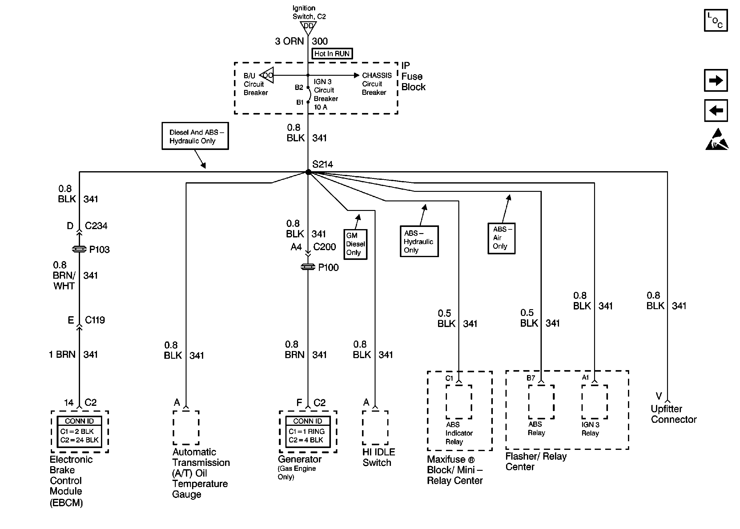
Cell 10: IP Fuse Block, IGN 3 Circuit Breaker, S214
Cell 10: Splice S232, S243
Handling ESD Sensitive Parts Notice
Figure 8:

Cell 10: IP Fuse Block, IGN 3 Circuit Breaker, S214


Object Number: 381646  Size: FS
Power and Grounding Components Power Distribution
Cell 10: IP Fuse Block 1 of 4
Cell 10: IP Fuse Block
Handling ESD Sensitive Parts Notice
Cell 10: IP Fuse Block
Figure 9:

Cell 10: IP Fuse Block 1 of 4


Object Number: 381647  Size: FS
Power and Grounding Components Power Distribution
Cell 10: IP Fuse Block 2 of 4
Cell 10: IP Fuse Block, IGN 3 Circuit Breaker, S214
Figure 10:

Cell 10: IP Fuse Block 2 of 4


Object Number: 381649  Size: FS
Power and Grounding Components Power Distribution
Cell 10: IP Fuse Block 3 of 4
Cell 10: IP Fuse Block 1 of 4
Handling ESD Sensitive Parts Notice
Figure 11:

Cell 10: IP Fuse Block 3 of 4


Object Number: 381651  Size: FS
Power and Grounding Components Power Distribution
Cell 10: IP Fuse Block 4 of 4
Cell 10: IP Fuse Block 2 of 4
Handling ESD Sensitive Parts Notice
Figure 12:

Cell 10: IP Fuse Block 4 of 4


Object Number: 381653  Size: FS
Power and Grounding Components Power Distribution
Cell 10: Fuse/Relay Center
Cell 10: IP Fuse Block 3 of 4
Handling ESD Sensitive Parts Notice
Figure 13:

Cell 10: Fuse/Relay Center


Object Number: 381654  Size: FS
Power and Grounding Components Power Distribution
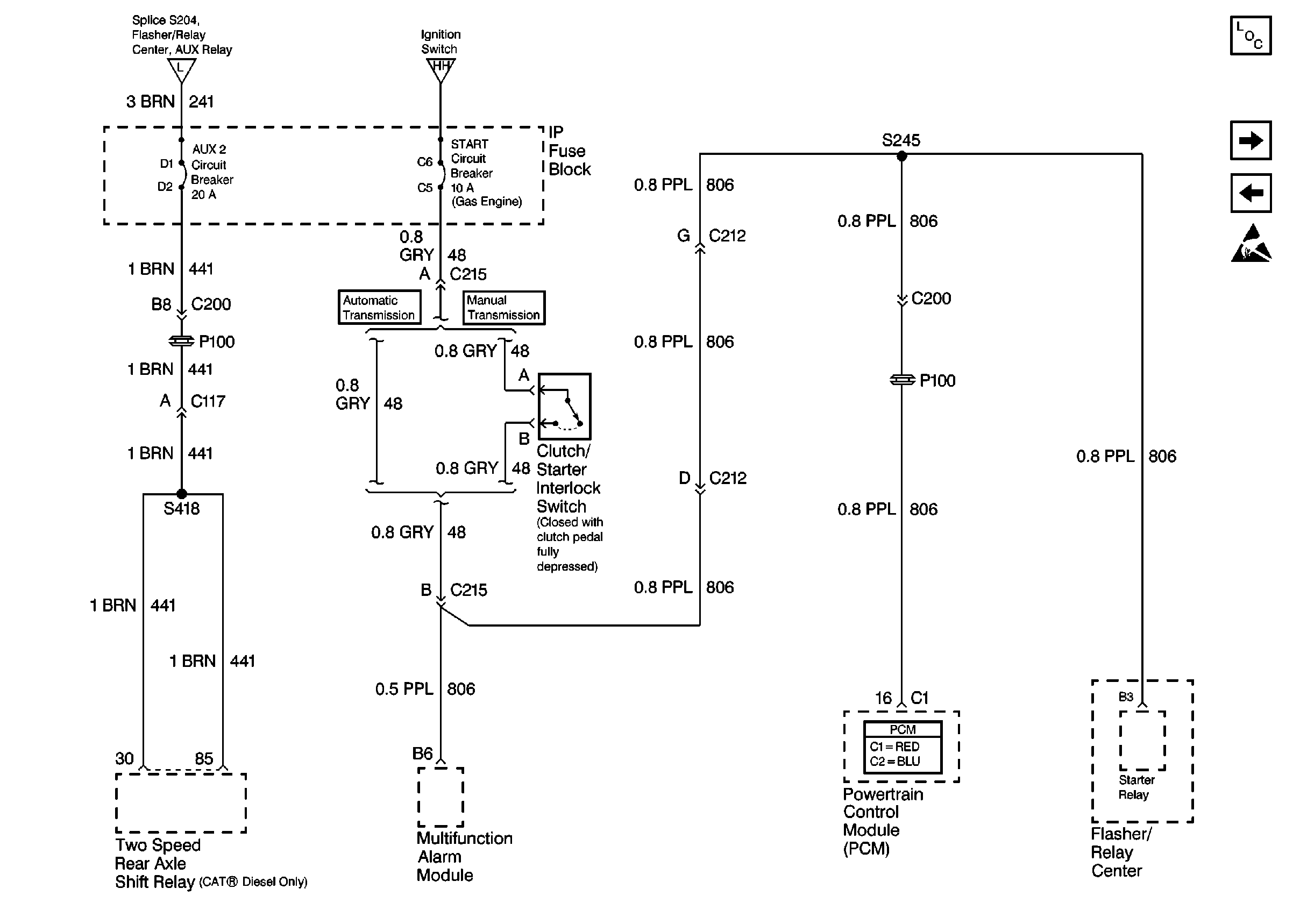
Cell 10: Ignition Switch and IP Fuse Block
Cell 10: IP Fuse Block 4 of 4
Handling ESD Sensitive Parts Notice
Figure 14:

Cell 10: Ignition Switch and IP Fuse Block


Object Number: 381710  Size: FS
Power and Grounding Components Power Distribution
Cell 10: Fuse Block, START Circuit Breaker
Cell 10: Fuse/Relay Center
Cell 10: IP Fuse Block
Cell 10: IP Fuse Block
Cell 10: IP Fuse Block, IGN 3 Circuit Breaker, S214
Cell 10: MaxiFuse® Block 1 and IP Fuse Block (1 of 2)
Cell 10: IP Fuse Block
Cell 10: IP Fuse Block 4 of 4
Cell 10: IP Fuse Block 4 of 4
Cell 10: Fuse Block, START Circuit Breaker
Cell 10: IP Fuse Block - IGN 1 Circuit Breaker
Cell 10: IP Fuse Block 2 of 4
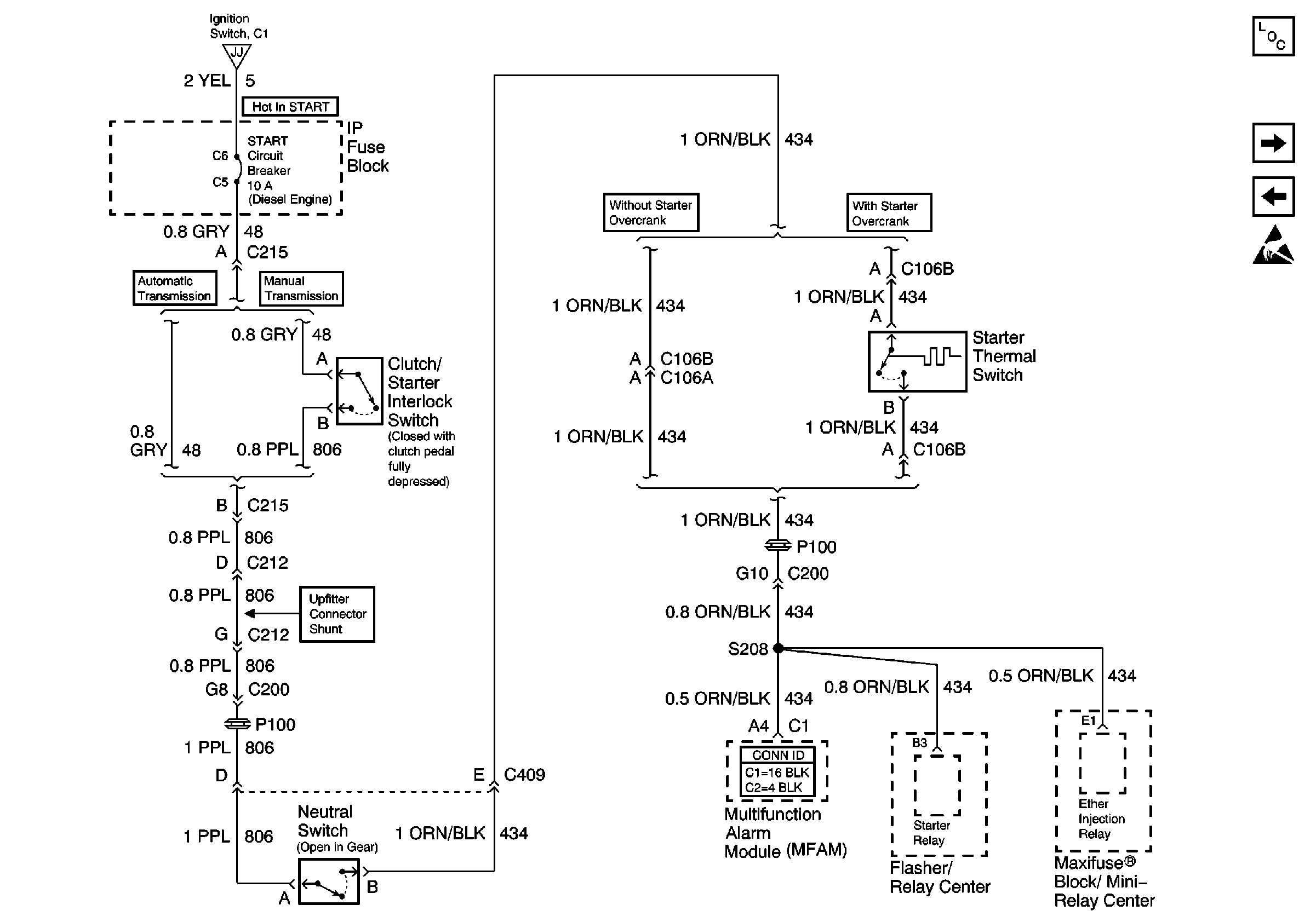
Figure 15:

Cell 10: Fuse Block, START Circuit Breaker


Object Number: 381714  Size: FS
Power and Grounding Components Power Distribution
Cell 10: Fuse/Relay Center
Cell 10: Ignition Switch and IP Fuse Block
Handling ESD Sensitive Parts Notice
Figure 16:

Cell 10: Fuse/Relay Center


Object Number: 381655  Size: FS
Power and Grounding Components Power Distribution
Cell 10: Fuse Block, START Circuit Breaker
Handling ESD Sensitive Parts Notice