GM Service Manual Online
For 1990-2009 cars only
Makes
🢒
Chevrolet
🢒
1999
🢒
Chevrolet C-Series Medium Duty Truck B7
🢒
Engine
🢒
Engine Exhaust
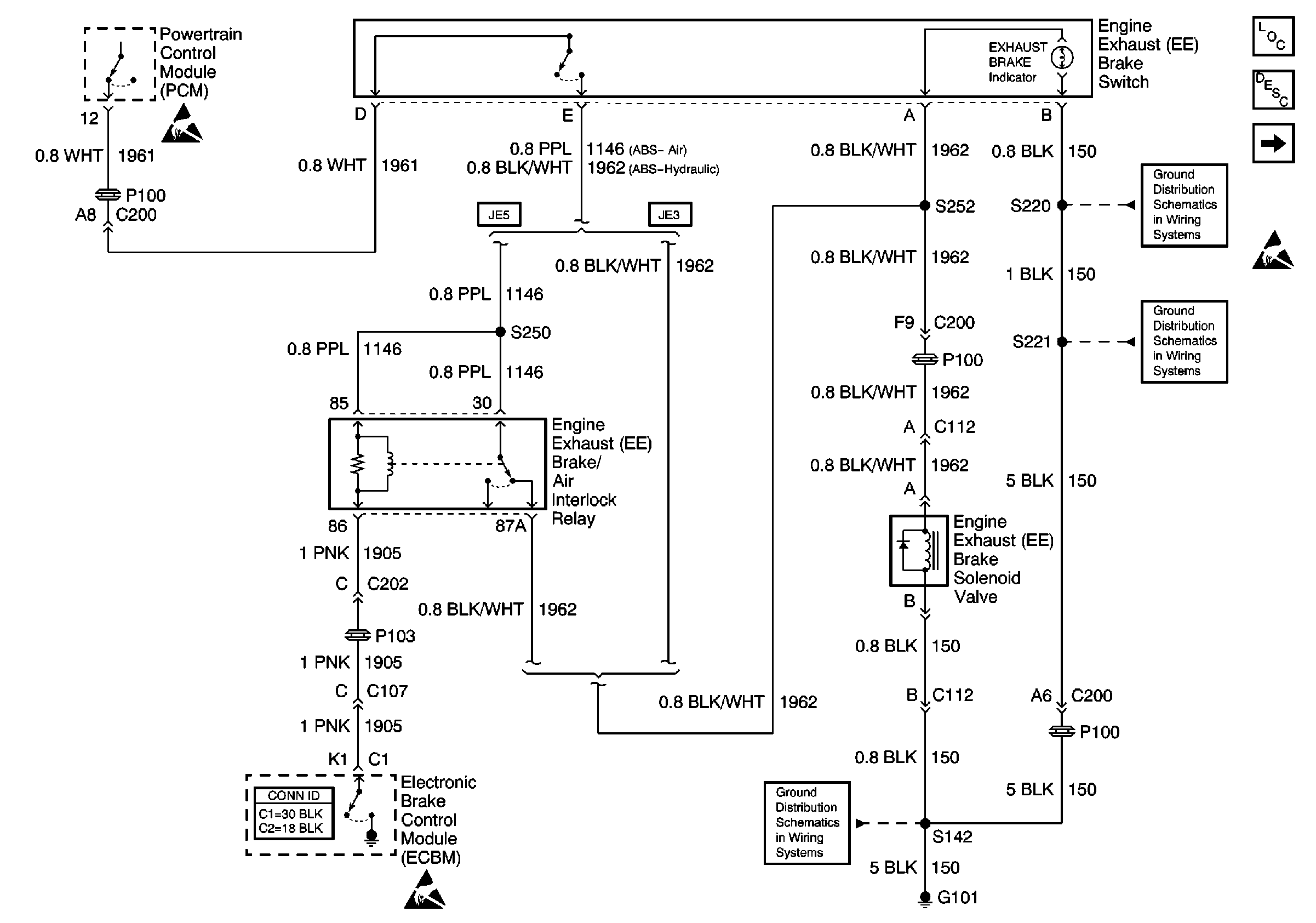
🢒 Engine Exhaust Brake Schematics
Cell 33
Engine Exhaust Brake Components
Exhaust Brake Circuit Description
Handling ESD Sensitive Parts Notice