GM Service Manual Online
For 1990-2009 cars only

Refer to

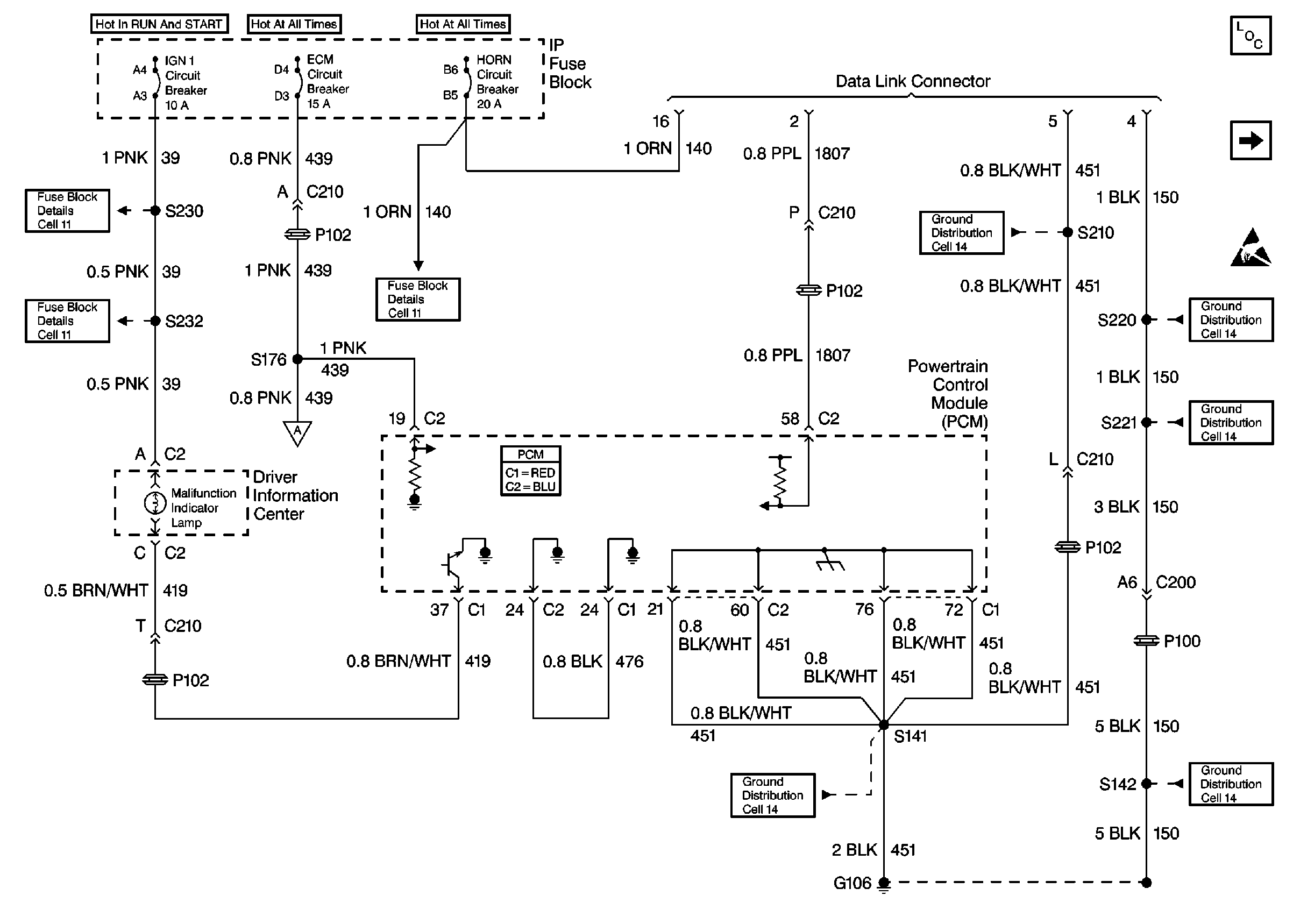
Cell 20: IP Fuse Block, Data Link Connector, Powertrain Control Module


Object Number: 330319  Size: FS
Engine Controls Components
Cell 20: IP Fuse Block, Maxifuse® Block/Mini Relay Center, Fuse Relay Center
Handling ESD Sensitive Parts Notice
Cell 20: Starting Controls, Mass Air Flow Sensor

Circuit Description

Use a properly functioning scan tool with the diagnostic tables in this section. DO NOT use the Clear Info function unless instructed by a diagnostic procedure.

Important: This vehicle, equipped with a Powertrain Control Module (PCM), utilizes an Electrically Erasable Programmable Read Only Memory (EEPROM). Program the new PCM when the diagnostics call for replacement of the PCM. Refer to Powertrain Control Module Replacement .

Test Description

The numbers below refer to the step numbers on the diagnostic table.

  1. This step will determine if any of the other components/modules connected to the serial data circuit are causing a no engine data condition.

  2. This step will determine if more than one symptom is present.

  3. This step will determine if the serial data circuit is shorted to ground.

  4. This step will determine if battery positive voltage is being supplied to the DLC.

  5. This step will check the DLC grounds.

  6. A voltage reading of less than 0.50 volt is considered as 0 volts.

  7. A voltage reading of greater than 10 volts is considered to be B+.

  8. The engine will run but the PCM will not communicate through the serial data circuit if ignition positive voltage is not supplied to this circuit.

  9. This will determine if voltage is being supplied to the fuse.

Step

Action

Value(s)

Yes

No

1

Did you perform the Powertrain On-Board Diagnostic (OBD) System Check?

--

Go to Step  2

Go to Powertrain On Board Diagnostic (OBD) System Check

2

Important: This table assumes that the scan tool you are using is functional. Insure that the scan tool is functional by installing the scan tool on another vehicle.

  1. Turn the ignition switch to the OFF position.
  2. Connect the scan tool to the Diagnostic Link Connector (DLC).
  3. Turn the ignition to the ON position leaving the engine OFF.

Does the scan tool power-up?

--

Go to Step  3

Go to Step 9

3

Important: Verify that the correct vehicle application is selected on the scan tool.

Does the scan tool display engine data?

--

System OK

Go to Step 4

4

Are any modules or components other than the PCM connected to the serial data circuit?

--

Go to Step 5

Go to Step 7

5

Using the scan tool, attempt to view the scan tool data from any of the control modules connected to the serial data circuit.

Did any of the modules display scan tool data?

--

Go to Step 7

Go to Step 6

6

Important: Attempt to view scan tool data after each module or component is disconnected.

  1. Turn the ignition switch to the OFF position.
  2. Disconnect any modules and components other than the PCM that are connected to the serial data circuit.
  3. Turn the ignition switch to the ON position.
  4. Attempt to view the engine scan tool data.

Does the scan tool display engine data?

 

Go to the appropriate system diagnosis

Go to Step 7

7

Does the engine start and continue to operate?

--

Go to Step 8

Go to Step 17

8

  1. Turn the ignition switch to the OFF position.
  2. Disconnect the scan tool.
  3. Connect a test lamp J 35616-200 to battery positive voltage and probe the serial data circuit (terminal 2) at the DLC.

Is the test lamp ON?

--

Go to Step 13

Go to Step 11

9

  1. Disconnect the scan tool.
  2. Connect a test lamp J 35616-200 to battery ground and probe the battery positive voltage circuit (terminal 16) at the DLC.

Is the test lamp ON?

--

Go to Step 10

Go to Step 14

10

  1. Connect a test lamp J 35616-200 to battery positive voltage and probe the DLC ground circuits (terminals 4 and 5).
  2. Repair the open DLC ground circuit that did not turn the test lamp ON.

Did you find and repair a problem?

 

Go to Step 2

Go to Step 21

11

  1. Turn the ignition switch to the ON position.
  2. Connect a DMM J 39200 to a battery ground and check the voltage at the DLC serial data circuit (terminal 2).

Is the voltage greater than the specified value?

0  volts

Go to Step 12

Go to Step 13

12

  1. Turn the ignition switch to the OFF position.
  2. Disconnect the PCM connector containing the serial data circuit.
  3. Turn the ignition switch to the ON position.
  4. Connect a DMM J 39200 to a battery ground and check the voltage at the DLC serial data circuit (terminal 2).
  5. If the voltage is near the specified value, repair the short to voltage at the serial data circuit.

Did you find and repair a problem?

B+

Go to Step 2

Go to Step 13

13

  1. Turn the ignition switch to the OFF position.
  2. Disconnect the PCM connector containing the serial data circuit.
  3. Connect a test lamp J 35616-200 to battery positive voltage and probe the serial data circuit at the DLC (terminal 2).
  4. If the test lamp is ON, repair the short to ground at the serial data circuit.

Did you find and repair a problem?

--

Go to Step 2

Go to Step 15

14

  1. Inspect the DLC battery positive voltage fuse for being open.
  2. If the fuse is open repair the short to ground at the DLC battery positive voltage circuit.

Did you find and repair a problem?

--

Go to Step 2

Go to Step 19

15

  1. Turn the ignition switch to the OFF position.
  2. Disconnect the PCM connector containing the serial data circuit.
  3. Connect a DMM J 39200 in order to check continuity of the serial data circuit between the PCM connector and the DLC terminal.
  4. Repair the open circuit if continuity is not indicated.

Did you find and repair a problem?

 

Go to Step 2

Go to Step 16

16

  1. Turn the ignition switch to the OFF position.
  2. Disconnect the PCM connector containing the ignition positive voltage circuit.
  3. Turn the ignition switch to the ON position.
  4. Connect a test lamp J 35616-200 to battery ground and probe the ignition positive voltage circuit at the PCM connector.

Is the test lamp ON?

--

Go to Step 22

Go to Step 26

17

  1. Turn the ignition switch to the OFF position.
  2. Disconnect the PCM connector containing the battery positive voltage circuits.
  3. Connect a test lamp J 35616-200 to battery ground and probe the battery positive voltage circuits at the PCM connector.
  4. Repair the open circuit that did not light the lamp.

Did you locate and repair a problem?

--

Go to Step 2

Go to Step 18

18

  1. Turn the ignition switch to the OFF position.
  2. Disconnect both PCM connectors.
  3. Connect a test lampJ 35616-200 to battery positive voltage and probe the PCM battery ground circuits.
  4. Repair the open circuit that did not turn the lamp ON.

Did you locate and repair a problem?

--

Go to Step 2

Go to Step 22

19

  1. Remove the DLC battery positive voltage fuse.
  2. Connect a test lamp J 35616-200 to battery ground and probe both of the fuse terminals.
  3. If the test lamp is ON at either terminal, repair the open between the fuse and the DLC.
  4. If the test lamp is not ON at either one of the terminals, repair the open between the fuse and the battery.

Is the action complete?

--

Go to Step 2

--

20

  1. Turn the ignition switch to the OFF position.
  2. Disconnect the PCM connector containing the serial data circuit.
  3. Connect a DMM J 39200 to battery ground and check the voltage at the DLC serial data circuit (terminal 2). If the voltage is greater than the specified value, repair the short to voltage in the serial data circuit.

Did you find and repair a problem?

0  Volts

Go to Step 2

Go to Step 23

21

Inspect the DLC for the following conditions and repair as necessary:

    • Damaged or deformed terminals.
    • Terminals that are improperly positioned.

Did you find and repair a problem?

--

Go to Step 2

Go to Step 22

22

Inspect the PCM connector for the following conditions and repair as necessary:

    • Damaged or deformed terminals.
    • Terminals that are improperly positioned.

Did you find and repair a problem?

--

Go to Step 2

Go to Step 23

23

Important: Reprogram the replacement PCM.

Replace the PCM. Refer to Powertrain Control Module Replacement .

Is the action complete?

--

Go to Step 2

--

24

Repair the open serial data circuit between the splice and the DLC.

Is the action complete?

--

Go to Step 2

--

25

  1. Inspect the PCM ignition positive voltage fuse for being open.
  2. If the fuse is open repair the short to ground at the PCM ignition positive voltage circuit.

Did you find and repair a problem?

--

Go to Step 2

Go to Step 26

26

  1. Disconnect the PCM ignition positive voltage fuse.
  2. Connect a test lamp J 35616-200 to battery ground and probe the fuse terminals.
  3. If the test lamp ON at one of the fuse terminals, repair the open between the PCM and the fuse.
  4. If the test is OFF at both terminals, repair the open between the fuse and the ignition switch.

Is the action complete?

--

Go to Step 2

--

27

Repair the open in the ignition positive voltage circuit to the PCM.

Is the action complete?

--

Go to Step 2

--