GM Service Manual Online
For 1990-2009 cars only

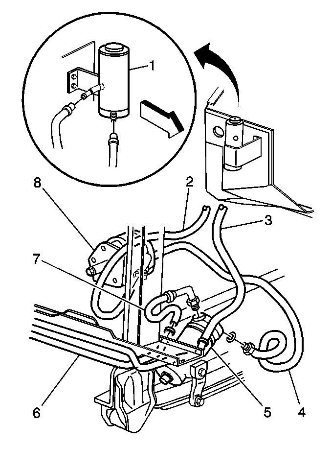
Removal Procedure

The power steering fluid cooler pipe is used on some of the vehicles. The cooler pipe is a curved aluminum pipe. The pipe is held in lace with clamps. The cooler pipe is located behind the grille panel, in front of the radiator.

  1. Tilt the hood open.

  2. Object Number: 382552  Size: MH

    Important: Cap the hose and the cooler parts in order to prevent dirt from entering the system.

  3. Remove the cooler hoses (3, 7).

  4. Object Number: 219329  Size: SH
  5. Remove the front cooler pipe clamp bolts (3).

  6. Object Number: 219340  Size: SH
  7. Remove the rear cooler pipe clamp bolts (4).

  8. Object Number: 219329  Size: SH
  9. Remove the front cooler pipe clamp washers (4).

  10. Object Number: 219340  Size: SH
  11. Remove the rear cooler pipe clamp washers (1).

  12. Object Number: 219329  Size: SH
  13. Remove the front cooler pipe clamps (2).

  14. Object Number: 219340  Size: SH
  15. Remove the rear cooler pipe clamps (3).

  16. Object Number: 382552  Size: MH

    Important: Cap the cooler pipe ends in order to prevent dirt from entering the system.

  17. Remove the cooler pipe (6).

Installation Procedure


    Object Number: 382552  Size: MH
  1. Install the cooler pipe (6) to the vehicle.

  2. Object Number: 219340  Size: SH
  3. Install the front cooler pipe clamps (3).

  4. Object Number: 219329  Size: SH
  5. Install the rear cooler pipe clamps (2).

  6. Object Number: 219340  Size: SH
  7. Install the front cooler pipe clamp washer.
  8. Notice: Use the correct fastener in the correct location. Replacement fasteners must be the correct part number for that application. Fasteners requiring replacement or fasteners requiring the use of thread locking compound or sealant are identified in the service procedure. Do not use paints, lubricants, or corrosion inhibitors on fasteners or fastener joint surfaces unless specified. These coatings affect fastener torque and joint clamping force and may damage the fastener. Use the correct tightening sequence and specifications when installing fasteners in order to avoid damage to parts and systems.

  9. Install the front cooler pipe clamp bolt.
  10. Tighten
    Tighten the front cooler pipe clamp bolt to 28 N·m (21 lb ft).


    Object Number: 219329  Size: SH
  11. Install the rear cooler pipe clamp washer.
  12. Install the rear cooler pipe clamp bolt (3).
  13. Tighten
    Tighten the rear cooler pipe clamp bolt to 13 N·m (115 lb in).


    Object Number: 219346  Size: MH
  14. Install the cooler hoses (2, 4).
  15. Tighten
    Tighten the components to the following specifications:

    • The cooler hose connection to the steering gear to 28 N·m (21 lb ft).
    • The cooler hose connections to the cooler pipe to 2.5 N·m (22 lb in).
  16. Bleed the system. Refer to Power Steering System Bleeding .