GM Service Manual Online
For 1990-2009 cars only

Power Steering System Bleeding Remote Reservoir

Bleeding Procedure

Tools Required

J 42971 Quick Disconnect Tool

Important: Always clean the connectors and lubricate the tool end in power steering fluid when inserting into the coupling.

Important: Check all power steering system quick connect connections by trying to pull the hose assembly out of the fitting using a firm hand tug. Repeat the step if the connector is pulled out of the male fitting. If the problem persists, inspect and replace the hose assembly if the quick connect is damaged.

Be sure to bleed air from the system when the following actions are taken:

    • A power steering pump is installed.
    • A fluid hose is connected.
        If air is present in the power steering fluid system, the steering system will be noisy and will operate unsatisfactorily.

Use only the specified power steering fluid when bleeding or refilling the system. Refer to Fluid and Lubricant Recommendations .

Ensure that the following connections are tightly closed:

    • The hose clamps
    • The hose connectors
    • The fittings
        This action will prevent air from entering the system or fluid leaks.
        Ensure that the power steering fluid level is sufficient to maintain fluid in the reservoir at all times during the bleeding procedure. Refer to Approximate Fluid Capacities .
    • This procedure is designed to minimize the chance of fluid aeration or overflow during the bleeding process.

    Object Number: 218961  Size: SH

    Important: Do not install the reservoir cap during the bleeding procedure on remote reservoir models. Air may be trapped in the system. When the engine is stopped, power steering fluid will be forced out through the breather hole in the cap.

  1. Install one of the following caps in order to prevent overflow:
  2. • An integral reservoir cap GM P/N 26018909
    • A fabricated overflow cap
    • Fabricate an overflow cap from a reservoir cap (5) with a 1.8 M (6 ft) hydraulic hose (1) attached at the center.
  3. Raise the front end of the vehicle off the ground until the wheels are free to rotate.
  4. Refer to Lifting and Jacking the Vehicle in General Information.

  5. Remove the drag link at the pitman arm.
  6. Important: The following actions may cause increased steering gear travel:

       • Removal of the drag link at the pitman arm
       • Turning the steering wheel from stop to stop

  7. It may be necessary to readjust the poppet valve in the TRW Ross power steering gear. Use the poppet adjusting screw assembly kit in order to readjust the poppet valve. Refer to Power Steering Gear Poppet Valve Readjustment .

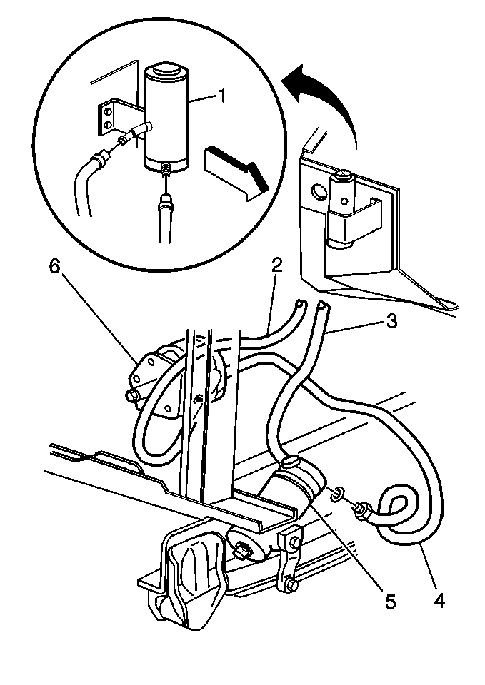
  8. Object Number: 218963  Size: SH
  9. Fill the reservoir (2) to within 13 mm (.5 in) (1) of the top.
  10. Leave the cap off.

  11. Object Number: 382557  Size: MH
  12. Use the following steps in order to remove trapped air from the hose (3):
  13. 7.1. Squeeze the reservoir hose (3) near the pump (6).
    7.2. Continue to squeeze the hose toward the reservoir (1).

    Object Number: 218963  Size: SH
  14. Fill the reservoir (3).

  15. Object Number: 218969  Size: SH

    Important: Have an assistant ready to pour power steering fluid into the reservoir (1) as soon as the engine starts. This action will prevent the entry of air in to the system.

  16. Use the following steps in order to fill the reservoir:
  17. 9.1. Start the engine
    9.2. Pour in the fluid
    9.3. Run the engine for approximately three seconds
    9.4. Shut off the engine

    Object Number: 218963  Size: SH
  18. Wait one minute. Fill the reservoir (3) again.
  19. Repeat steps 8 and 9 two more times.
  20. Start the engine.

  21. Object Number: 218969  Size: SH
  22. Inspect the fluid level (2).
  23. The fluid level should be maintained at the bottom of the reservoir (1) in order to prevent pump aeration throughout the remainder of the procedure.

  24. Pump the brake pedal on hydraulic brake booster equipped vehicles.
  25. Pump at least three times with the engine running in order to eliminate air from the brake booster.

  26. Run the engine at idle.
  27. Notice: Do not turn steering wheel hard or fast against wheel stops. Excessive force or speed can cause high hydraulic pressure or fluid overheating that can damage the gear and/or the power steering pump.

  28. Turn the steering wheel, slowly to the right.
  29. Turn the steering wheel to the right until the right wheel stop is lightly contacted.
  30. Turn the steering wheel to the left one-half turn.
  31. Turn the steering wheel to the right, lightly against the wheel stop.
  32. Repeat the procedure five times.
  33. Turn the steering wheel, slowly to the left.
  34. 21.1. Turn the steering wheel to the left until the left wheel stop is lightly contacted.
    21.2. Turn the steering wheel to the right one-half turn.
    21.3. Turn the steering wheel to the left, lightly against the wheel stop.
    21.4. Repeat the procedure five times.
  35. Maintain the oil level in the reservoir (1) just above the bottom of the reservoir (2).

  36. Object Number: 219157  Size: SH
  37. Turn the steering wheel to the center position.
  38. 23.1. Idle the engine.
    23.2. Install the fabricated cap (1).
    23.3. Place the end of the hose in a suitable container.
    23.4. Turn off the engine for at least one minute.
    23.5. Allow the air to bubble (3) out through the overflow hose on the cap (1).
  39. Remove the overflow cap.
  40. Start the engine.

  41. Object Number: 218969  Size: SH
  42. Maintain the fluid level (2) just above the bottom of the reservoir (1).
  43. Repeat steps 10 through 23.
  44. Repeat the steps as many times as necessary until there is no more than a 25 mm (1 in) rise in the reservoir fluid level with the engine stopped.

  45. Remove the safety stands.
  46. Lower the vehicle.
  47. Start the engine.
  48. Idle the engine at 1500 RPM.
  49. Turn the wheels right and left lightly against the wheel stops.
  50. Continue the procedure for 2 minutes. This should eliminate the any of the air left in the system.

  51. Shut off the engine.
  52. Inspect for leaks.

  53. Object Number: 218976  Size: SH
  54. Fill the reservoir (3) to the final level (1).

Power Steering System Bleeding Integral Reservoir

Bleeding Procedure

Be sure to bleed air from the system when the following actions are taken:

   • 

A power steering pump is installed

   • 

A fluid hose is connected

If air is present in the power steering fluid system, the steering system will be noisy and will operate unsatisfactorily.

    • Use only the specified power steering fluid when bleeding or refilling the system. Refer to Fluid and Lubricant Recommendations .
    • Ensure that the following connections are tightly closed:
       - The hose clamps
       - The hose connectors
       - The fittings
       - This action will prevent air from entering the system or fluid leaks.
    • Ensure that the power steering fluid level is sufficient to maintain fluid in the reservoir at all times during the bleeding procedure. Refer to Approximate Fluid Capacities .
    • This procedure is designed to minimize the chance of fluid aeration or overflow during the bleeding process.

    Object Number: 218961  Size: SH
  1. Install one of the following caps in order to prevent overflow:
  2. • An integral reservoir cap GM P/N 26018909
    • A fabricated overflow cap
    • Fabricate an overflow cap from a reservoir cap (5) with a 1.8 M (6 ft) hydraulic hose (1) attached at the center.
  3. Raise the front end of the vehicle off the ground until the wheels are free to rotate. Support the vehicle with suitable safety stands. Refer to Lifting and Jacking the Vehicle in General Information.
  4. Remove the drag link at the pitman arm.
  5. Important: The following actions may cause increased steering gear travel:

       • Removal of the drag link at the pitman arm
       • Turning the steering wheel stop to stop
    It may be necessary to readjust the poppet valve in the TRW Ross power steering gear.

  6. Use the poppet adjusting screw assembling kit in order to readjust the poppet valve. Refer to Power Steering Gear Poppet Valve Readjustment .

  7. Object Number: 218989  Size: SH
  8. Fill the reservoir (2) to within 13 mm (0.5 in) (1) of the top.
  9. Leave the cap off.
  10. Use the following steps in order to remove trapped air from the hose:
  11. 7.1. Squeeze the return hose near the gearbox.
    7.2. Continue to squeeze the hose toward the reservoir (2).
  12. Recheck the reservoir fluid level.
  13. Important: Have an assistant ready to pour power steering fluid into the reservoir (2) the moment the engine starts in order to prevent the entry of air in to the system.

  14. Use the following steps in order to fill the reservoir:
  15. 9.1. Start the engine.
    9.2. Pour in the fluid.
    9.3. Run the engine for approximately three seconds.
    9.4. Shut the engine off.
  16. Wait one minute and fill the reservoir (3) again.
  17. Repeat steps 7 and 8 two more times.
  18. Start the engine.

  19. Object Number: 218981  Size: SH
  20. Inspect the fluid level (2).
  21. The fluid level should be maintained at the bottom of the reservoir (1) in order to prevent pump aeration throughout the remainder of the procedure.

  22. Pump the brake pedal on hydraulic brake booster equipped vehicles. Pump at least three times with the engine running in order to eliminate air from the brake booster.
  23. Run the engine at idle.
  24. Notice: Do not turn steering wheel hard or fast against wheel stops. Excessive force or speed can cause high hydraulic pressure or fluid overheating that can damage the gear and/or the power steering pump.

  25. Turn the steering wheel, slowly to the right.
  26. 16.1. Turn the steering wheel to the right until the right wheel stop is lightly contacted.
    16.2. Turn the steering wheel to the left one-half turn.
    16.3. Turn the steering wheel to the right, lightly against the wheel stop.
    16.4. Repeat the procedure five times.
  27. Turn the steering wheel, slowly to the left.
  28. 17.1. Turn the steering wheel to the left until the left wheel stop is lightly contacted.
    17.2. Turn the steering wheel to the right one-half turn.
    17.3. Turn the steering wheel to the left, lightly against the wheel stop.
    17.4. Repeat the procedure five times.
  29. Maintain the oil level in the reservoir (1) just above the bottom of the reservoir (2).

  30. Object Number: 218996  Size: SH
  31. Turn the steering wheel to the center position.
  32. 19.1. Idle the engine.
    19.2. Install the fabricated cap.
    19.3. Place the end of the hose in a suitable container.
    19.4. Turn off the engine for at least one minute.
    19.5. Allow the air to bubble (2) out through the overflow hose on the cap .
  33. Remove the overflow cap.
  34. Start the engine.

  35. Object Number: 218981  Size: SH
  36. Maintain the fluid level (2) just above the bottom of the reservoir (1).
  37. Repeat steps 10 through 19.
  38. Repeat the steps as many times as necessary until there is no more than a 25 mm (1 in) rise in the reservoir fluid level with the engine stopped.

  39. Remove the safety stands.
  40. Lower the vehicle.
  41. Start the engine.
  42. Idle the engine at 1500 RPM.
  43. Turn the wheels right and left lightly against the wheel stops.
  44. Continue the procedure for 2 minutes. This should eliminate the any of the air left in the system.

  45. Shut off the engine.
  46. Inspect for leaks.

  47. Object Number: 219005  Size: SH
  48. Fill the reservoir (3) to the final level (2).