GM Service Manual Online
For 1990-2009 cars only
Makes
🢒
Chevrolet
🢒
1999
🢒
Chevrolet C-Series Medium Duty Truck B7
🢒
Body and Accessories
🢒
Data Link Communications
🢒 Data Link Connector Schematics
Figure
1:
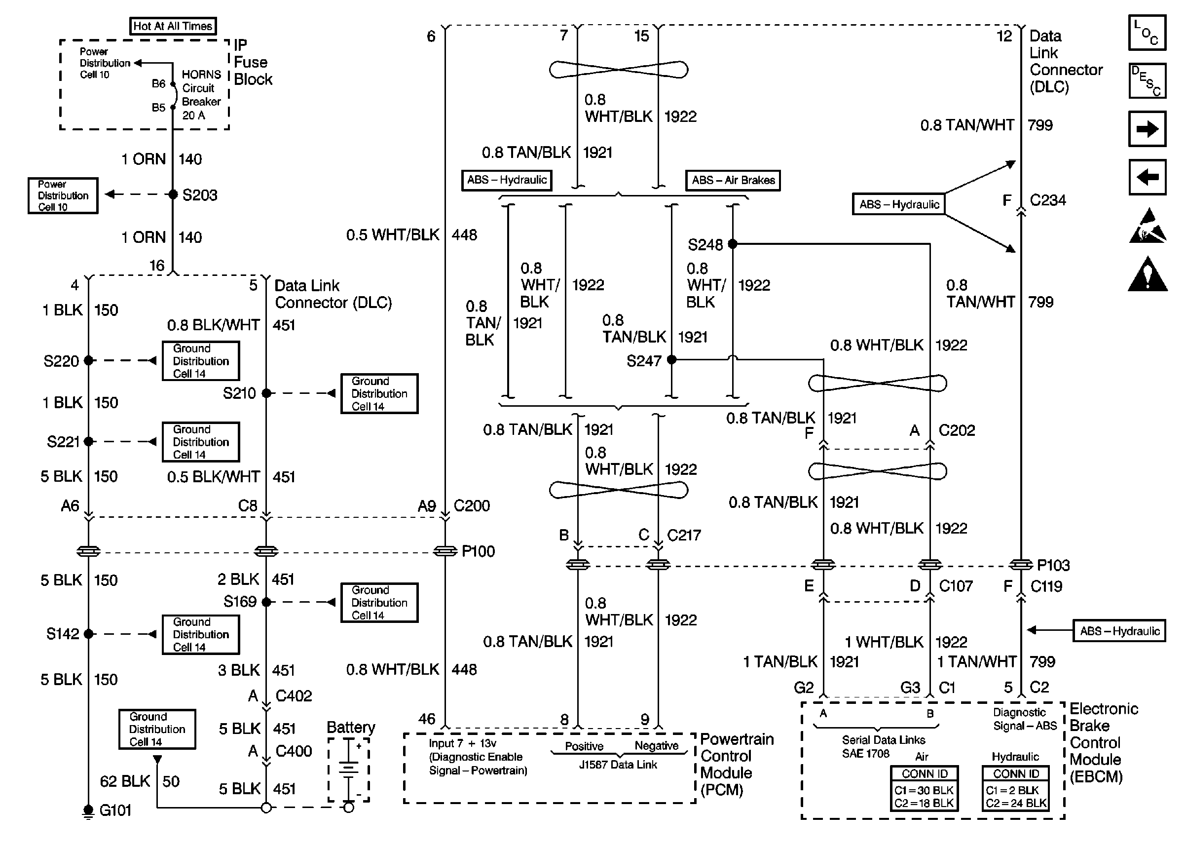
Cell 50: Gasoline Engine Data Link Connector
Data Link Communications Components
Data Link Communications Circuit Description All Engines
Cell 50: Cat® Diesel Engine Data Link Connector
Handling ESD Sensitive Parts Notice
Data Link Communications Circuit Description Twisted Pair-12
Figure
2:
Cell 50: Cat® Diesel Engine Data Link Connector
Data Link Communications Components
Data Link Communications Circuit Description All Engines
Cell 50: GM Diesel
Cell 50: Gasoline Engine Data Link Connector
Handling ESD Sensitive Parts Notice
Data Link Communications Circuit Description Twisted Pair-12