GM Service Manual Online
For 1990-2009 cars only
Makes
🢒
Chevrolet
🢒
1999
🢒
Chevrolet C-Series Medium Duty Truck B7
🢒
Body and Accessories
🢒
Lighting Systems
🢒 Headlights/Daytime Running Lights (DRL) Schematics
Figure
1:
Cell 102: Daytime Running Lights (DRL) Diode Module, Headlamps Dimmer Switch, Daytime Running Lights (DRL) Control Module
Lighting Systems Components Headlights: Daytime Running Li
Headlights/Daytime Running Lights (DRL) Circuit Description
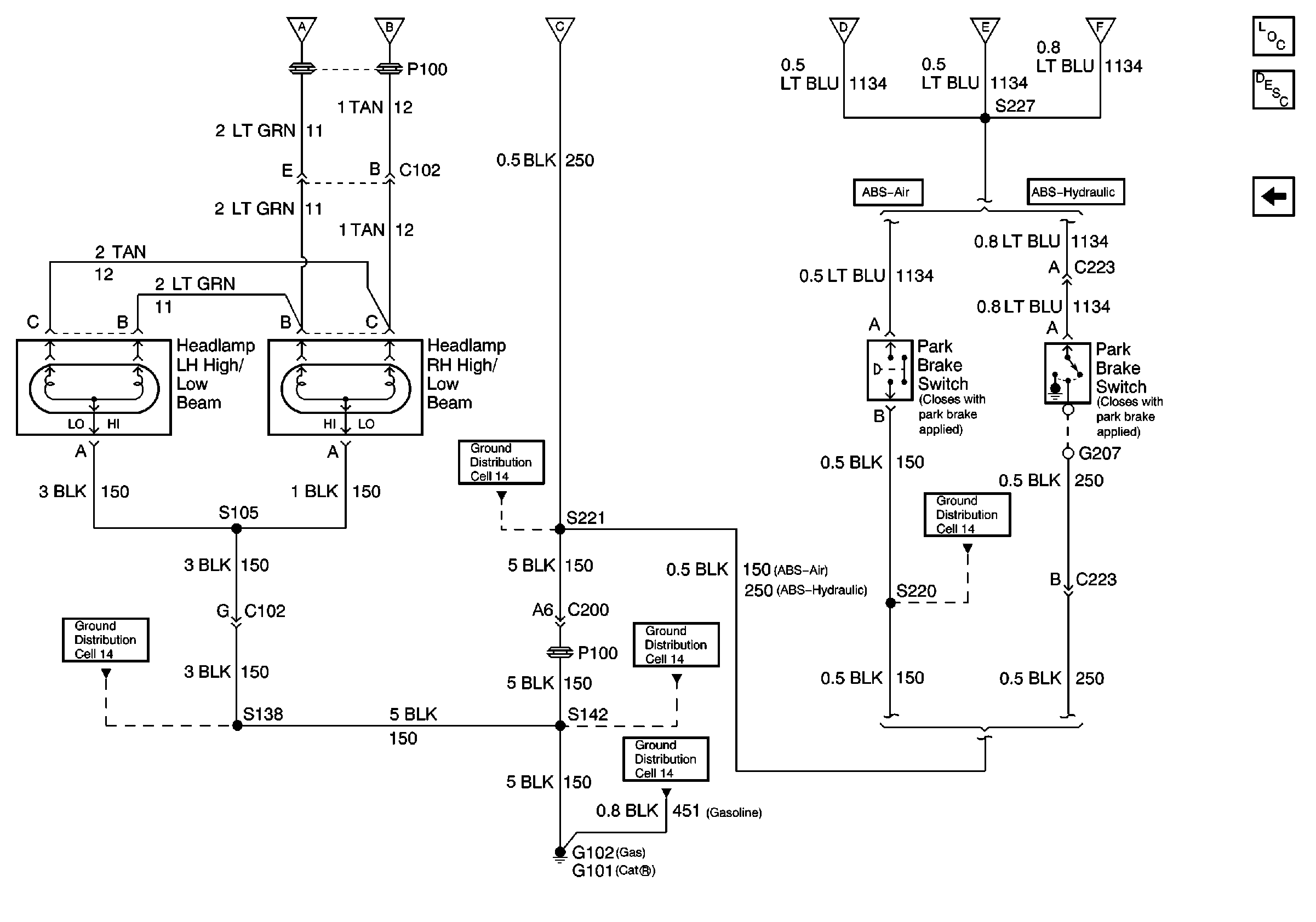
Cell 102: G102, Headlamps and Park Brake Switch
Handling ESD Sensitive Parts Notice
Handling ESD Sensitive Parts Notice
Cell 102: G102, Headlamps and Park Brake Switch
Cell 102: G102, Headlamps and Park Brake Switch
Cell 102: G102, Headlamps and Park Brake Switch
Cell 102: G102, Headlamps and Park Brake Switch
Cell 102: G102, Headlamps and Park Brake Switch
Cell 102: G102, Headlamps and Park Brake Switch
Figure
2:
Cell 102: G102, Headlamps and Park Brake Switch
Lighting Systems Components Headlights: Daytime Running Li
Headlights/Daytime Running Lights (DRL) Circuit Description
Cell 102: Daytime Running Lights (DRL) Diode Module, Headlamps Dimmer SwItch, Daytime Running Lights (DRL) Control Module