GM Service Manual Online
For 1990-2009 cars only
Figure 1:

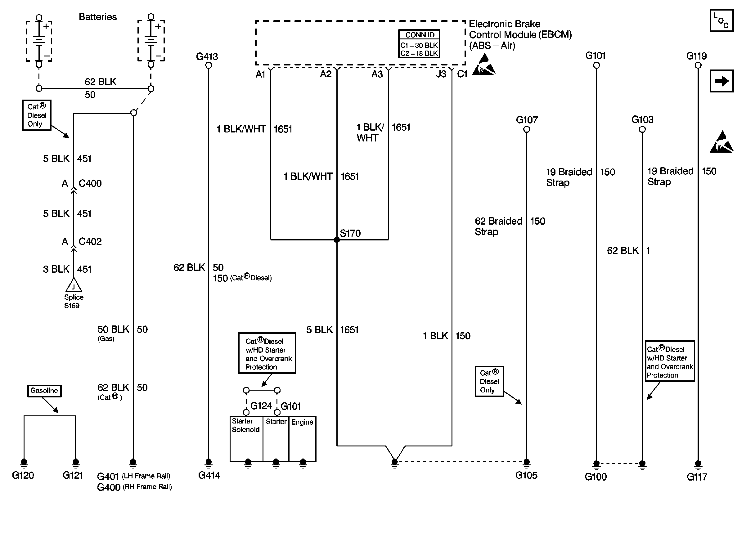
Cell 14: Batteries, G101, G103, G105, G107, G117, G119, G120, G121, G124, G400, G401, G413 and G414


Object Number: 295382  Size: FS
Power and Grounding Components Ground Distribution
Cell 14: Gasoline Engine, G102
Handling ESD Sensitive Parts Notice
Figure 2:

Cell 14: Gasoline Engine, G102


Object Number: 381597  Size: FS
Power and Grounding Components Ground Distribution
Cell 14: Gasoline Engine, S138
Cell 14: Batteries, G101, G103, G105, G107, G117, G119, G120, G121,G124, G400, G401, G413 and G414
Handling ESD Sensitive Parts Notice
Figure 3:

Cell 14: Gasoline Engine, S138


Object Number: 381598  Size: FS
Power and Grounding Components Ground Distribution
Cell 14: Gasoline Engine, S178, S179, Ignition Coil Grounds
Cell 14: Gasoline Engine, G102
Cell 14: Gasoline Engine, G102
Figure 4:

Cell 14: Gasoline Engine, S178, S179, Ignition Coil Grounds


Object Number: 381600  Size: FS
Power and Grounding Components Ground Distribution
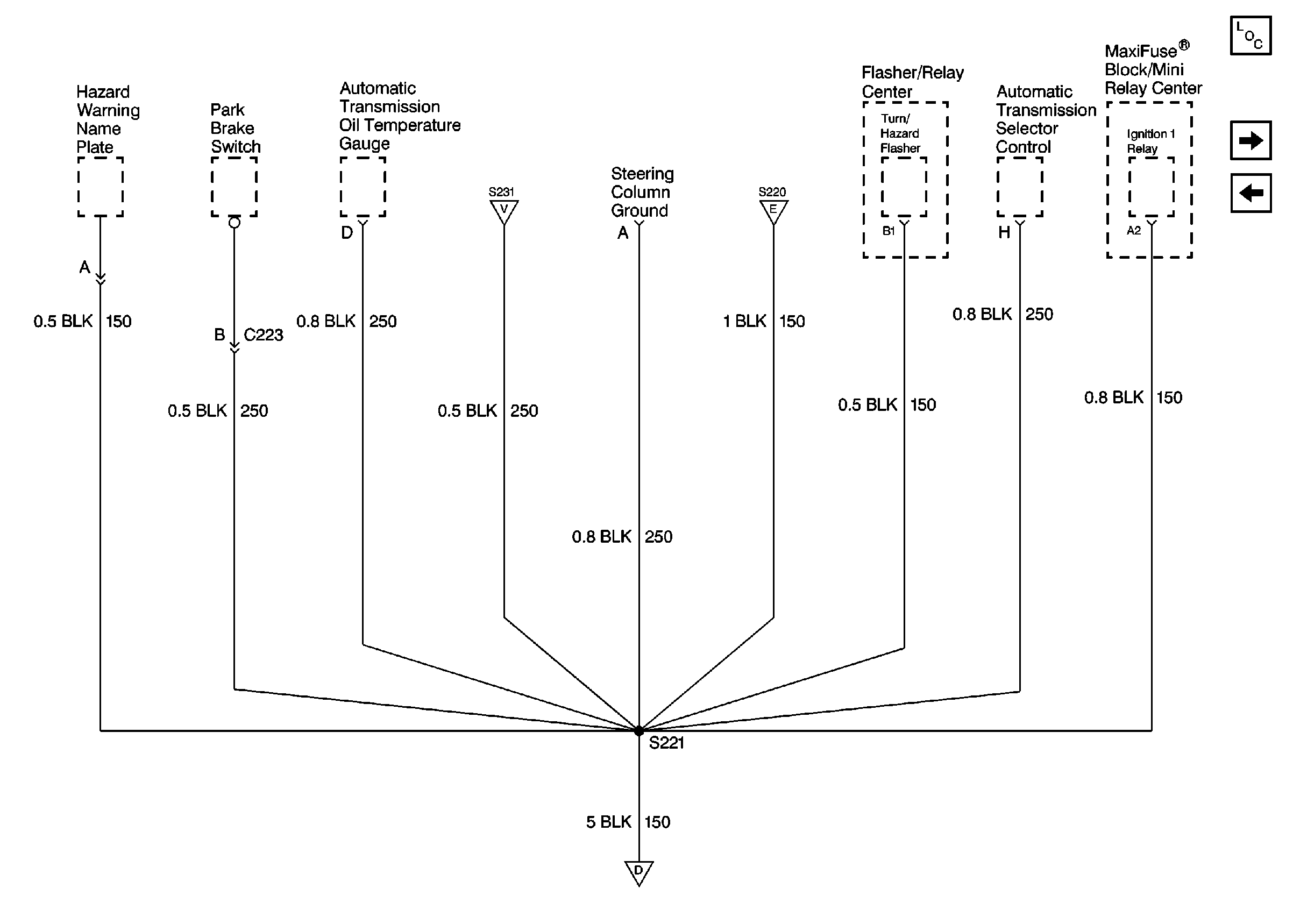
Cell 14: Gasoline Engine, S221
Cell 14: Gasoline Engine, S138
Handling ESD Sensitive Parts Notice
Cell 14: Gasoline Engine, S138
Cell 14: Gasoline Engine, S138
Figure 5:

Cell 14: Gasoline Engine, S221


Object Number: 381601  Size: FS
Power and Grounding Components Ground Distribution
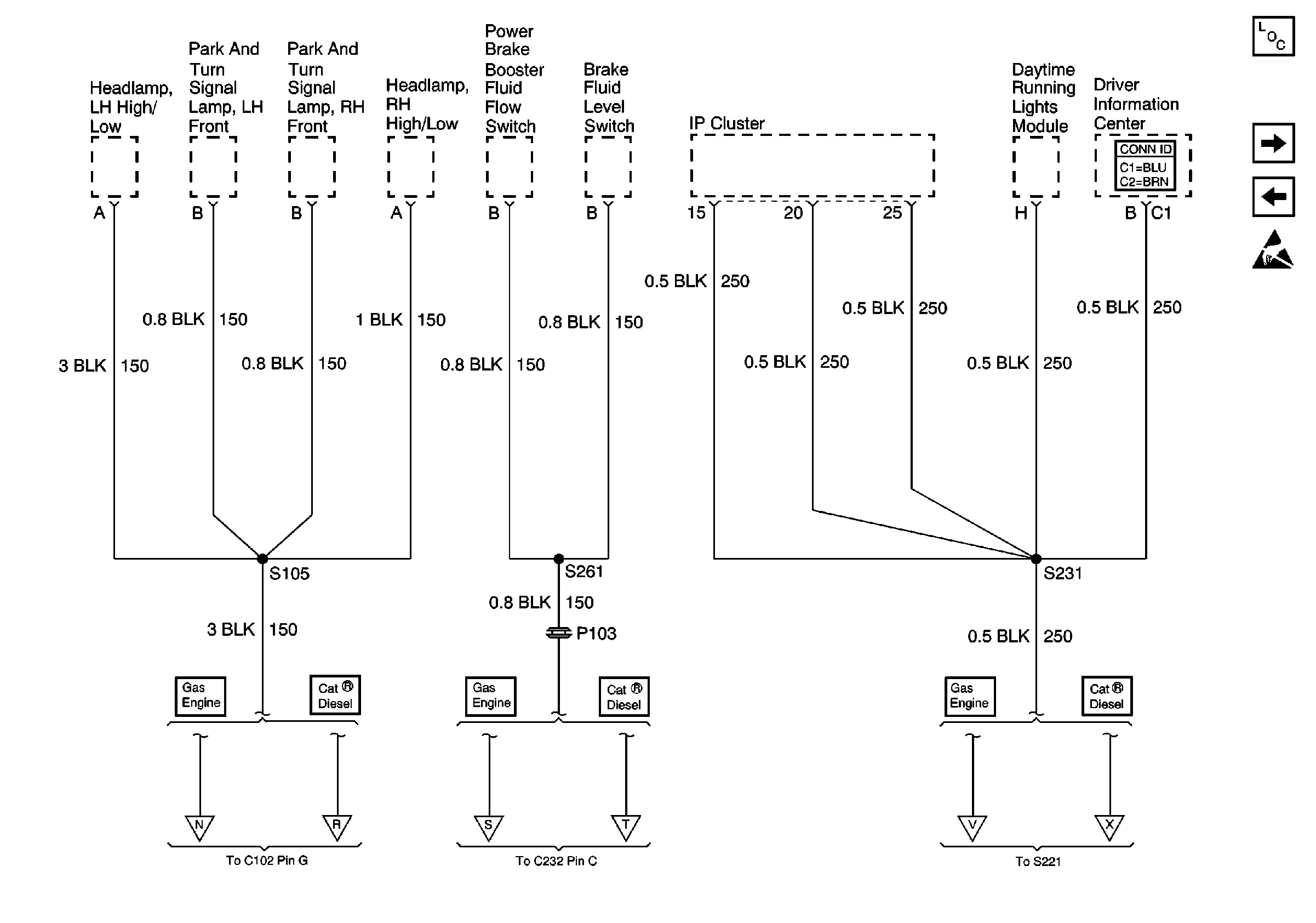
Cell 14: Gasoline Engine, S220
Cell 14: Gasoline Engine, S178, S179, Ignition Coil Grounds
Cell 14: Gasoline Engine, G102
Figure 6:

Cell 14: Gasoline Engine, S220


Object Number: 381603  Size: FS
Power and Grounding Components Ground Distribution
Cell 14: Gasoline Engine, G102, S141 and S210
Cell 14: Gasoline Engine, S221
Handling ESD Sensitive Parts Notice
Cell 14: Gasoline Engine, S221
Figure 7:

Cell 14: Gasoline Engine, G102, S141 and S210


Object Number: 381605  Size: FS
Power and Grounding Components Ground Distribution
Cell 14: Cat Diesel Engine, G101, S138 and S405
Cell 14: Gasoline Engine, S220
Handling ESD Sensitive Parts Notice
Figure 8:

Cell 14: Cat Diesel Engine, G101, S138 and S405


Object Number: 381607  Size: FS
Power and Grounding Components Ground Distribution
Cell 14: Cat Diesel Engine, S142
Cell 14: Gasoline Engine, G102, S141 and S210
Figure 9:

Cell 14: Cat Diesel Engine, S142


Object Number: 381609  Size: FS
Power and Grounding Components Ground Distribution
Cell 14: Cat Diesel Engine, S221
Cell 14: Cat Diesel Engine, G101, S138 and S405
Cell 14: Cat Diesel Engine, G101, S138 and S405
Figure 10:

Cell 14: Cat Diesel Engine, S221


Object Number: 381611  Size: FS
Power and Grounding Components Ground Distribution
Cell 14: Cat Diesel Engine, S220
Cell 14: Cat Diesel Engine, S142
Cell 14: Cat Diesel Engine, S142
Figure 11:

Cell 14: Cat Diesel Engine, S220


Object Number: 381614  Size: FS
Power and Grounding Components Ground Distribution
Cell 14: Cat Diesel Engine, S169 and S210
Cell 14: Cat Diesel Engine, S221
Handling ESD Sensitive Parts Notice
Cell 14: Cat Diesel Engine, S221
Figure 12:

Cell 14: Cat Diesel Engine, S169 and S210


Object Number: 295405  Size: FS
Power and Grounding Components Ground Distribution
Cell 14: GM Diesel G102, S138 and S142
Cell 14: Cat Diesel Engine, S220
Handling ESD Sensitive Parts Notice
Cell 14: Batteries, G101, G103, G105, G107, G117, G119, G120, G121,G124, G400, G401, G413 and G414
Figure 13:

Cell 14: Forward Lamps, IP Cluster, Brake Switches


Object Number: 381630  Size: FS
Power and Grounding Components Ground Distribution
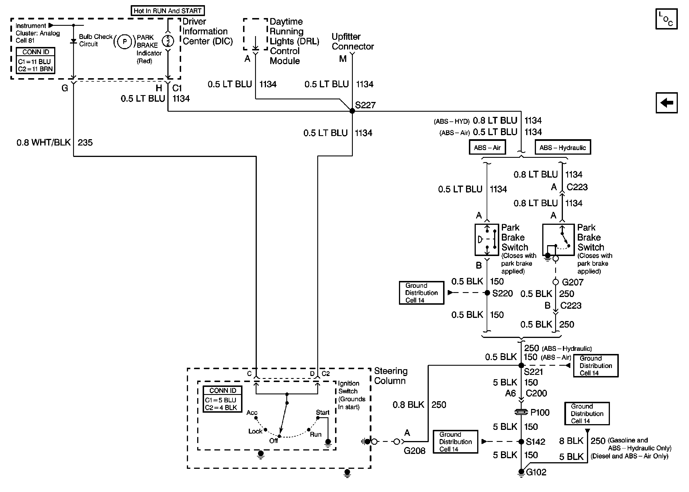
Cell 14: Ignition Switch Bulb Check Circuits 235 and 1134
Cell 14: GM Diesel, G117, S141, S210
Handling ESD Sensitive Parts Notice
Cell 14: Gasoline Engine, G102
Cell 14: GM Diesel G102, S138 and S142
Cell 14: Cat Diesel Engine, G101, S138 and S405
Cell 14: Gasoline Engine, S220
Cell 14: Cat Diesel Engine, S221
Cell 14: Gasoline Engine, S221
Cell 14: GM Diesel Engine, S221
Cell 14: Cat Diesel Engine, S221
Figure 14:

Cell 14: Ignition Switch Bulb Check Circuits 235 and 1134


Object Number: 302390  Size: FS
Power and Grounding Components Ground Distribution
Cell 14: Forward Lamps, IP Cluster, Brake Switches