GM Service Manual Online
For 1990-2009 cars only
Makes
🢒
Chevrolet
🢒
1999
🢒
Chevrolet C-Series Medium Duty Truck B7
🢒
Body and Accessories
🢒
Cruise Control
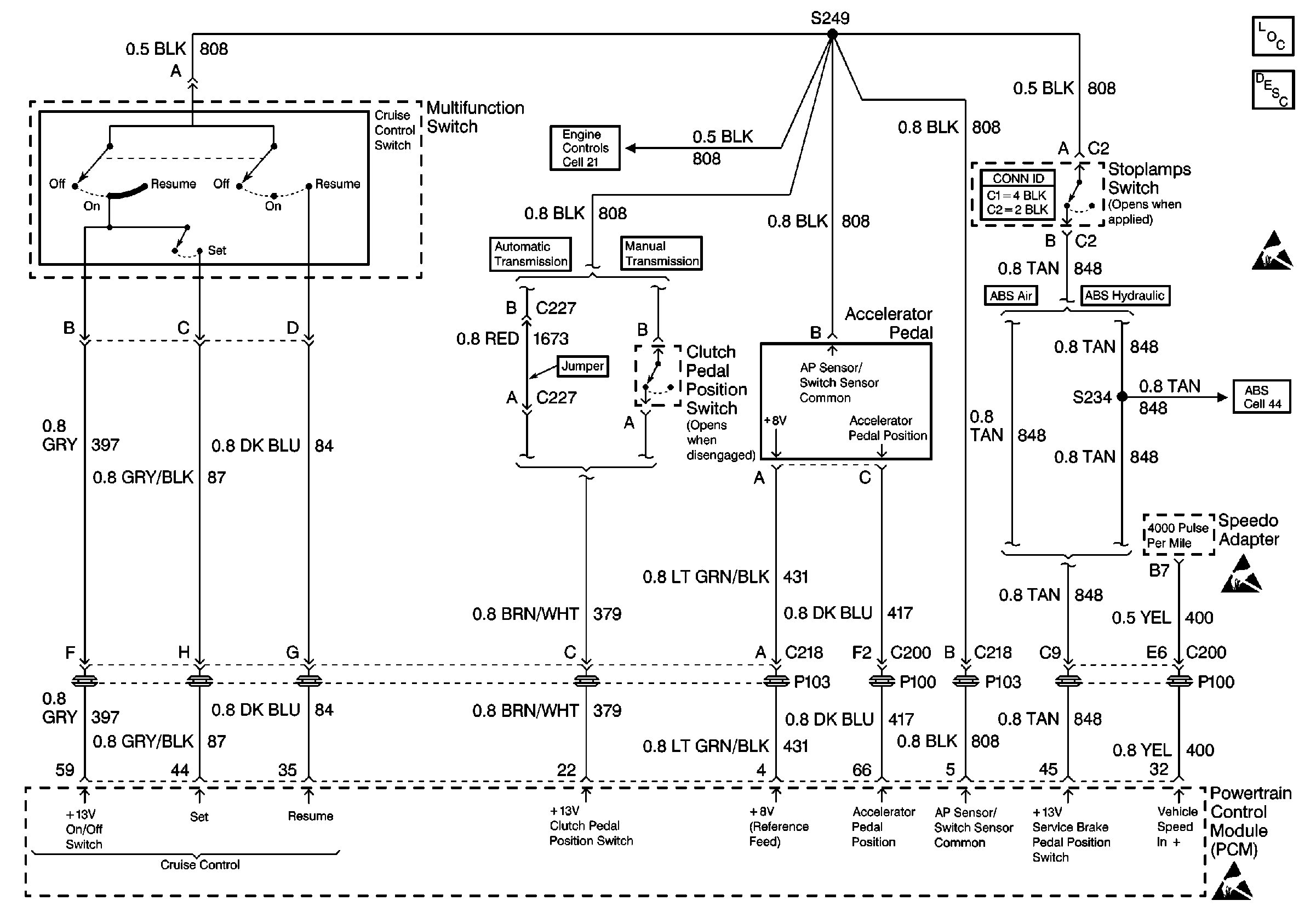
🢒 Cruise Control Schematics
Cell 34
Cruise Control Components
Cruise Control System Circuit Description LG5
Handling ESD Sensitive Parts Notice