GM Service Manual Online
For 1990-2009 cars only
Makes
🢒
Chevrolet
🢒
1999
🢒
Chevrolet C-Series Medium Duty Truck B7
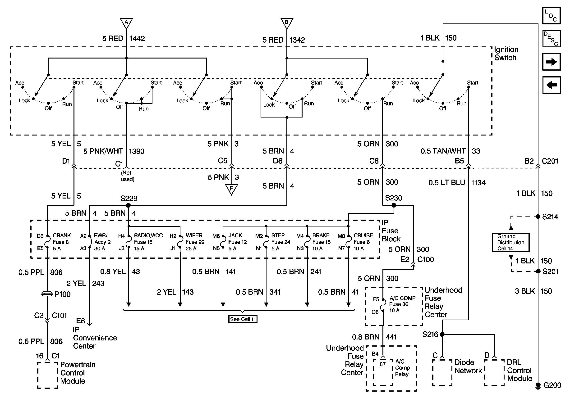
🢒 Cell 10: Ignition Switch, Switched Fuses
Cell 10: Ignition Switch, Switched Fuses
Cell 10: Ignition Switch, Switched Fuses
Power and Grounding Components
Cell 10: Hot in Run and Start Fuses
Cell 10: Always Hot Secondary Fuses
Cell 10: Battery, Always Hot Primary Fuses
Cell 10: Battery, Always Hot Primary Fuses
Cell 10: Hot in Run and Start Fuses
Cell 11: Hot in Run, Hot in Run and Accy Fuses
Cell 14: G200