GM Service Manual Online
For 1990-2009 cars only
Makes
🢒
Chevrolet
🢒
1999
🢒
Chevrolet C-Series Medium Duty Truck B7
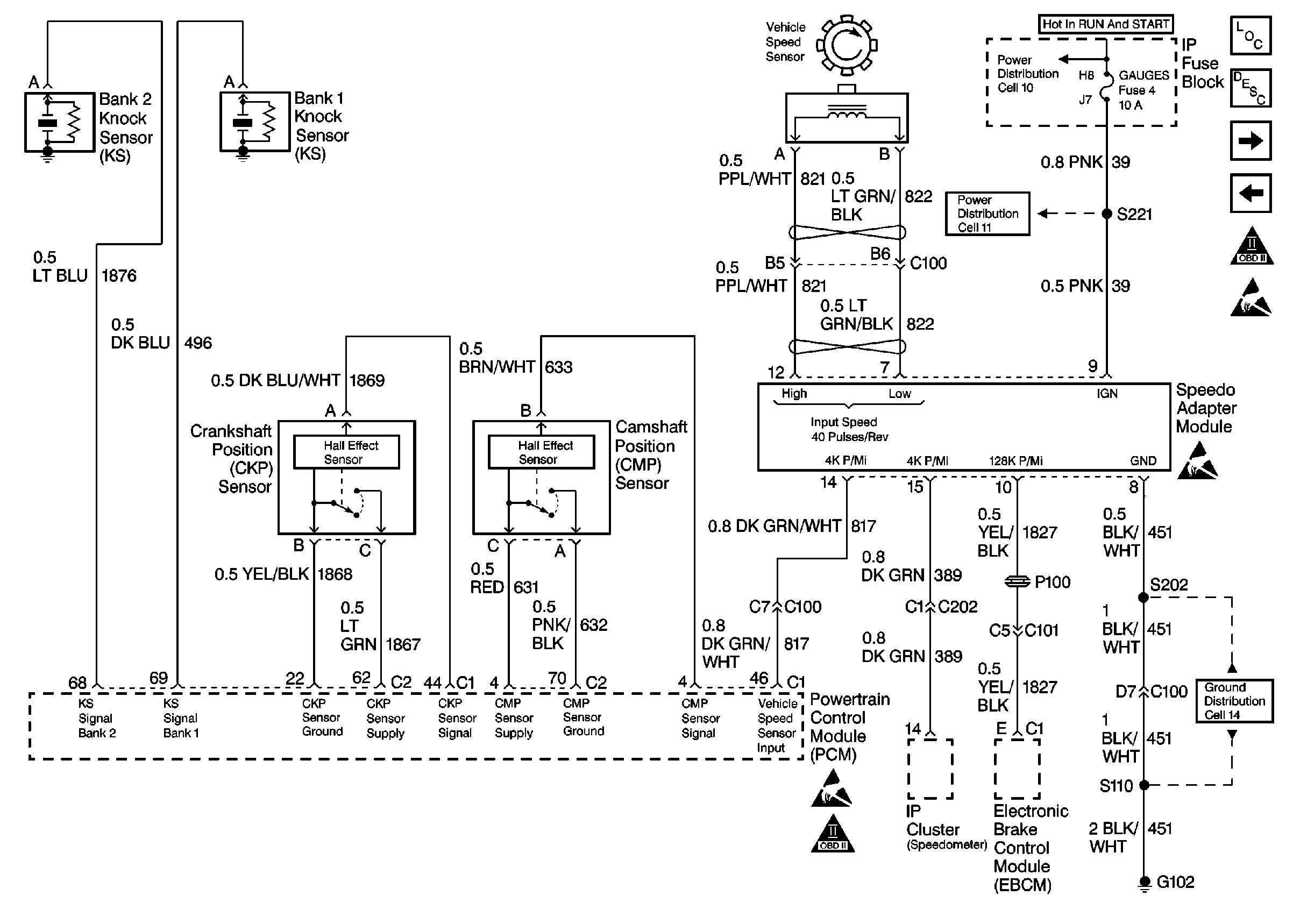
🢒 Cell 20: Knock Sensors, VSS, Camshaft and Crankshaft Position Sensors
Cell 20: Knock Sensors, VSS, Camshaft and Crankshaft Position Sensors
Cell 20: Knock Sensors, VSS, Camshaft and Crankshaft Position Sensors
Engine Controls Components
Electronic Ignition (EI) System Description
Cell 20: Ignition Coils
Cell 20: Grounds, Data Lines, Power Input, MIL Lamp
OBD II Symbol Description Notice
Handling Electrostatic Discharge Sensitive Parts Notice
Cell 10: Hot in Run and Start Fuses
Cell 11: Gauges, Turn/Backup, and ETM fuses
Cell 14: G102
Handling Electrostatic Discharge Sensitive Parts Notice