GM Service Manual Online
For 1990-2009 cars only
Makes
🢒
Chevrolet
🢒
1999
🢒
Chevrolet C-Series Medium Duty Truck B7
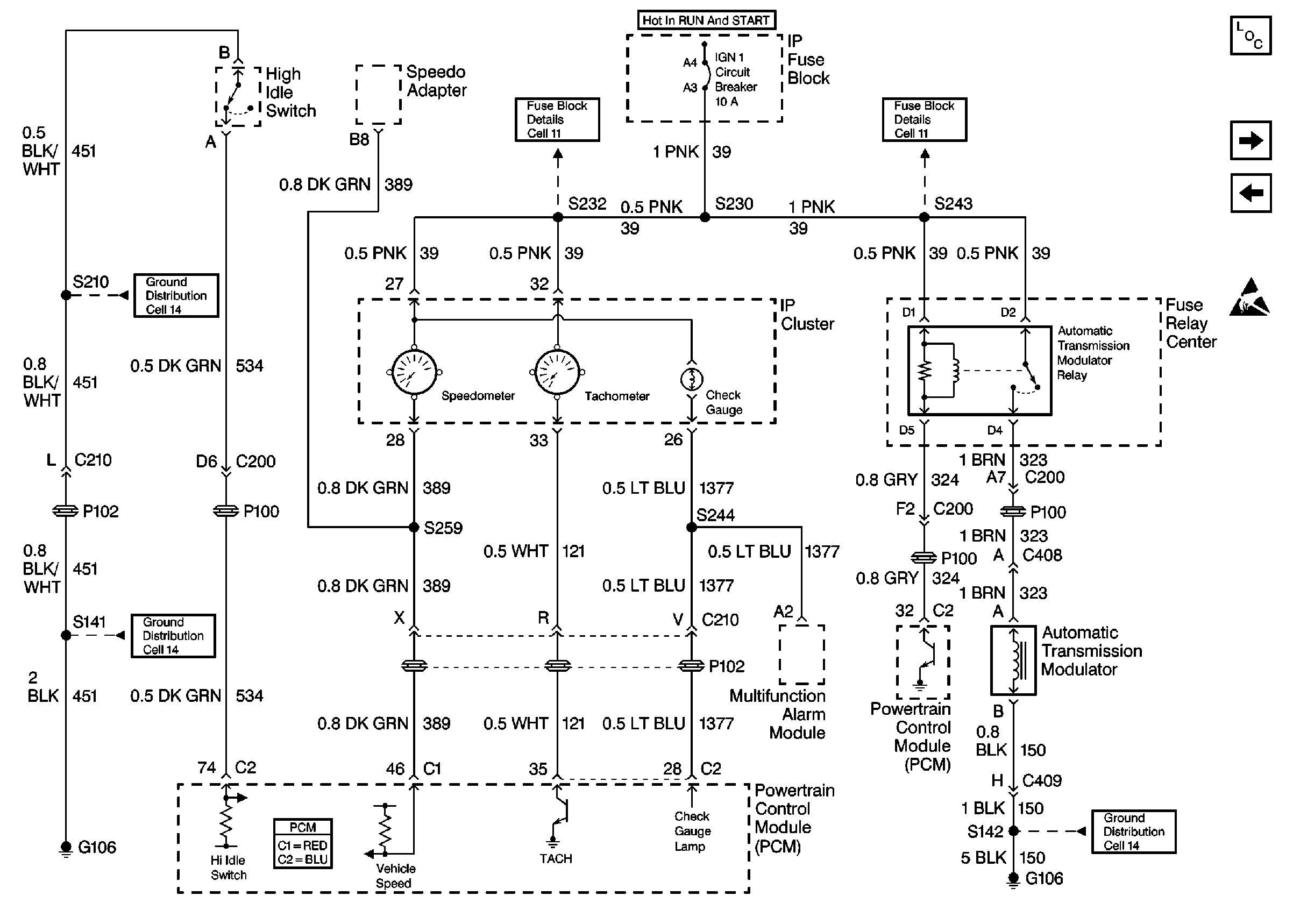
🢒 Cell 20: IP Cluster, Transmission Controls, Multifuction Alarm Module
Cell 20: IP Cluster, Transmission Controls, Multifuction Alarm Module
Cell 20: IP Cluster, Transmission Controls, Multifuction Alarm Module
Engine Controls Components
Cell 20: Driver Information Center, Engine Controls
Cell 20: IP Fuse Block, Speedo, Speedo Adapter, Vehicle Speed Sensor
Handling ESD Sensitive Parts Notice