GM Service Manual Online
For 1990-2009 cars only

Refer to

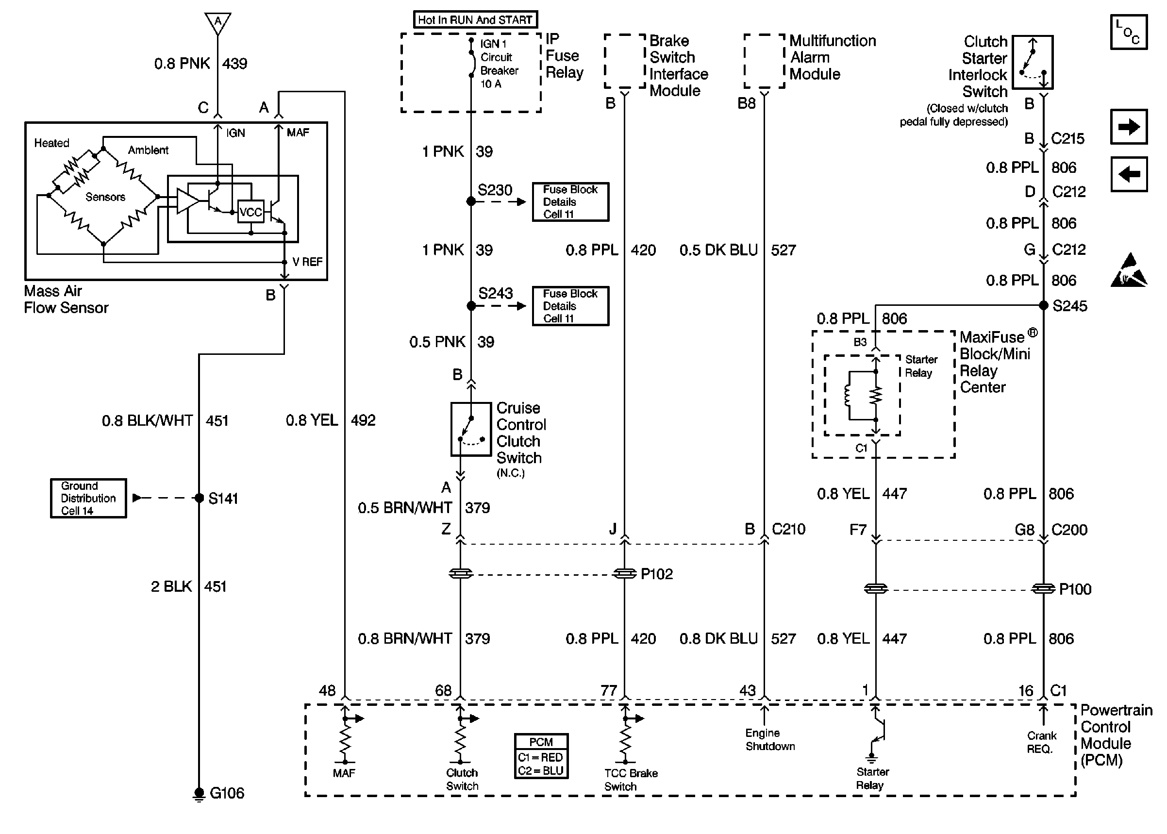
Cell 20: Starting Controls, Mass Air Flow Sensor


Object Number: 330347  Size: FS
Engine Controls Components
Cell 20: IP Fuse Block, Speedo, Speedo Adapter, Vehicle Speed Sensor
Cell 20: Oxygen Sensors, Knock Sensors, Canister Purge Solenoid
Handling ESD Sensitive Parts Notice

Circuit Description

The clutch switch is a normally closed switch (clutch pedal released). The PCM detects an ignition voltage on the clutch switch circuit when the clutch switch is closed. The PCM detects 0 volts on the clutch switch circuit when the clutch switch is open (clutch pedal depressed).

This DTC determines if the Transmission Clutch switch has failed by looking for a clutch switch transition during a predetermined drive cycle.

Conditions for Running the DTC

No VSS DTCs.

Conditions for Setting the DTC

    • The vehicle speed goes from 0 mph to greater than 24 mph and back to 0 mph for 2 seconds without the PCM detecting a clutch transition.
    • This must occur 4 times before the diagnostic reports a fault.

Action Taken When the DTC Sets

    • The PCM stores the DTC information into memory when the diagnostic runs and fails.
    • The Malfunction Indicator Lamp (MIL) will not illuminate.
    • The PCM records the operating conditions at the time the diagnostic fails. The PCM stores this information in the Failure Records.

Conditions for Clearing the MIL/DTC

    • A last test failed (current DTC) clears when the diagnostic runs and does not fail.
    • A History DTC clears after forty consecutive warm-up cycles, if this or any other emission related diagnostic does not report any failures.
    • Use a scan tool in order to clear the MIL/DTC.

Diagnostic Aids

Important: Remove any debris from the PCM\TAC module connector surfaces before servicing the PCM\TAC module. Inspect the PCM\TAC module connector gaskets when diagnosing/replacing the modules. Ensure that the gaskets are installed correctly. The gaskets prevent water intrusion into the PCM\TAC modules.

The following may cause an intermittent:

    • Check for poor connections. Check for adequate terminal tension. Refer to Wiring Repairs Wiring Systems for proper procedure.
    • Corrosion
    • Mis-routed harness
    • Rubbed through wire insulation
    • Broken wire inside the insulation

Using Freeze Frame and/or Failure Records data may aid in locating an intermittent condition. If you cannot duplicate the DTC, the information included in the Freeze Frame and/or Failure Records data can aid in determining how many miles since the DTC set. The Fail Counter and Pass Counter can also aid determining how many ignition cycles the diagnostic reported a pass and/or a fail. Operate the vehicle within the same freeze frame conditions (RPM, load, vehicle speed, temperature etc.) that you observed. This will isolate when the DTC failed. For an intermittent, refer to Lack of Power, Sluggishness, or Sponginess .

Test Description

The numbers below refer to the step numbers on the diagnostic table.

  1. This step determines if the fault is present.

Step

Action

Value(s)

Yes

No

1

Did you perform the Powertrain On-Board Diagnostic (OBD) System Check?

--

Go to Step 2

Go to Powertrain On Board Diagnostic (OBD) System Check

2

  1. Install a scan tool.
  2. Turn ON the ignition leaving the engine OFF.
  3. Monitor the Clutch Switch parameter using the scan tool.
  4. Depress and release the clutch pedal several times.

Does the scan tool display change states when the clutch is depressed and released?

--

Go to Diagnostic Aids

Go to Step 3

3

  1. Turn OFF the ignition.
  2. Disconnect the clutch switch connector.
  3. Jumper the clutch switch ignition feed to the clutch switch signal circuit using a fused jumper wire.
  4. Turn ON the ignition leaving the engine OFF.

Does the scan tool display the Clutch Switch Released?

--

Go to Step 4

Go to Step 5

4

Remove the jumper.

Does the scan tool display the Clutch Switch Depressed?

--

Go to Step 7

Go to Step 6

5

Probe the clutch switch ignition feed circuit with a test lamp connected to a ground.

Is the test lamp illuminated?

--

Go to Step 8

Go to Step 9

6

Check for a short to B+ on the clutch switch signal circuit. Refer to Wiring Repairs in Wiring Systems.

Did you find and repair the condition?

--

Go to Step 13

Go to Step 10

7

Check for poor terminal contact for the clutch switch signal circuit at the clutch switch connector. Refer to Wiring Repairs in Wiring Systems.

Did you find and repair the condition?

--

Go to Step 13

Go to Step 10

8

Check for an open in the clutch switch signal circuit. Refer to Wiring Repairs in Wiring Systems.

Did you find and repair the condition?

--

Go to Step 13

Go to Step 11

9

Repair the open in the clutch switch ignition feed circuit. Refer to Wiring Repairs in Wiring Systems.

Is the action complete?

--

Go to Step 13

--

10

Replace the clutch switch.

Is the action complete?

--

Go to Step 13

--

11

Check the terminal tension at the PCM connector for the clutch switch signal circuit. Refer to Wiring Repairs in Wiring Systems.

Did you find and repair the condition?

--

Go to Step 13

Go to Step 12

12

Important:: Program the replacement PCM. Refer to Powertrain Control Module Replacement .

Replace the PCM.

Is the action complete?

--

Go to Step 13

--

13

  1. Select the Diagnostic Trouble Codes (DTC) option and the Clear DTC Information option using the scan tool.
  2. Idle the engine at the normal operating temperature.
  3. Select the Specific DTC option under the Diagnostic Trouble Code (DTC) option using a scan tool.
  4. Operate vehicle within the Conditions for Running this DTC as specified in the supporting text, if applicable.

Does the scan tool indicate that this test ran and passed?

--

Go to Step 14

Go to Step 2

14

Select the Capture Info option and the Review Info option using the scan tool.

Are any DTCs displayed that you have not diagnosed?

--

Go to Applicable DTC Table

System OK