GM Service Manual Online
For 1990-2009 cars only

Generator Replacement LG5

Removal Procedure

Important: Some vehicles may require you to remove other equipment in order to access the generator, drive belts and brackets.


    Object Number: 215041  Size: MH

    Caution: Unless directed otherwise, the ignition and start switch must be in the OFF or LOCK position, and all electrical loads must be OFF before servicing any electrical component. Disconnect the negative battery cable to prevent an electrical spark should a tool or equipment come in contact with an exposed electrical terminal. Failure to follow these precautions may result in personal injury and/or damage to the vehicle or its components.

  1. Disconnect the negative battery cable.
  2. Disconnect the wiring connectors from the back of the generator.
  3. Remove the ground strap.
  4. Remove the drive belt.

  5. Object Number: 215039  Size: SH
  6. Remove the following components from the generator:
  7. • The mounting bolts
    • The washers and nuts
  8. Remove the generator.
  9. Remove the generator pulley.

Installation Procedure


    Object Number: 215039  Size: SH

    Important: Change the pulley of the new generator if the pulley diameter is not exactly the same as the one being removed from the vehicle.

  1. Install the generator pulley.
  2. Notice: Use the correct fastener in the correct location. Replacement fasteners must be the correct part number for that application. Fasteners requiring replacement or fasteners requiring the use of thread locking compound or sealant are identified in the service procedure. Do not use paints, lubricants, or corrosion inhibitors on fasteners or fastener joint surfaces unless specified. These coatings affect fastener torque and joint clamping force and may damage the fastener. Use the correct tightening sequence and specifications when installing fasteners in order to avoid damage to parts and systems.

  3. Install the generator shaft nut.
  4. Tighten
    Tighten the generator shaft nut to 100 N·m (75 lb ft).

  5. Install the generator to the mounting bracket using the following components:
  6. • The bolts
    • The washers and nuts.
  7. Finger tighten the bolts.
  8. Install the ground strap.
  9. Install the drive belt.
  10. Install the generator mounting bolts.
  11. Tighten

        • Tighten the top mounting bolt to 88 N·m (65 lb ft).
        • Tighten the bottom mounting bolt to 71 N·m (52 lb ft).

    Object Number: 206221  Size: SH
  12. Connect the wiring connectors to the back of the generator.
  13. Hold the hex-shaped base on the output terminal while tightening the nuts.
  14. Tighten

        • Tighten the generator output terminal nut to 11 N·m (97 lb in).
        • Tighten the generator relay terminal nut to 2 N·m (18 lb in).
        • Tighten the generator indicator terminal nut to 2 N·m (18 lb in).
  15. Connect the negative battery cable.
  16. Tighten

        • Tighten the side post terminal bolt to 15 N·m (11 lb ft).
        • Tighten the top post terminal nut to 12 N·m (9 lb ft).

Generator Replacement L21/LP4

Removal Procedure

Important: Some vehicles may require you to remove other equipment in order to access the generator, drive belts and brackets.

    Caution: Unless directed otherwise, the ignition and start switch must be in the OFF or LOCK position, and all electrical loads must be OFF before servicing any electrical component. Disconnect the negative battery cable to prevent an electrical spark should a tool or equipment come in contact with an exposed electrical terminal. Failure to follow these precautions may result in personal injury and/or damage to the vehicle or its components.

  1. Disconnect the negative battery cable. Refer to Battery Cable Replacement .
  2. Remove the air cleaner outlet front duct. Refer to Air Cleaner Outlet Front Duct Replacement in Engine Controls.
  3. Disconnect the connector from the back of the generator.
  4. Remove the ground strap. Refer to Engine Ground Strap Replacement .
  5. Remove the drive belt.

  6. Object Number: 578783  Size: SH
  7. Remove the following from the top of the generator:
  8. • The bolt (2)
    • The washers (1) and nut (5)

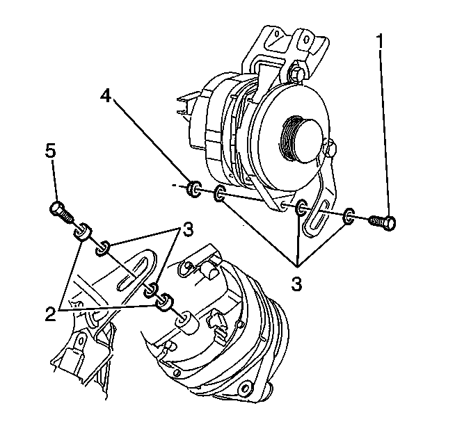
    Object Number: 578793  Size: SH
  9. Remove the following from the bottom of the generator:
  10. • the bolt (1)
    • the washers (3)
    • the nut (4)
  11. Remove the following from the rear of the generator:
  12. • the bolt (5)
    • the spacers (2)
    • the washers (3)
  13. Remove the generator.

Installation Procedure


    Object Number: 578793  Size: SH
  1. Install the generator.
  2. Notice: Use the correct fastener in the correct location. Replacement fasteners must be the correct part number for that application. Fasteners requiring replacement or fasteners requiring the use of thread locking compound or sealant are identified in the service procedure. Do not use paints, lubricants, or corrosion inhibitors on fasteners or fastener joint surfaces unless specified. These coatings affect fastener torque and joint clamping force and may damage the fastener. Use the correct tightening sequence and specifications when installing fasteners in order to avoid damage to parts and systems.

  3. Install the following to the rear of the generator:
  4. • The spacers (2)
    • The washers (3)
    • The bolt (5)

    Tighten
    Tighten the bolt to 45 N·m (33 lb ft).

  5. Install the following to the bottom of the generator:
  6. • The washers (3)
    • The bolt (1)
    • The nut (4)

    Tighten
    Tighten the nut to 45 N·m (33 lb ft).


    Object Number: 578783  Size: SH
  7. Install the following to the top of the generator:
  8. • The bolt (2)
    • The washers (1)
    • The nut (5)

    Tighten
    Tighten the nut to 50 N·m (37 lb ft).

  9. Install the connector to the back of the generator.
  10. Install the ground strap. Refer to Engine Ground Strap Replacement .
  11. Install the drive belt.
  12. Install the air cleaner outlet front duct. Refer to Air Cleaner Outlet Front Duct Replacement in Engine Controls.
  13. Caution: Unless directed otherwise, the ignition and start switch must be in the OFF or LOCK position, and all electrical loads must be OFF before servicing any electrical component. Disconnect the negative battery cable to prevent an electrical spark should a tool or equipment come in contact with an exposed electrical terminal. Failure to follow these precautions may result in personal injury and/or damage to the vehicle or its components.

  14. Connect the negative battery cable. Refer to Battery Cable Replacement .