GM Service Manual Online
For 1990-2009 cars only
Makes
🢒
Chevrolet
🢒
2000
🢒
Chevrolet C-Series Medium Duty Truck B7
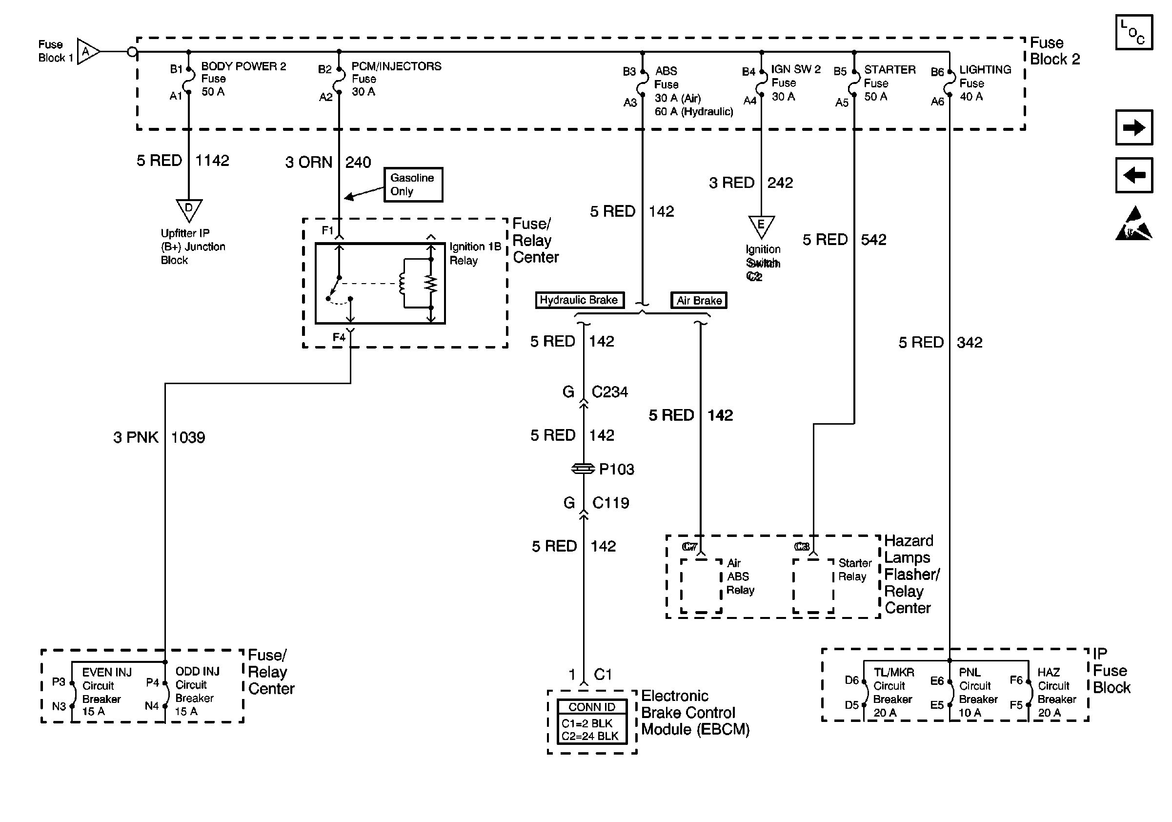
🢒 BODY POWER 2, PCM/INJECTORS, ABS, IGN SW 2, STARTER, LIGHTING Fuses, EVEN INJ, ODD INJ, TL/MKR, PNL, HAZ Circuit Breakers
BODY POWER 2, PCM/INJECTORS, ABS, IGN SW 2, STARTER, LIGHTING Fuses, EVEN INJ, ODD INJ, TL/MKR, PNL, HAZ Circuit Breakers
BODY POWER 2, PCM/INJECTORS, ABS, IGN SW 2, STARTER, LIGHTING Fuses, EVEN INJ, ODD INJ, TL/MKR, PNL, HAZ Circuit Breakers
Power and Grounding Components Power Distribution
CHASSIS, IGN 3, B/U, ACC, START, IGN 1 Circuit Breakers
ENGINE, AUX, BODY POWER 1 Fuses, ENG, ECM, FUEL, AUX 2, AUX 1, ETM, PCM Circuit Breakers
Handling ESD Sensitive Parts Notice
Battery, HORN/STOP, HD LP SW, IGN SW 1 Fuses, BRK, HORNS, STOP LP CircUit Breakers
ENGINE, AUX, BODY POWER 1 Fuses, ENG, ECM, FUEL, AUX 2, AUX 1, ETM, PCM Circuit Breakers
CHASSIS, IGN 3, B/U, ACC, START, IGN 1 Circuit Breakers
Antilock Brake System Connector End Views