GM Service Manual Online
For 1990-2009 cars only
Makes
🢒
Chevrolet
🢒
2000
🢒
Chevrolet C-Series Medium Duty Truck B7
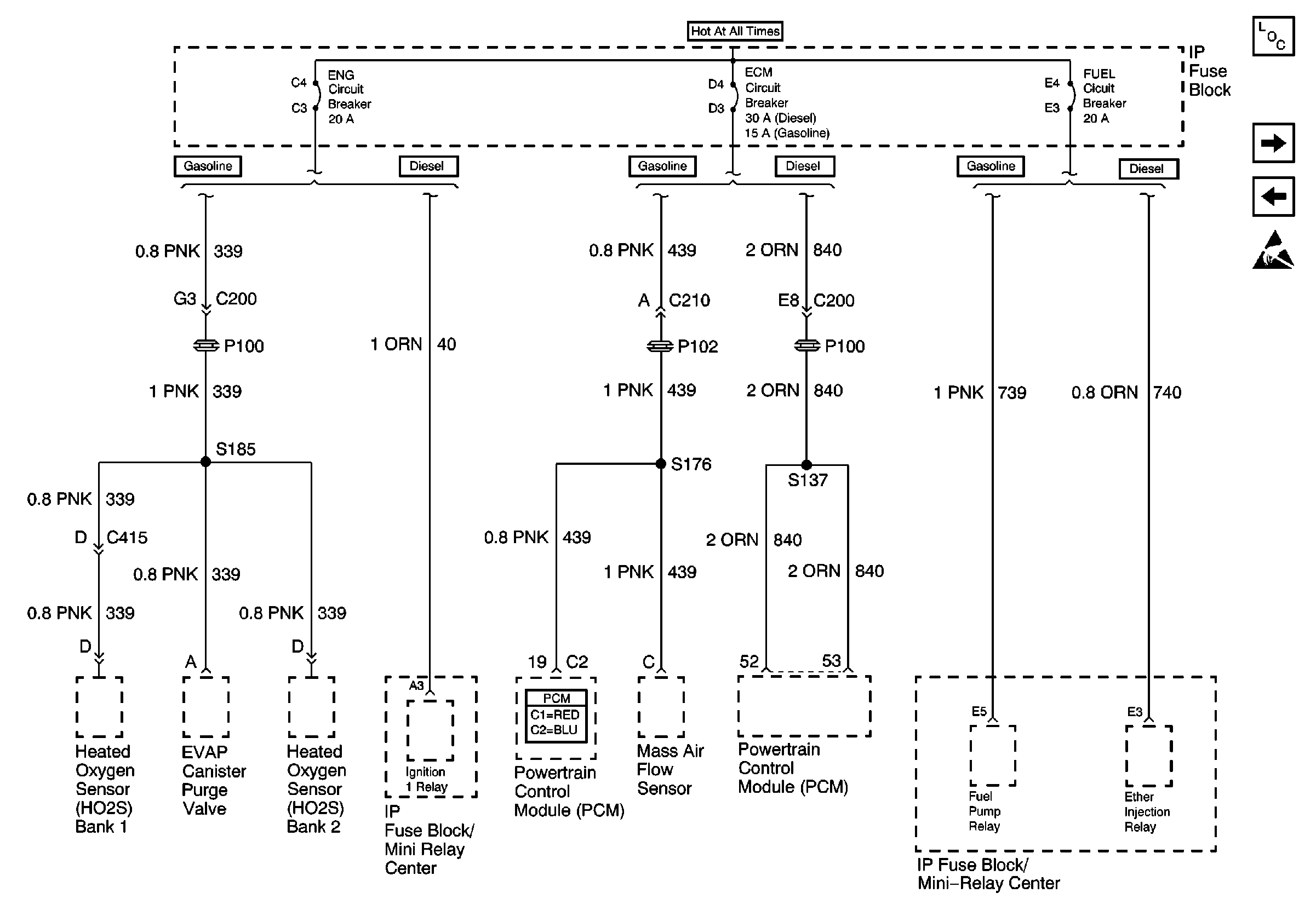
🢒 ENG, ECM, FUEL Circuit Breakers
ENG, ECM, FUEL Circuit Breakers
ENG, ECM, FUEL Circuit Breakers
Power and Grounding Components Power Distribution
START, ACC, BRK Circuit Breakers
STOP LP, HORNS, TL/MKR, PNL, HAZ Circuit Breakers
Handling ESD Sensitive Parts Notice
Powertrain Control Module Connector End Views