GM Service Manual Online
For 1990-2009 cars only
Makes
🢒
Chevrolet
🢒
2000
🢒
Chevrolet C-Series Medium Duty Truck B7
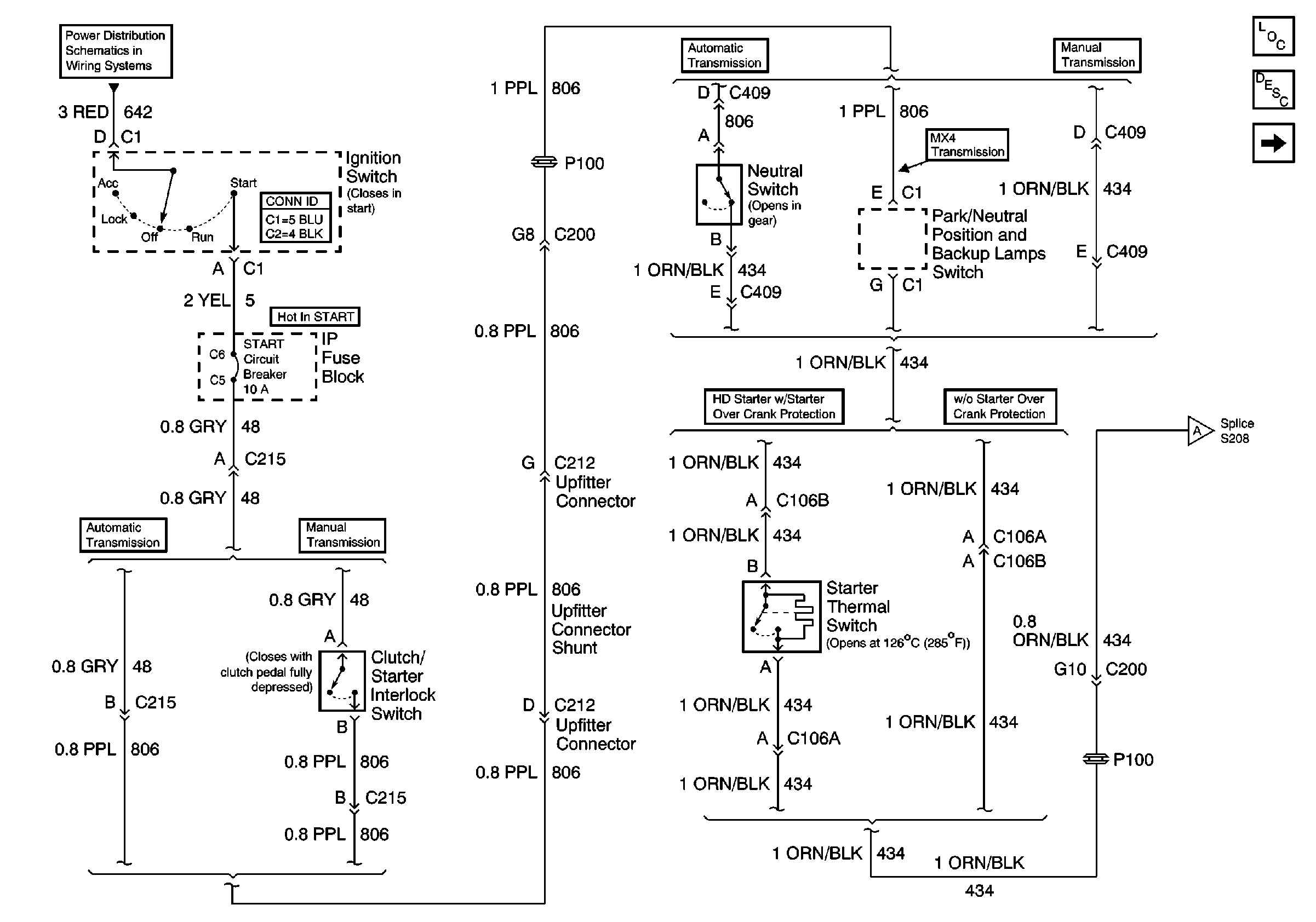
🢒 Starting Circuit (1 of 2)
Starting Circuit (1 of 2)
Starting Circuit (1 of 2)
Engine Electrical Components
Starting System Circuit Description LG5 Engine
Starting Circuit (2 of 2)
Starting Circuit (2 of 2)
CHASSIS, IGN 3, B/U, ACC, START, IGN 1 Circuit Breakers
Power and Grounding Connector End Views