GM Service Manual Online
For 1990-2009 cars only

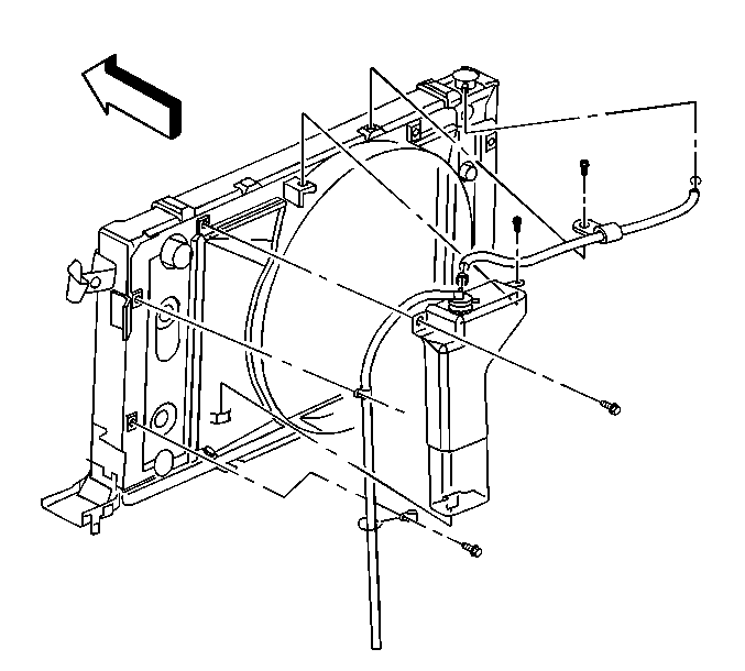
Removal Procedure


    Object Number: 742208  Size: SH
  1. Drain the coolant from the coolant recovery reservoir.
  2. Remove the coolant recovery reservoir outlet hose clamp at the reservoir cap.
  3. Remove the outlet hose from the reservoir cap.
  4. Remove the recovery reservoir overflow hose clamp bolt at the fan shroud.
  5. Remove the coolant recovery reservoir bolts.
  6. Remove the coolant recovery reservoir.

Installation Procedure


    Object Number: 742208  Size: SH
  1. Install the coolant recovery reservoir.
  2. Notice: Use the correct fastener in the correct location. Replacement fasteners must be the correct part number for that application. Fasteners requiring replacement or fasteners requiring the use of thread locking compound or sealant are identified in the service procedure. Do not use paints, lubricants, or corrosion inhibitors on fasteners or fastener joint surfaces unless specified. These coatings affect fastener torque and joint clamping force and may damage the fastener. Use the correct tightening sequence and specifications when installing fasteners in order to avoid damage to parts and systems.

  3. Install the coolant recovery reservoir bolts.
  4. Tighten
    Tighten the bolts to 10 N·m (89 lb in).

  5. Install the coolant recovery reservoir overflow hose clamp bolts at the fan shroud.
  6. Tighten
    Tighten the coolant recovery reservoir overflow hose clamp bolts to 6 N·m (53 lb in).

  7. Install the outlet hose to the reservoir cap.
  8. Install the coolant recovery reservoir outlet hose clamp at the reservoir cap.
  9. Fill the coolant recovery reservoir to the "Cold Level" mark.