GM Service Manual Online
For 1990-2009 cars only

Engine Coolant Crossover Pipe Replacement L18

Removal Procedure


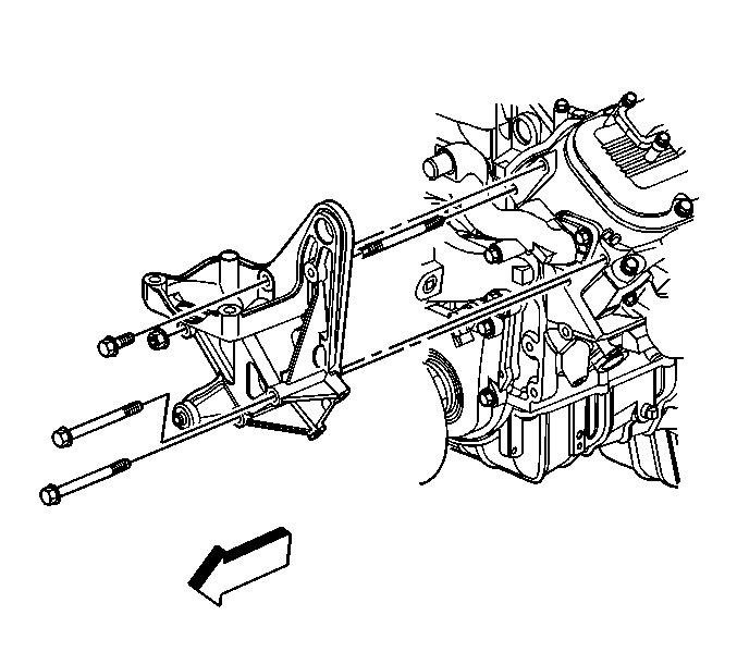
    Object Number: 742531  Size: SH
  1. Drain the cooling system. Refer to Cooling System Draining and Filling .
  2. Remove the generator bracket. Refer to Generator Bracket Replacement in Engine Electrical.
  3. Remove the power steering pump. Refer to Power Steering Pump Replacement in Power Steering System.
  4. If equipped with regular production option (RPO) KZX, remove the air compressor bracket nuts at the power steering pump bracket.

  5. Object Number: 742529  Size: SH
  6. Remove the power steering pump bracket bolts, nut, and stud.
  7. Remove the power steering pump bracket.

  8. Object Number: 742053  Size: SH
  9. Loosen the inlet hose clamp (2) at the coolant crossover.
  10. Remove the inlet hose (1) from the coolant crossover.

  11. Object Number: 470694  Size: SH
  12. Reposition the thermostat bypass hose clamps at the coolant crossover and water pump.
  13. Remove the thermostat bypass hose.

  14. Object Number: 743299  Size: SH
  15. Loosen the heater inlet pipe hose clamp.
  16. Remove the heater inlet pipe bracket bolt.
  17. Remove the heater inlet hose pipe nut at the coolant crossover.
  18. Remove the heater inlet pipe.

  19. Object Number: 470699  Size: SH
  20. Remove the coolant crossover bolts.
  21. Remove the coolant crossover.
  22. Remove and discard the coolant crossover gaskets.
  23. Clean and inspect the coolant crossover. Refer to Water Crossover Cleaning and Inspection in Engine Mechanical - 8.1L Unit Repair.

Installation Procedure


    Object Number: 470699  Size: SH
  1. Install the new coolant crossover gasket and crossover into position.
  2. Notice: Use the correct fastener in the correct location. Replacement fasteners must be the correct part number for that application. Fasteners requiring replacement or fasteners requiring the use of thread locking compound or sealant are identified in the service procedure. Do not use paints, lubricants, or corrosion inhibitors on fasteners or fastener joint surfaces unless specified. These coatings affect fastener torque and joint clamping force and may damage the fastener. Use the correct tightening sequence and specifications when installing fasteners in order to avoid damage to parts and systems.

  3. Install the coolant crossover bolts.
  4. Tighten
    Tighten the coolant crossover bolts to 50 N·m (37 lb ft).


    Object Number: 743299  Size: SH
  5. Install the heater inlet pipe.
  6. Install the heater inlet pipe bracket bolt.
  7. Install the heater inlet hose pipe nut at the coolant crossover.
  8. Tighten

        • Tighten the heater inlet hose pipe bracket bolt to 35 N·m (26 lb ft).
        • Tighten the heater inlet hose pipe nut to 30 N·m (22 lb ft).
  9. Tighten the heat inlet hose pipe hose clamp.
  10. Tighten
    Tighten the heater inlet hose pipe hose clamp to 5 N·m (44 lb in).


    Object Number: 470694  Size: SH
  11. Install the thermostat bypass hose.
  12. Important: Properly position the bypass hose clamps to avoid water pump pulley interference.

  13. Position the thermostat bypass hose clamps at the coolant crossover and water pump.

  14. Object Number: 742053  Size: SH
  15. Install the inlet hose (1) to the coolant crossover.
  16. Tighten the inlet hose clamp (2) at the coolant crossover.
  17. Tighten
    Tighten the inlet hose clamp to 5 N·m (44 lb in).


    Object Number: 742531  Size: SH
  18. If equipped with RPO KZX, install the air compressor bracket nuts at the power steering pump bracket.
  19. Tighten
    Tighten the air compressor bracket nuts to 67 N·m (49 lb ft).

  20. Install the power steering pump. Refer to Power Steering Pump Replacement in Power Steering System.
  21. Install the generator bracket. Refer to Generator Bracket Replacement in Engine Electrical.
  22. Fill the cooling system. Refer to Cooling System Draining and Filling .