GM Service Manual Online
For 1990-2009 cars only
Makes
🢒
Chevrolet
🢒
2002
🢒
Chevrolet C-Series Medium Duty Truck B7
🢒
Engine
🢒
Engine Cooling
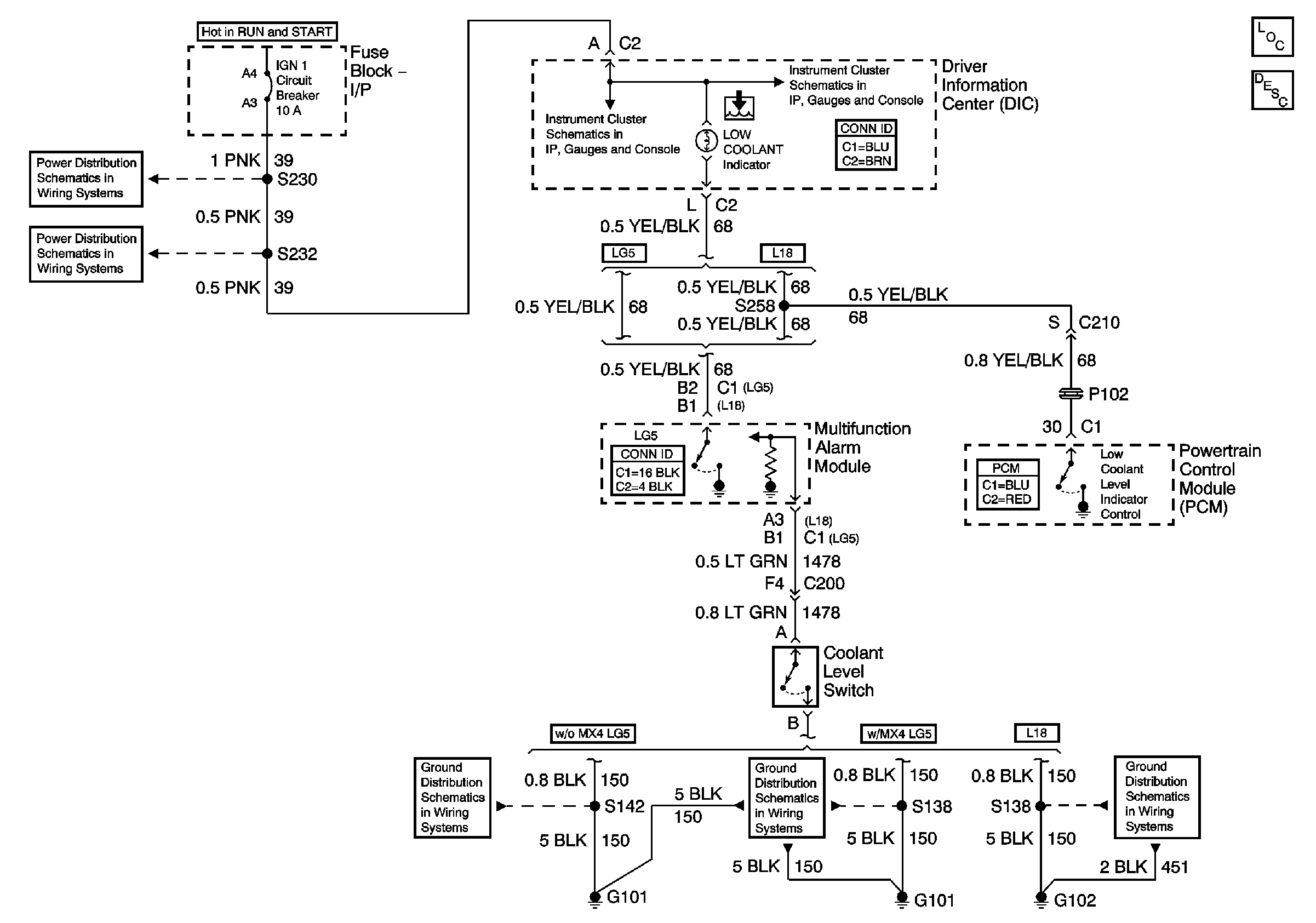
🢒 Engine Cooling Schematics
Power Distribution Schematics - IGN 1 Circuit Breaker, S225, S226, S230
Instrument Cluster Schematics - DIC, ABS, CHG OIL, DRL, EOS and HI Ind.
Instrument Cluster Schematics - DIC, ABS, CHG OIL, DRL, EOS and HI Ind.
Master Electrical Component List
Cooling System Description and Operation
Power Distribution Schematics - IGN 1 Circuit Breaker, S232, S243
Ground Distribution Schematics - S142 and S241 LG5
Ground Distribution Schematics - G101, S138, S405 and S409 L18
Ground Distribution Schematics - G102, and S138 L18