GM Service Manual Online
For 1990-2009 cars only

Removal Procedure

  1. Turn OFF the ignition.
  2. Remove the air cleaner assembly. Refer to Air Cleaner Assembly Replacement .

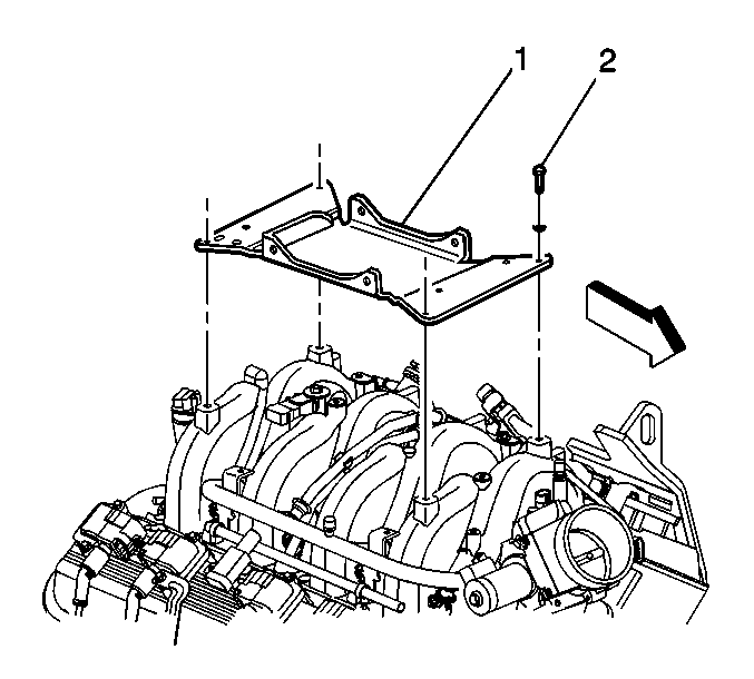
  3. Object Number: 745152  Size: SH
  4. Remove the fasteners (2) that hold the air cleaner bracket to the intake manifold.
  5. Raise the bracket (1) enough to access the manifold absolute pressure (MAP) sensor.
  6. Disconnect the MAP sensor electrical connector.

  7. Object Number: 684801  Size: SH
  8. Remove the MAP sensor retaining bolt and washer (1).
  9. Remove the MAP sensor (3) from the intake manifold (2).
  10. Inspect the MAP sensor seal for wear or damage and replace as necessary.

Installation Procedure

Important: Lightly coat the MAP sensor seal with rubber lubricant part number 9985770 before installing the sensor. The lubricant should be applied with a sponge or a brush. To prevent blockage, avoid dipping the sensor port directly into the lubricant.


    Object Number: 684801  Size: SH
  1. Install the MAP sensor (3).
  2. Notice: Use the correct fastener in the correct location. Replacement fasteners must be the correct part number for that application. Fasteners requiring replacement or fasteners requiring the use of thread locking compound or sealant are identified in the service procedure. Do not use paints, lubricants, or corrosion inhibitors on fasteners or fastener joint surfaces unless specified. These coatings affect fastener torque and joint clamping force and may damage the fastener. Use the correct tightening sequence and specifications when installing fasteners in order to avoid damage to parts and systems.

  3. Install the MAP sensor retaining bolt and washer (1).
  4. Tighten
    Tighten the fastener to 12 N·m (106 lb in).

  5. Connect the MAP sensor electrical connector.

  6. Object Number: 745152  Size: SH
  7. Install the air cleaner bracket (1) and fasteners (2).
  8. Tighten
    Tighten the fasteners to 9 N·m (80 lb in).

  9. Install the air cleaner assembly. Refer to Air Cleaner Assembly Replacement .