GM Service Manual Online
For 1990-2009 cars only

Removal Procedure


    Object Number: 796416  Size: SH
  1. Raise and suitably support the vehicle, if required. Refer to Lifting and Jacking the Vehicle in General Information.
  2. If equipped with the 6.6L or 7.2L engine and regular production options (RPOs) MK0/MM7 and MWW, remove the clutch return spring.

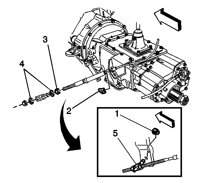
  3. Object Number: 792043  Size: SH
  4. Remove the clutch pedal adjustment rod swivel retainer (1).
  5. Remove the swivel (5) from the clutch lever.

  6. Object Number: 797654  Size: SH
  7. Remove the clutch lever bolt (1), washers (5), and nut (4).
  8. Remove the clutch lever (2) and key (3).

Installation Procedure


    Object Number: 797654  Size: SH
  1. Install the clutch lever (2) and key (3).
  2. Install the clutch lever washer and bolt (1).
  3. Notice: Use the correct fastener in the correct location. Replacement fasteners must be the correct part number for that application. Fasteners requiring replacement or fasteners requiring the use of thread locking compound or sealant are identified in the service procedure. Do not use paints, lubricants, or corrosion inhibitors on fasteners or fastener joint surfaces unless specified. These coatings affect fastener torque and joint clamping force and may damage the fastener. Use the correct tightening sequence and specifications when installing fasteners in order to avoid damage to parts and systems.

  4. Install the clutch lever washer (5) and nut (4).
  5. Tighten
    Tighten the clutch lever nut to 16 N·m (12 lb ft).


    Object Number: 792043  Size: SH
  6. Install the swivel (5) to the clutch lever.
  7. Install the clutch pedal adjustment rod swivel retainer (1).

  8. Object Number: 796416  Size: SH
  9. Install the clutch return spring.
  10. Lower the vehicle, if required.