GM Service Manual Online
For 1990-2009 cars only
Makes
🢒
Chevrolet
🢒
2002
🢒
Chevrolet C-Series Medium Duty Truck B7
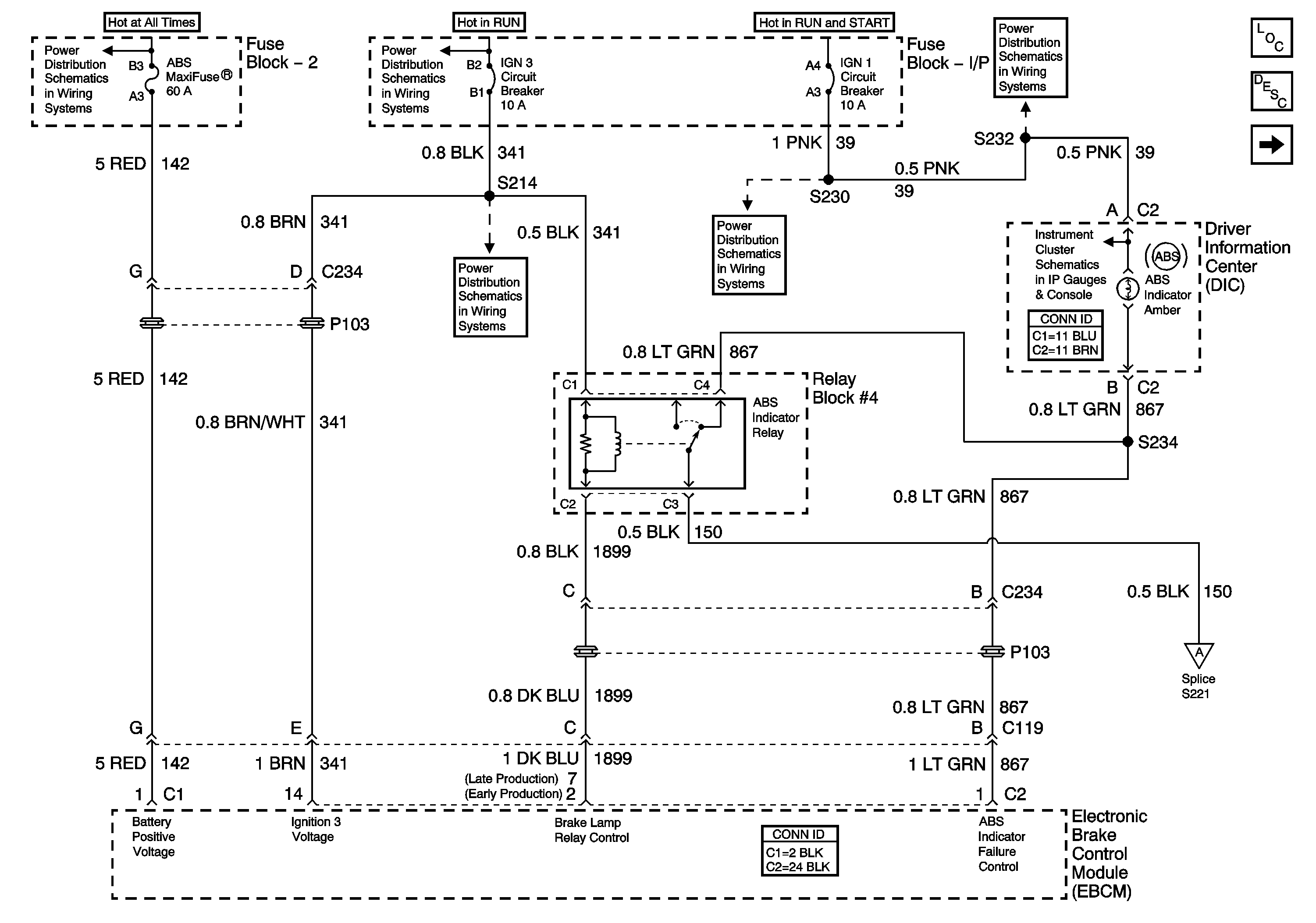
🢒 ABS Indicator, ABS Indicator Relay, Electronic Brake Control Module(EBCM), Fuse Block - 2, Fuse Block - I/P
ABS Indicator, ABS Indicator Relay, Electronic Brake Control Module(EBCM), Fuse Block - 2, Fuse Block - I/P
ABS Indicator, ABS Indicator Relay, Electronic Brake Control Module (EBCM), Fuse Block -- 2, Fuse Block -- I/P
Master Electrical Component List
ABS Description and Operation
Data Link Connector (DLC), Electronic Brake Control Module (EBCM),EBCM Grounds and Wheel Speed Sensors (WSS)
EVEN INJ, HAZ, ODD INJ, PNL and TL/MKR Circuit Breakers, ABS, BODY POWER 2, IGN SW 2, LIGHTING, PCM/INJECTORS and STARTER Fuses
IGN 3 Circuit Breaker
IGN 1 Circuit Breaker, S232, S243
IGN 3 Circuit Breaker
IGN 1 Circuit Breaker, S225, S226, S230
Driver Information Center (DIC), ABS, CHANGE OIL, DRL, ENGINE OVERSPEED, HIGH IDLE, INTAKE HEATER, LOW AIR, LOW COOLANT, PRIMARY BRAKE and SERVICE ENGINE SOON Indicators
Brake Fluid Level Switch, Electronic Brake Control Module (EBCM), Ignition Switch, Multifunction Alarm Module, Powertrain Control Module (PCM), PRIMARY BRAKE Indicator, Stoplamp Switch (C2), Stoplamp