GM Service Manual Online
For 1990-2009 cars only
Makes
🢒
Chevrolet
🢒
2002
🢒
Chevrolet C-Series Medium Duty Truck B7
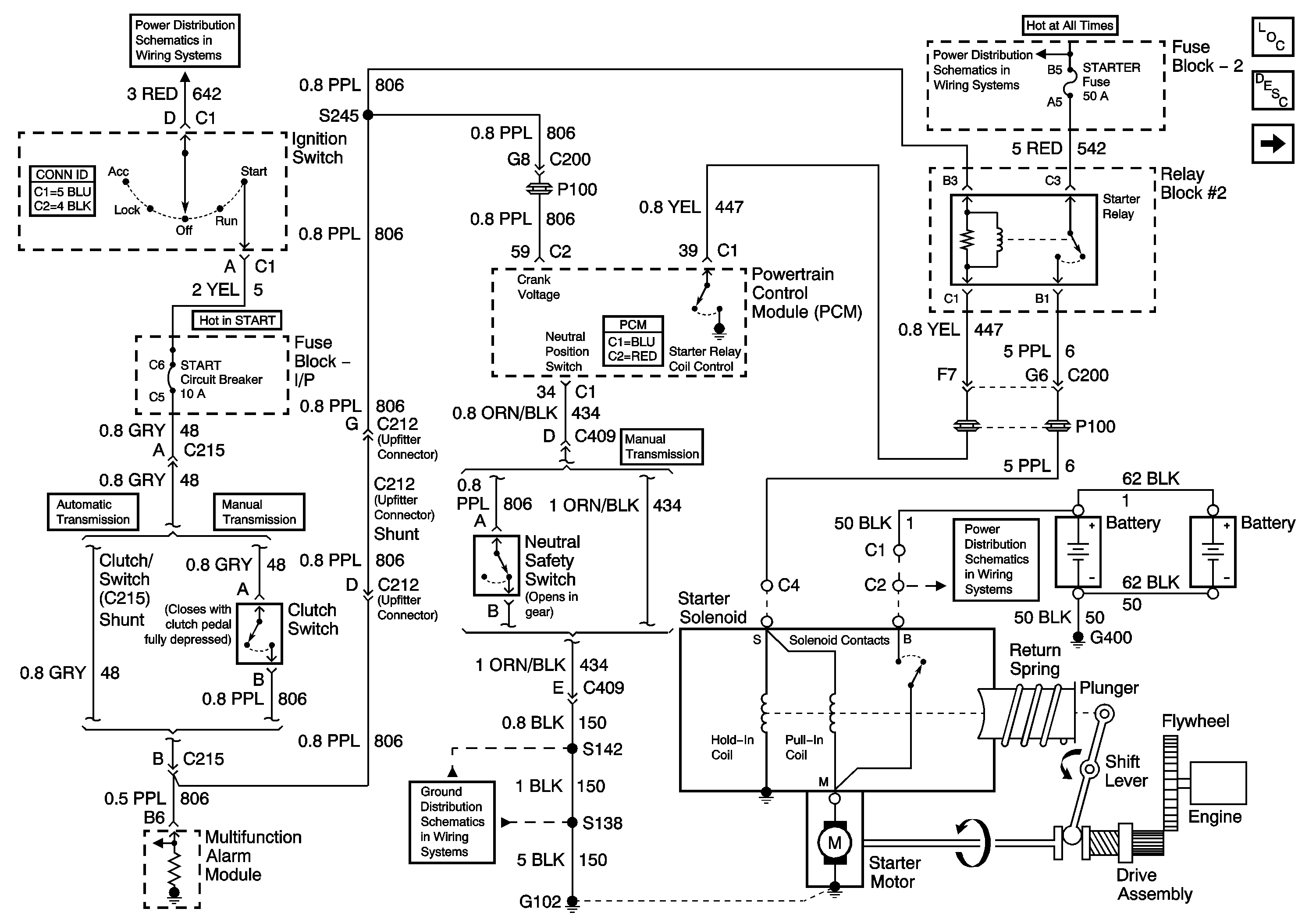
🢒 Starting Circuit
Starting Circuit
Starting Circuit
Master Electrical Component List
Starting System Description and Operation
Charging Circuit
Battery and BRK, HORNS and STOP LP Circuit Breakers, HD LP SW, HORN/STOP and IGN SW 1 Fuses
Battery and BRK, HORNS and STOP LP Circuit Breakers, HD LP SW, HORN/STOP and IGN SW 1 Fuses
S142, S178, S179, S405 and S409 (L18)
EVEN INJ, HAZ, ODD INJ, PNL and TL/MKR Circuit Breakers, ABS, BODY POWER 2, IGN SW 2, LIGHTING, PCM/INJECTORS and STARTER Fuses