GM Service Manual Online
For 1990-2009 cars only
Makes
🢒
Chevrolet
🢒
2002
🢒
Chevrolet C-Series Medium Duty Truck B7
🢒 2001 MD B7 Cooling System Schematics
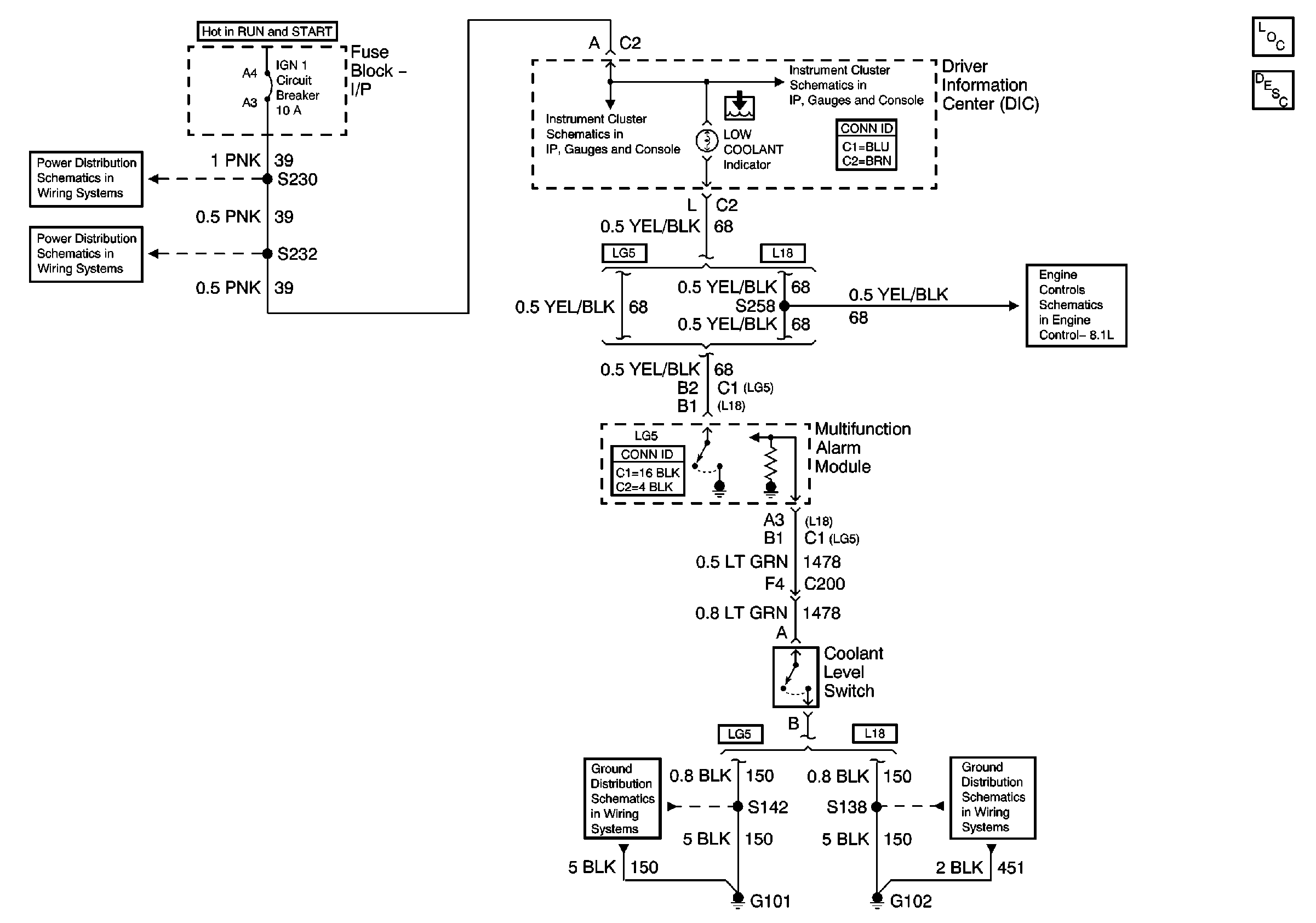
2001 MD B7 Cooling System Schematics
Master Electrical Component List
Cooling System Description and Operation
IGN 1 Circuit Breaker, S225, S226, S230
IGN 1 Circuit Breaker, S232, S243
Driver Information Center (DIC), ABS, CHANGE OIL, DRL, ENGINE OVERSPEED, HIGH IDLE, INTAKE HEATER, LOW AIR, LOW COOLANT, PRIMARY BRAKE and SERVICE ENGINE SOON Indicators
Driver Information Center (DIC), ABS, CHANGE OIL, DRL, ENGINE OVERSPEED, HIGH IDLE, INTAKE HEATER, LOW AIR, LOW COOLANT, PRIMARY BRAKE and SERVICE ENGINE SOON Indicators
Indicators
S142 and S241 (LG5)
G101, S138, and S405 (LG5)
G102 and S138 (L18)