GM Service Manual Online
For 1990-2009 cars only
Makes
🢒
Chevrolet
🢒
2002
🢒
Chevrolet C-Series Medium Duty Truck B7
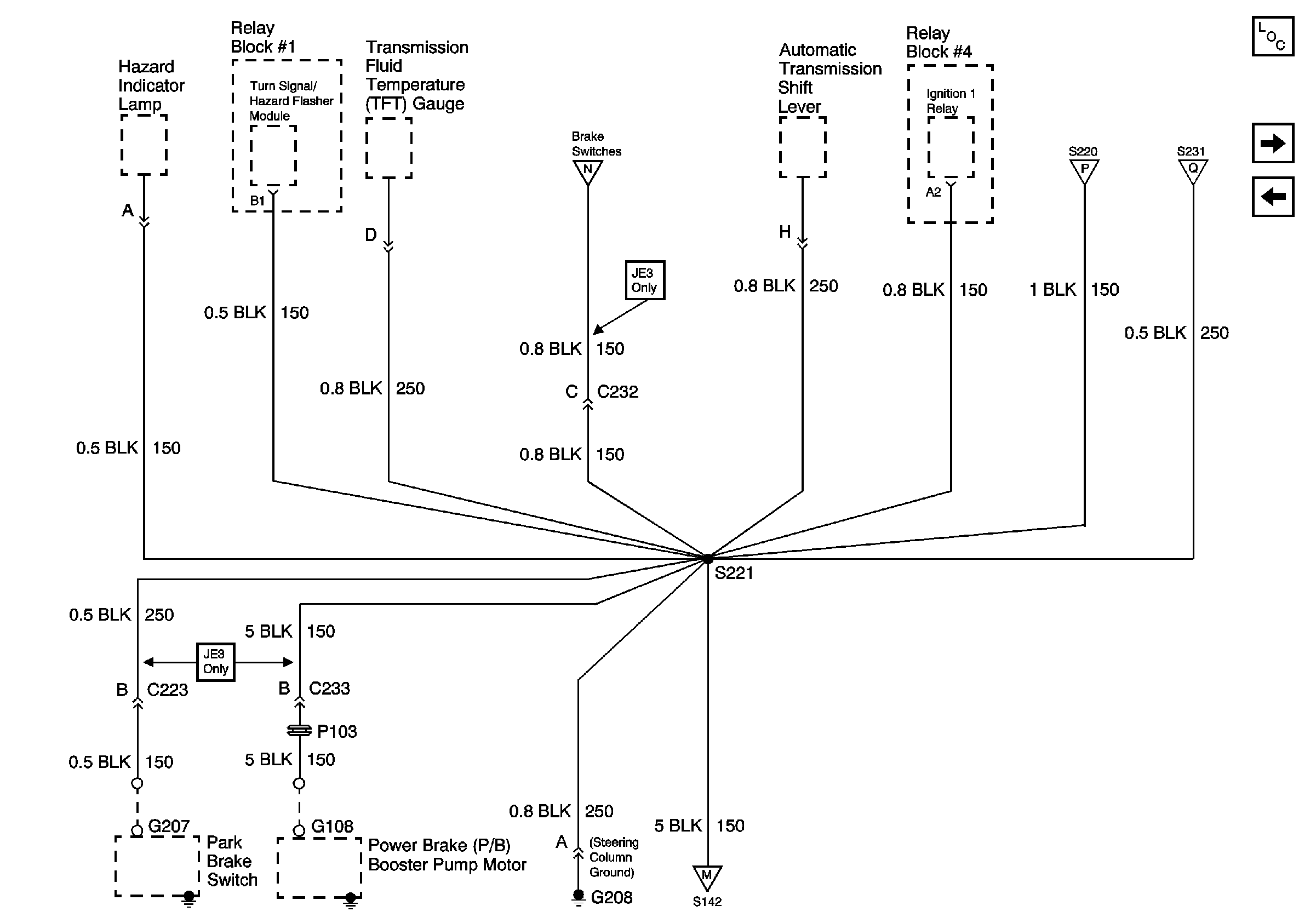
🢒 Ground Distribution Schematics - G108, G207, G208 and S221 LG5
Ground Distribution Schematics - G108, G207, G208 and S221 LG5
G108, G207, G208 and S221 (LG5)
Master Electrical Component List
Ground Distribution Schematics - S220, S229 LG5
Ground Distribution Schematics - S142 and S241 LG5
Ground Distribution Schematics - S105, S261, and S231
Ground Distribution Schematics - S220, S229 LG5
Ground Distribution Schematics - S105, S261, and S231
Ground Distribution Schematics - S142 and S241 LG5