GM Service Manual Online
For 1990-2009 cars only
Makes
🢒
Chevrolet
🢒
2002
🢒
Chevrolet C-Series Medium Duty Truck B7
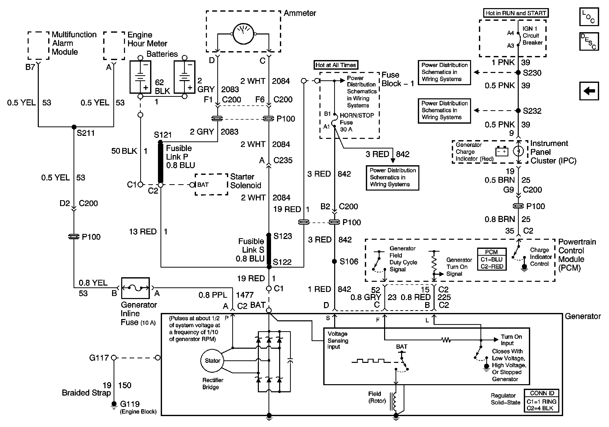
🢒 Starting and Charging Schematics - L18 Charging Circuit
Starting and Charging Schematics - L18 Charging Circuit
Charging Circuit L18
Power Distribution Schematics - IGN 1 Circuit Breaker, S225, S226, S230
Power Distribution Schematics - IGN 1 Circuit Breaker, S232, S243
Battery and BRK, HORNS, and STOP LP Circuit Breakers, HD LP SW, HORN/STOP and IGN SW 1 Fuses
Master Electrical Component List
Starting System Description and Operation
Starting and Charging Schematics - L18 Starting Circuit