GM Service Manual Online
For 1990-2009 cars only
Makes
🢒
Chevrolet
🢒
1998
🢒
Chevrolet C-Series Medium Duty Truck C6/C7/C8
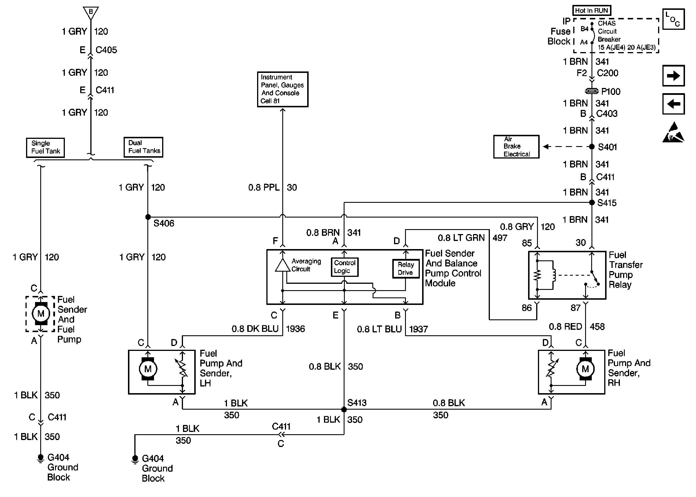
🢒 Fuel Pump/Tank Controls
Fuel Pump/Tank Controls
Fuel Pump/Tank Controls
Engine Controls Components
Cell 20: Sensors
Cell 20: Fuel Control
Handling ESD Sensitive Parts Notice