GM Service Manual Online
For 1990-2009 cars only
Makes
🢒
Chevrolet
🢒
1998
🢒
Chevrolet C-Series Medium Duty Truck C6/C7/C8
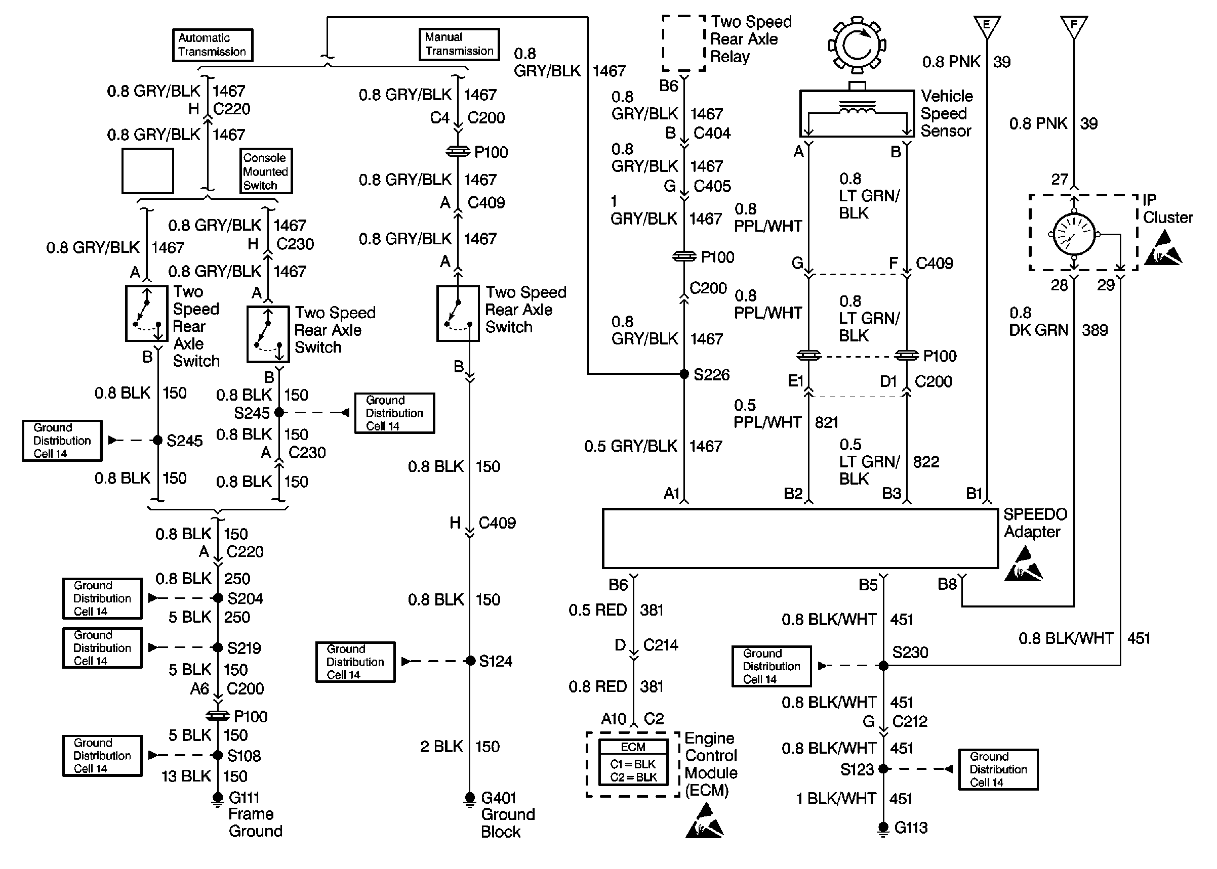
🢒 Cell 20: Speedo Adapter
Cell 20: Speedo Adapter
Cell 20: Speedo Adapter
Engine Controls Components
Cell 20: Sensors
Cell 20: Idle Air Control, EGR Valve
Handling ESD Sensitive Parts Notice