GM Service Manual Online
For 1990-2009 cars only

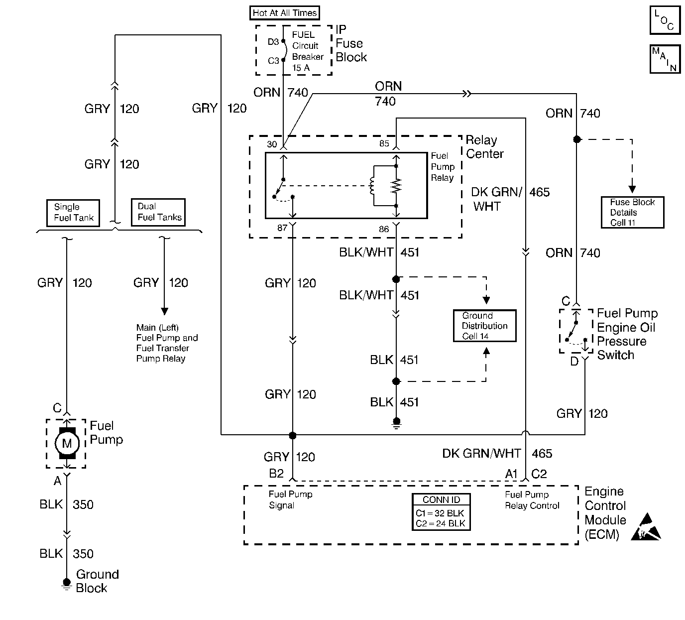
Object Number: 339408  Size: LF
Engine Controls Components
Cell 20: VIN P (LSO) and VIN M (LRO) Power and Ground
Handling ESD Sensitive Parts Notice

Circuit Description

When you turn the ignition switch ON, the ECM will activate the fuel pump relay and run the in-tank fuel pump. The fuel pump operates as long as the engine cranks or runs, and the ECM receives the distributor reference signal.

If there is no reference signal, the ECM shuts OFF the fuel pump within 2 seconds after you turn the ignition ON or the engine stops.

Should the fuel pump relay or the 12 volt relay drive from the ECM fail, the fuel pump will be run through an oil pressure switch back-up circuit.

Conditions for Setting the DTC

The ECM does not see the 12 volts signal at terminal B2 during the 2 seconds that energizes the fuel pump relay.

Action Taken When the DTC Sets

The Malfunction Indicator Lamp (MIL) will illuminate. The system will go Open Loop.

Conditions for Clearing the MIL/DTC

The conditions for the fault are no longer present and 50 ignition cycles have passed with no further faults or the ignition switch is turned OFF and the battery feed voltage is removed for 10 seconds.

Diagnostic Aids

Refer to Intermittent Conditions .

An inoperative fuel pump relay can result in long cranking times, particularly if the engine is cold or the engine oil pressure is low. The extended crank period is caused by the time necessary for the oil pressure to build enough to close the oil pressure switch and turn ON the fuel pump.

Test Description

The numbers below refer to the step numbers on the Diagnostic Table.

  1. This step checks to see if DTC was set as result of a hard failure or intermittent condition.

  2. This step checks to see if ECM is receiving fuel pump signal.

  3. This step checks oil pressure switch circuit.

DTC 54 Fuel Pump Relay (Circuit Error)

Step

Action

Value(s)

Yes

No

1

Did you perform the On-Board Diagnostic (OBD) System Check?

--

Go to Step 2

Go to Powertrain On Board Diagnostic (OBD) System Check

2

  1. Turn the ignition OFF for the specified value.
  2. Turn the ignition ON.
  3. Listen for the in-tank fuel pump.

Does the pump run after you turn ON the ignition?

10 seconds

Go to Step 3

Go to Step 7

3

  1. Clear the DTCs. Refer to Clearing DTCs.
  2. Turn the ignition ON leaving the engine OFF for the specified value.

Does DTC 54 set?

5 seconds

Go to Step 4

Go to Diagnostic Aids

4

  1. Backprobe the ECM terminal for the fuel pump signal circuit with a J 35616-200 unpowered test lamp connected to a ground.
  2. Turn the ignition OFF for the specified value.
  3. Turn the ignition ON.
  4. Observe the test lamp.

Does the test lamp turn ON for the specified value?

10 seconds

2 seconds

Go to Step 5

Go to Step 6

5

  1. Check for a faulty connection at the ECM.
  2. If you find a problem, repair as necessary. Refer to Wiring Repairs in Wiring Systems.

Did you find a problem?

--

Go to Step 26

Go to Step 25

6

Repair the open in the fuel pump signal circuit. Refer to Wiring Repairs in Wiring Systems.

Is the action complete?

--

Go to Step 26

--

7

  1. Turn the ignition OFF.
  2. Disconnect the fuel pump oil pressure switch.
  3. Using connector test adapter kit J 35616-A , jumper between the battery feed circuit and the fuel pump signal circuit.

Does the fuel pump operate?

--

Go to Step 13

Go to Step 8

8

  1. Disconnect the fuel pump relay.
  2. Connect the fuel pump signal circuit to B+ with a fused jumper wire.

Does the fuel pump operate?

--

Go to Step 9

Go to Step 10

9

Replace the fuel pump relay. Refer to Fuel Pump Relay Replacement .

Is the action complete?

--

Go to Step 26

--

10

  1. Check for an open in the fuel pump signal circuit.
  2. If you find a problem, repair as necessary. Refer to Wiring Repairs in Wiring Systems.

Did you find a problem?

--

Go to Step 26

Go to Step 11

11

  1. Check for a faulty fuel pump ground.
  2. If you find a problem, repair as necessary. Refer to Wiring Repairs in Wiring Systems.

Did you find a problem?

--

Go to Step 26

Go to Step 12

12

Replace the in-tank fuel pump. Refer to Fuel Pump Replacement .

Is the action complete?

--

Go to Step 26

--

13

  1. Turn the ignition OFF.
  2. Disconnect the fuel pump relay.
  3. Probe the battery feed circuit at the fuel pump relay cavity with a J 35616-200 unpowered test lamp connected to ground.

Is the test lamp ON?

--

Go to Step 15

Go to Step 14

14

Repair the open in the battery feed circuit. Refer to Wiring Repairs in Wiring Systems.

Is the action complete?

--

Go to Step 26

--

15

Connect a J 35616-200 unpowered test lamp between the battery feed and the fuel pump relay ground circuit.

Is the test lamp ON?

--

Go to Step 17

Go to Step 16

16

Repair the open in the fuel pump relay ground circuit. Refer to Wiring Repairs in Wiring Systems.

Is the action complete?

--

Go to Step 26

--

17

  1. Connect a J 35616-200 unpowered test lamp between the fuel pump relay control circuit at the relay cavity and ground.
  2. Turn the ignition OFF for the specified value.
  3. Turn the ignition ON.

Does the test lamp turn ON for the specified value?

10 seconds

2 seconds

Go to Step 20

Go to Step 18

18

  1. Check for an open in the fuel pump relay control circuit.
  2. If you find a problem, repair as necessary. Refer to Wiring Repairs in Wiring Systems.

Did you find a problem?

--

Go to Step 26

Go to Step 19

19

  1. Check for a short to ground in the fuel pump relay control circuit.
  2. If you find a problem, repair as necessary. Refer to Wiring Repairs in Wiring Systems.

Did you find a problem?

--

Go to Step 26

Go to Step 25

20

  1. Check for a faulty connection at the fuel pump relay control circuit terminal.
  2. If you find a problem, repair as necessary. Refer to Wiring Repairs in Wiring Systems.

Did you find problem?

--

Go to Step 26

Go to Step 21

21

Was the original symptom Engine Cranks But Will Not Run?

--

Go to Step 22

Go to Step 9

22

  1. Reconnect the relay if it was removed.
  2. Start the engine. Allow the engine to reach and run at the normal operating temperature. Make sure the oil pressure is normal.
  3. Disconnect the fuel pump relay.

Does the engine continue to run?

--

Go to Step 24

Go to Step 23

23

Replace the fuel pump oil pressure switch. Refer to Fuel Pump and Engine Oil Pressure Switch Replacement .

Is the action complete?

--

Go to Step 26

--

24

  1. Turn the ignition OFF.
  2. Connect a J 35616-200 unpowered test lamp the fuel pump signal circuit and ground.

Is the test lamp ON?

--

Go to Step 23

Go to Step 26

25

Replace the ECM. Refer to Engine Control Module Replacement .

Is the action complete?

--

Go to Step 26

--

26

  1. Clear the DTCs. Refer to Clearing DTCs.
  2. Start the engine and allow the engine to idle at the normal operating temperature.
  3. Operate the vehicle within the conditions for setting this DTC as specified in the supporting text.

Did the DTC reset?

--

Go to Step 2

Go to Step 27

27

Are any DTCs stored which you have not diagnosed?

--

Go to the Applicable DTC Table

System OK