GM Service Manual Online
For 1990-2009 cars only

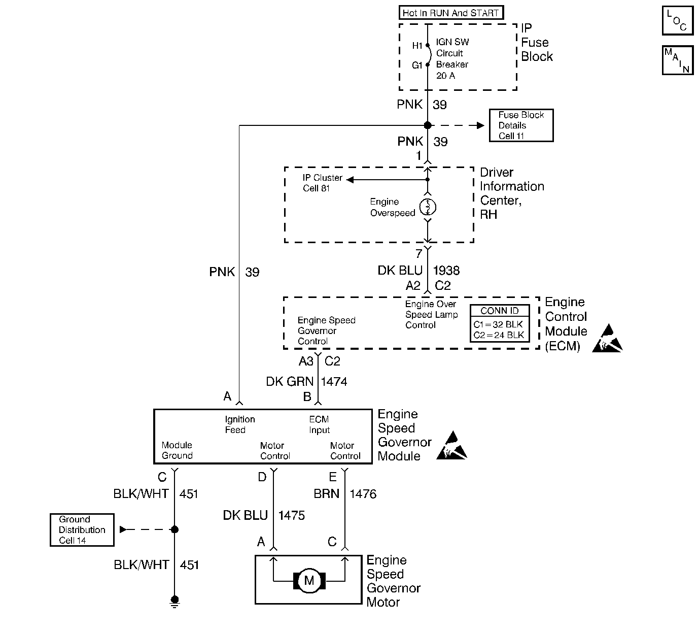
Object Number: 339407  Size: LF
Engine Controls Components
Cell 20: Fuel Control
Handling ESD Sensitive Parts Notice
Handling ESD Sensitive Parts Notice

Circuit Description

The ECM sends a pulse width modulated signal, via the engine speed governor control circuit, to the engine speed governor module to drive the governor motor.

Depending on the amount of governing required, the module translates the ECM data into the appropriate value of DC current to the motor, which pulls back on the throttle to correct the overspeed condition. The system is capable of holding the throttle at an idle (100 percent authority).

The ECM controls of the engine speed governor system is based on engine speed (RPM).

A DTC 31 will detect a faulty ECM, a governor module, a motor, a linkage, or wiring.

Conditions for Setting the DTC

    • ECM commands near 100% authority.
    • Engine RPM higher than calibrated governed speed.

Action Taken When the DTC Sets

The Malfunction Indicator Lamp (MIL) will illuminate, and the ECM will limit the engine and the vehicle speed by momentarily reducing fuel.

Conditions for Clearing the MIL/DTC

The conditions for the fault are no longer present and 50 ignition cycles have passed with no further faults or the ignition switch is turned OFF and the battery feed voltage is removed for 10 seconds.

Diagnostic Aids

Before replacing the ECM, use the J 39200 and check the resistance of each ECM controlled relay and solenoid coil.

Refer to Engine Controls Schematics for coil terminal identification of solenoids and relays to be checked. Replace any relay or solenoid where the coil resistance measures less than 20 ohms.

Refer to Intermittent Conditions .

Test Description

The numbers below refer to the step numbers on the Diagnostic Table.

  1. This step determines if the governor module has a supply voltage with which to operate.

  2. Applying +12 volts to the motor determines the motor, the wiring, and the linkage integrity. Do not hold current to the motor for longer than 30 seconds because damage to the motor could result.

  3. This test will command 100 percent (full) governing in order to determine if the ECM or the engine speed governor system is at fault.

DTC 31 Governor (Engine Speed)

Step

Action

Value(s)

Yes

No

1

Did you perform the On-Board Diagnostic (OBD) System Check?

--

Go to Step 2

Go to Powertrain On Board Diagnostic (OBD) System Check

2

  1. Turn the ignition ON leaving the engine OFF.
  2. Disconnect the Engine Speed Governor control module.
  3. Probe the ignition feed circuit with a J 35616-200 unpowered test lamp connected to a ground.

Is the test lamp ON?

--

Go to Step 4

Go to Step 3

3

Repair the open in the ignition feed circuit. Refer to Wiring Repairs in Wiring Systems.

Is the action complete?

--

Go to Step 15

--

4

Connect a J 35616-200 unpowered test lamp between the ignition feed circuit and the ground circuit of the harness connector.

Is the test lamp ON?

--

Go to Step 6

Go to Step 5

5

Repair the open ground circuit. Refer to Wiring Repairs in Wiring Systems.

Is the action complete?

--

Go to Step 15

--

6

  1. Jumper between the motor ground circuit and the module ground circuit using J 35616-A connector test adapter.
  2. Start the engine.
  3. Connect between the ignition feed circuit and the motor drive circuit for a maximum of the specified value using a fused jumper.

Will the engine accelerate?

30 seconds

Go to Step 7

Go to Step 10

7

  1. Check for an open in the motor drive circuit.
  2. If you find a problem, repair as necessary. Refer to Wiring Repairs in Wiring Systems.

Did you find a problem?

--

Go to Step 15

Go to Step 8

8

  1. Check for an open in the motor ground circuit.
  2. If you find a problem, repair as necessary. Refer to Wiring Repairs in Wiring Systems.

Did you find a problem?

--

Go to Step 15

Go to Step 9

9

  1. Inspect the governor throttle drive assembly.
  2. If you find a problem, repair as necessary.

Did you find a problem?

--

Go to Step 15

Go to Step 13

10

  1. Turn the ignition OFF.
  2. Reconnect the engine speed governor control module.
  3. Backprobe the ECM connector for the governor control circuit with a J 35616-200 unpowered test lamp connected to a ground.
  4. Start the engine.

Will the engine accelerate?

--

Go to Step 11

Go to Step 14

11

  1. Check for an open in the governor control circuit.
  2. If you find a problem, repair as necessary. Refer to Wiring Repairs in Wiring Systems.

Did you find a problem?

--

Go to Step 15

Go to Step 12

12

Replace the engine speed governor control module. Refer to Engine Speed Governor Module Replacement .

Is the action complete?

--

Go to Step 15

--

13

Replace the governor motor. Refer to Governor Drive Motor Replacement .

Is the action complete?

--

Go to Step 15

--

14

Replace the ECM. Refer to Engine Control Module Replacement .

Is the action complete?

--

Go to Step 15

--

15

  1. Clear the DTCs. Refer to Clearing DTCs.
  2. Start the engine and idle at the normal operating temperature.
  3. Operate the vehicle within the conditions for setting this DTC as specified in the supporting text.

Did the DTC reset?

--

Go to Step 2

Go to Step 16

16

Does the scan tool display any additional, undiagnosed DTCs?

--

Go to the Applicable DTC Table

System OK