GM Service Manual Online
For 1990-2009 cars only
Makes
🢒
Chevrolet
🢒
1999
🢒
Chevrolet C-Series Medium Duty Truck C6/C7/C8
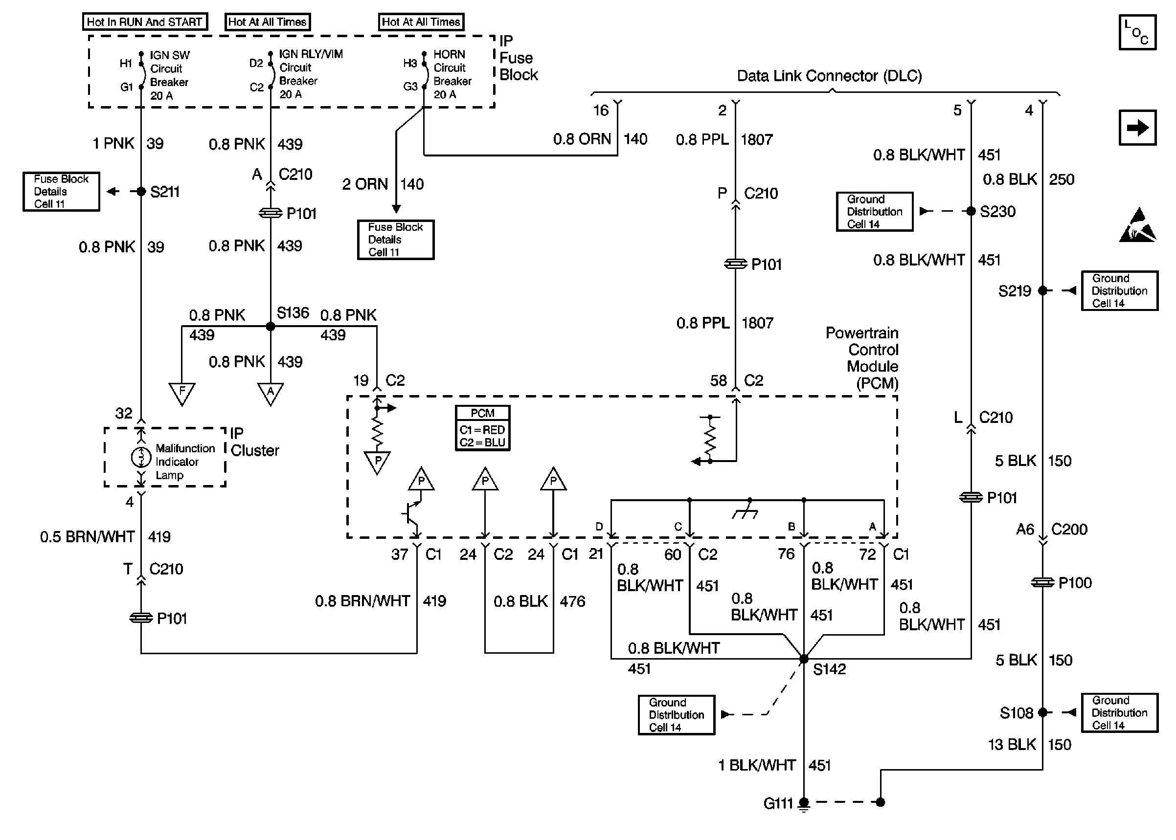
🢒 Cell 20: Power, Grounds, Malfunction Indicator Lamp, Data Link Connector(DLC)
Cell 20: Power, Grounds, Malfunction Indicator Lamp, Data Link Connector(DLC)
Cell 20: Power, Grounds, Malfunction Indicator Lamp, Data Link Connector (DLC)
Engine Controls Components
Cell 20: Engine Control Relay, IP Fuse Block
Handling ESD Sensitive Parts Notice
Cell 20: Throttle Position Sensor, Electronic Throttle Actuator Control MOdule, Cruise Control Switch
Cell 20: Mass Air Flow Sensor, Clutch Pedal Position Switch, Starter RElay