GM Service Manual Online
For 1990-2009 cars only
Makes
🢒
Chevrolet
🢒
1999
🢒
Chevrolet C-Series Medium Duty Truck C6/C7/C8
🢒 Cell 20: HVAC Controls
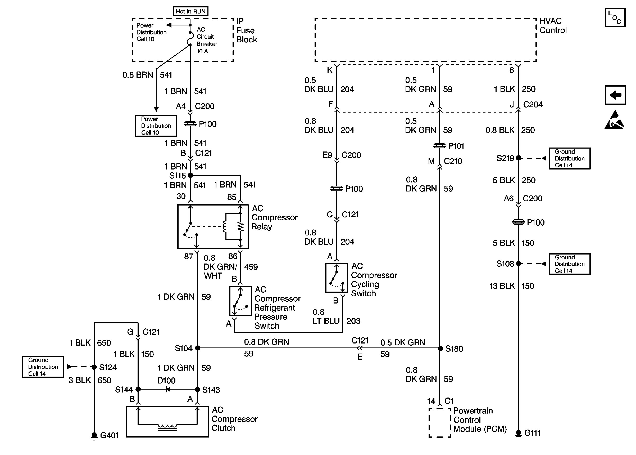
Cell 20: HVAC Controls
Cell 20: HVAC Controls
Engine Controls Components
Cell 20: IP Cluster, Driver Information Center
Handling ESD Sensitive Parts Notice