GM Service Manual Online
For 1990-2009 cars only
Makes
🢒
Chevrolet
🢒
2000
🢒
Chevrolet C-Series Medium Duty Truck C6/C7/C8
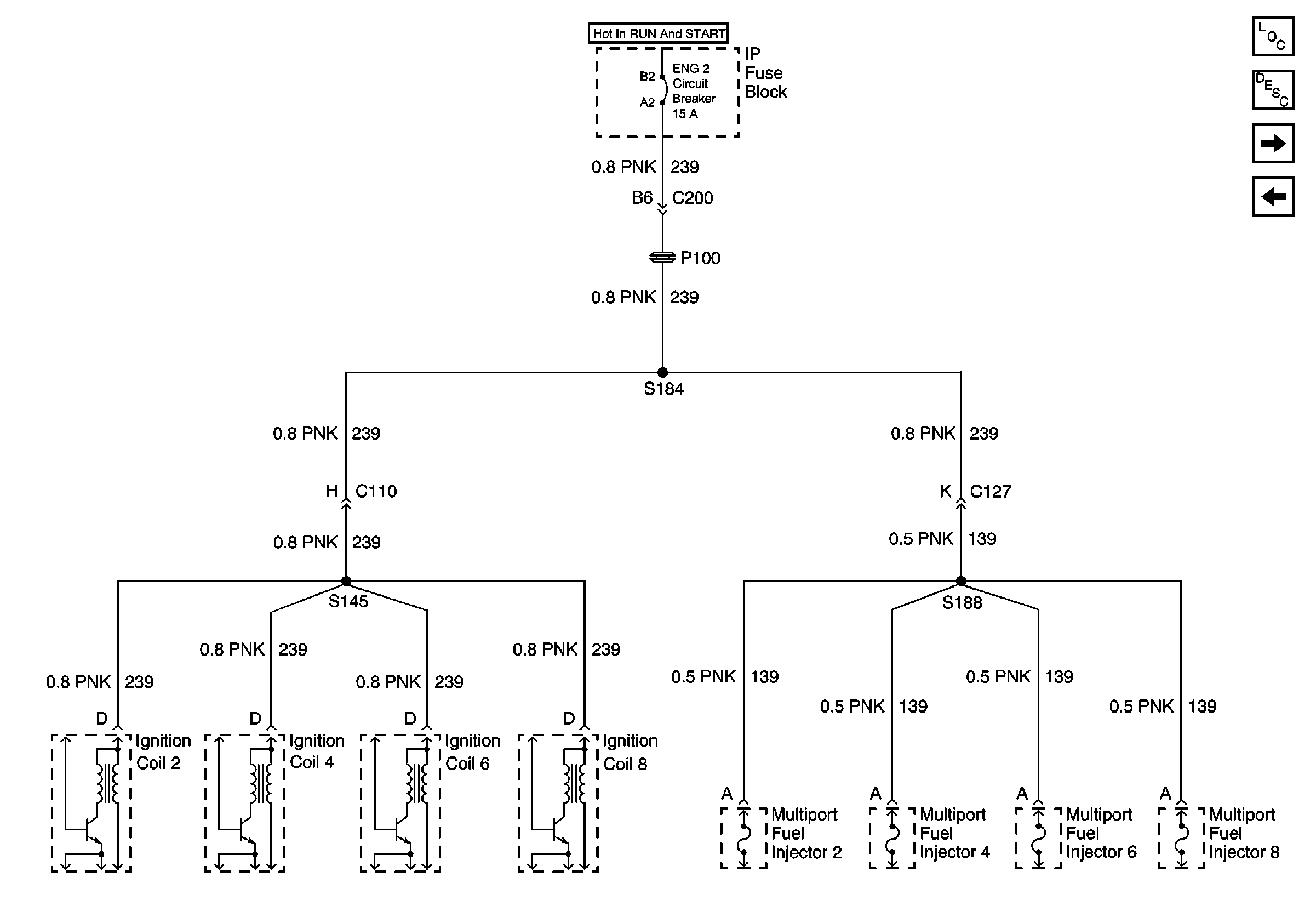
🢒 ENG 2 Circuit Breaker
ENG 2 Circuit Breaker
ENG 2 Circuit Breaker
Power and Grounding Components Power Distribution
Power and Grounding Circuit Description
ENG 3 Circuit Breaker
ENG 1 Circuit Breaker