GM Service Manual Online
For 1990-2009 cars only
Makes
🢒
Chevrolet
🢒
2000
🢒
Chevrolet C-Series Medium Duty Truck C6/C7/C8
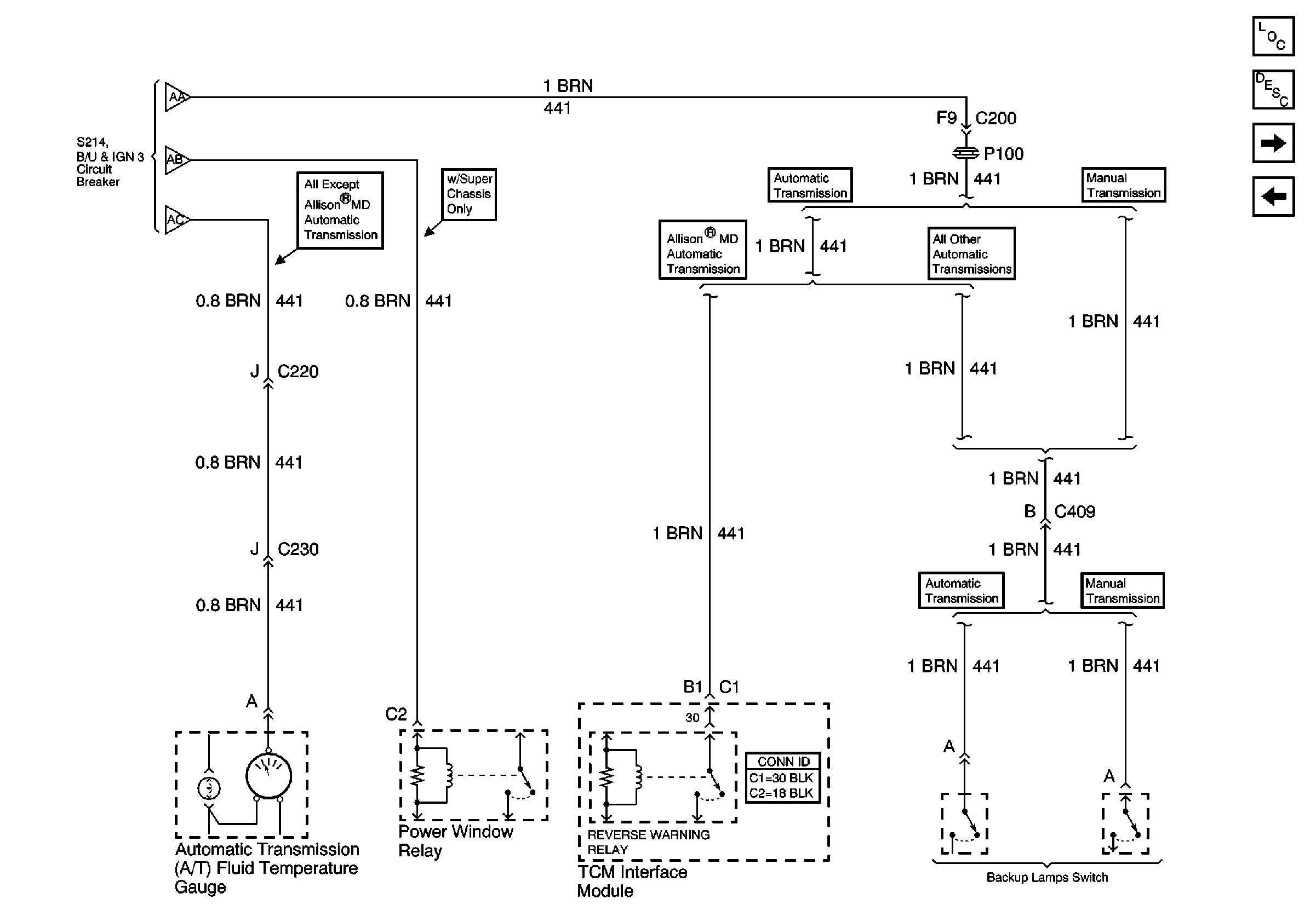
🢒 B/U and IGN 3 Circuit Breaker (2 of 2)
B/U and IGN 3 Circuit Breaker (2 of 2)
B/U and IGN 3 Circuit Breaker (2 of 2)
Power and Grounding Components Power Distribution
Power and Grounding Circuit Description
CRANK, A/C Circuit Breakers
B/U and IGN 3 Circuit Breaker (1 of 2)
B/U and IGN 3 Circuit Breaker (1 of 2)
B/U and IGN 3 Circuit Breaker (1 of 2)
B/U and IGN 3 Circuit Breaker (1 of 2)
Engine Controls Connector End Views