GM Service Manual Online
For 1990-2009 cars only
Makes
🢒
Chevrolet
🢒
2000
🢒
Chevrolet C-Series Medium Duty Truck C6/C7/C8
🢒 Outside Mirror Schematics
Outside Mirror Schematics
Power Door Systems Components
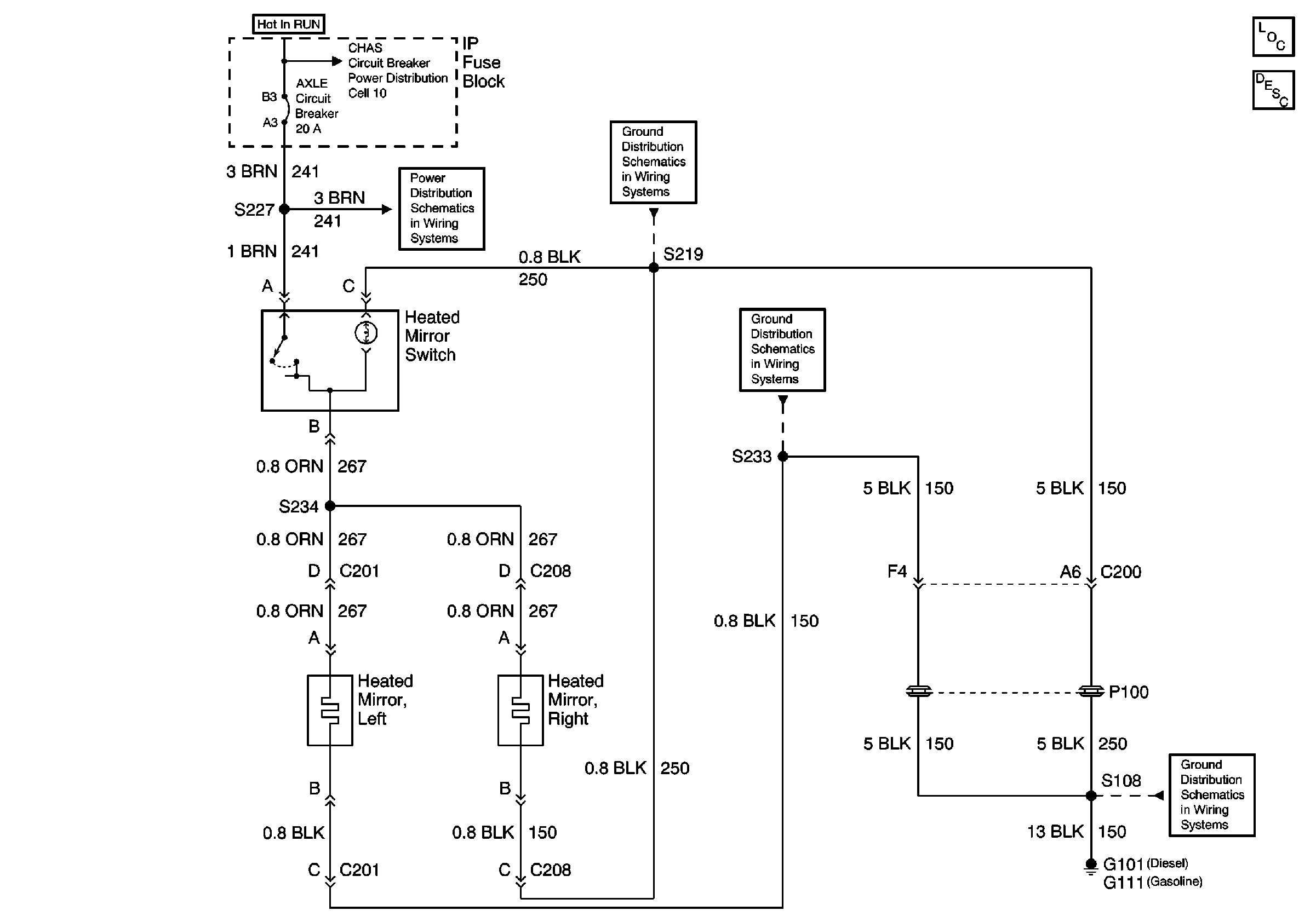
Heated Mirror Circuit Description
CHAS, AXLE Circuit Breakers
S216, S219
G208, S233, S501
G111 (Gasoline), G101 (Diesel)