GM Service Manual Online
For 1990-2009 cars only

Customer Satisfaction - Inlet Elbow Separation

Subject:01053 -- Inlet Elbow Separation

Models:2001 Chevrolet and GMC C-Series Medium Duty Vehicles
Equipped with an IMPCO Liquefied Petroleum Gas (LPG) Conversion Kit



Condition

General Motors has decided that certain 2001 Chevrolet and GMC C-Series medium duty vehicles equipped with an IMPCO liquefied petroleum gas (LPG) conversion kit may have a condition in which the engine may backfire causing the inlet elbow to separate from its throttle body. If this were to occur, the inlet elbow would be retained but the vehicle would stop running due to inadequate fuel supply.

Correction

Dealers are to install an aluminum inlet elbow kit.

Vehicles Involved

Involved are certain 2001 Chevrolet and GMC C-Series medium duty vehicles equipped with an IMPCO LPG conversion kit. Dealers should confirm vehicle eligibility through GMVIS (GM Vehicle Inquiry System) prior to beginning campaign repairs. (Not all vehicles within the above breakpoints may be involved.)

Involved vehicles have been identified by Vehicle Identification Number. Computer listings containing the complete Vehicle Identification Number, customer name and address data have been prepared, and are being furnished to involved dealers with the campaign bulletin. The customer name and address data furnished will enable dealers to follow up with customers involved in this campaign. Any dealer not receiving a computer listing with the campaign bulletin has no involved vehicles currently assigned.

These dealer listings may contain customer names and addresses obtained from Motor Vehicle Registration Records. The use of such motor vehicle registration data for any other purpose is a violation of law in several states/provinces/countries. Accordingly, you are urged to limit the use of this listing to the follow-up necessary to complete this campaign.

Parts Information

Parts required to complete this campaign are to be obtained from Quantum Technologies by calling 1-888-904-6726. DO NOT ORDER THIS PART FROM GMSPO.

Part Number

Description

Qty/ Vehicle

103458

Elbow Kit, Throttle Body Inlet

1

Service Procedure

Inlet Elbow Replacement

 

Removal Procedure


    Object Number: 795401  Size: SH
  1. Relieve the LPG fuel system pressure.
  2. 1.1. Close the manual shut-off valve on the LPG fuel tank.
    1.2. Start and operate the vehicle with the hood closed until the engine stalls.
  3. Remove the fresh air duct.
  4. Loosen the two air duct clamps (1) at the fuel mixer cover (2) and disconnect the duct from the cover.
  5. Disconnect the balance hose (3) from the fuel mixer cover.
  6. Loosen the fuel mixer cover clamp (4) and remove the clamp, the cover, and the gasket (5). Discard the gasket.

  7. Object Number: 795402  Size: SH
  8. Disconnect the electrical connector and the vacuum line (1) from the fuel control solenoid (FCS) (2).
  9. Disconnect the electrical connector and the fuel line (3) from the idle control solenoid (ICS) (4).
  10. Disconnect the oil breather hose (5) from the throttle body inlet elbow.
  11. Disconnect the two electronic throttle control (ETC) solenoid vacuum hoses (6) from the inlet elbow.

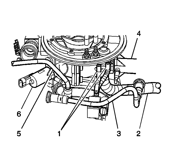
  12. Object Number: 795403  Size: SH
  13. Loosen the fuel vapor hose clamp (1) at the fuel inlet fitting.
  14. Loosen the hose clamp (2) at the throttle body.
  15. Remove the one front bracket to inlet elbow mounting bolt (3).
  16. Remove the two rear bracket to inlet elbow mounting bolts.
  17. Remove the fuel mixer and inlet elbow assembly (4) from the throttle body.

Disassembly Procedure


    Object Number: 795404  Size: SH
  1. Remove the rubber boot (1) and the hose clamp (2) from the inlet elbow.
  2. Remove the two FCS mounting bolts and the FCS (3) from the inlet elbow.
  3. Remove the two ICS mounting bolts and the ICS (4) from the inlet elbow.

  4. Object Number: 795405  Size: SH
  5. Disconnect the two fuel mixer vacuum hoses (1) from the inlet elbow.
  6. Remove the six fuel mixer mounting bolts and the fuel mixer (2) from the inlet elbow.

Assembly Procedure


    Object Number: 802642  Size: MH
  1. Verify that the new fuel mixer O-ring is installed in the groove (1) on the inlet elbow.
  2. Install the fuel mixer (2) and the six mounting screws to the inlet elbow.
  3. Tighten
    Tighten the screws to 3.7 N·m (33 lb in).

  4. Connect the two mixer vacuum hoses (3) to the inlet elbow and to the mixer.

  5. Object Number: 802643  Size: MH
  6. Install the ICS (1) and the two mounting bolts to the inlet elbow.
  7. Tighten
    Tighten the bolts to 12 N·m (108 lb in).

  8. Install the FCS (2) and the two mounting bolts to the inlet elbow.
  9. Tighten
    Tighten the bolts to 12 N·m (108 lb in).

Installation Procedure


    Object Number: 802644  Size: LH
  1. Remove the upper throttle body nut (5).
  2. Install the elbow bracket (4) to the throttle body stud.
  3. Install the throttle body nut (5).
  4. Tighten
    Tighten the nut to 10 N·m (89 lb in).

  5. Lubricate the inside of the rubber seal (3) with petroleum jelly or the equivalent.
  6. Install the fuel mixer and the inlet elbow assembly (1) to the throttle body.
  7. Install the two elbow bracket to inlet elbow bolts (2).
  8. Tighten
    Tighten the bolts to 12 N·m (108 lb in).


    Object Number: 802645  Size: MH
  9. Install the one front bracket to inlet elbow mounting bolt (1).
  10. Tighten
    Tighten the bolt to 12 N·m (108 lb in).

  11. Install the two rear bracket to inlet elbow mounting bolts.
  12. Tighten
    Tighten the bolts to 12 N·m (108 lb in).

  13. Tighten the hose clamp (3) at the throttle body.
  14. Tighten
    Tighten the clamp to 5 N·m (45 lb in).

  15. Tighten the fuel vapor hose clamp (2) at the fuel inlet fitting.
  16. Tighten
    Tighten the clamp to 2 N·m (18 lb in).


    Object Number: 795409  Size: SH
  17. Connect the two electronic throttle control (ETC) solenoid vacuum hoses (1) to the inlet elbow.
  18. Connect the oil breather hose (2) to the inlet elbow.
  19. Connect the electrical connector and the fuel line (3) to the idle control solenoid (ICS) (4).
  20. Connect the electrical connector and the vacuum line (5) to the fuel control solenoid (FCS) (6).

  21. Object Number: 795410  Size: SH
  22. Verify that the fuel mixer cover gasket (1) is installed on the inlet elbow.
  23. Install the fuel mixer cover (2) and the clamp (3).
  24. Tighten
    Tighten the clamp to 5 N·m (45 lb in).

  25. Connect the balance hose (4) to the fuel mixer cover.
  26. Connect the air duct (5) to the fuel mixer cover.
  27. Tighten
    Tighten the clamps to 5 N·m (45 lb in).

  28. Install the fresh air duct.
  29. Open the manual shut-off valve on the LPG fuel tank.
  30. Start and road test the vehicle.
  31. Install the GM Campaign Identification Label.

Campaign Identification Label

Place a Campaign Identification Label on each vehicle corrected in accordance with the instructions outlined in this Product Campaign Bulletin. Each label provides a space to include the campaign number and the five (5) digit dealer code of the dealer performing the campaign service. This information may be inserted with a typewriter or a ball point pen.

Put the Campaign Identification Label on a clean and dry surface of the radiator core support in an area that will be visible to people servicing the vehicle. When installing the Campaign Identification Label, be sure to pull the tab to allow the adhesion of the clear protective covering. Additional Campaign Identification Labels for US dealers can be obtained from Dealer Support Materials by calling 1-888-549-6152 (Monday-Friday, 8:00 am to 5:00 pm EST). Ask for Item Number S-1015 when ordering.

Claim Information

Submit a Product Campaign Claim with the information indicated below.

Repair Performed

Part Count

Part No.

Parts Allow

CC-FC

Labor Op

Labor Hours*

Install Elbow Kit (Inc. Road Test)

1

-

N/A

MA-96

V0761

1.2

* -- For Campaign Administrative Allowance, add 0.1 hours to the "Labor Hours".

Refer to the General Motors WINS Claim Processing Manual for details on Product Campaign Claim Submission.

Customer Notification

Customers will be notified of this campaign on their vehicles by General Motors (see copy of customer letter included with this bulletin).

Dealer Campaign Responsibility

All unsold new vehicles in dealers' possession and subject to this campaign MUST be held and inspected/repaired per the service procedure of this campaign bulletin BEFORE customers take possession of these vehicles.

Dealers are to service all vehicles subject to this campaign at no charge to customers, regardless of mileage, age of vehicle, or ownership, from this time forward.

Customers who have recently purchased vehicles sold from your vehicle inventory, and for which there is no customer information indicated on the dealer listing, are to be contacted by the dealer. Arrangements are to be made to make the required correction according to the instructions contained in this bulletin. This could be done by mailing to such customers a copy of the customer letter accompanying this bulletin. Campaign follow-up cards should not be used for this purpose, since the customer may not as yet have received the notification letter.

In summary, whenever a vehicle subject to this campaign enters your vehicle inventory, or is in your dealership for service in the future, you must take the steps necessary to be sure the campaign correction has been made before selling or releasing the vehicle.

August, 2001

Dear General Motors Customer:

We want your experience owning your C-Series to be better than any other you've had ... which is why we're writing.

Your C-Series truck has a fiberglass wrapped inlet elbow that could separate from its throttle body if the engine were to backfire. If this were to occur, the inlet elbow would be retained but the vehicle would stop running due to inadequate fuel supply.

What Will Be Done

Your GM dealer will install a new aluminum inlet elbow on your vehicle. This service will be performed for you at no charge .

What You Should Do

We recommend that you contact your GM dealer to arrange a service date.

Customer Reply Card

Presenting the attached card to your dealer will assist in making the necessary correction in the shortest possible time.

If you no longer own this vehicle, please check the appropriate box and provide new owner information, if available.

If you have any questions or need any assistance, just contact your dealer or the GMICT Customer Assistance Center at 1-800-862-4389.

We sincerely regret any inconvenience this causes you. Also, we want you to know that we will continue to do everything we can to ensure that you are completely satisfied with your C-Series vehicle and with Chevrolet/GMC.

General Motors Corporation

Enclosure