GM Service Manual Online
For 1990-2009 cars only
Makes
🢒
Chevrolet
🢒
1998
🢒
Chevrolet T-Series Medium Duty Truck F6/F7/F8
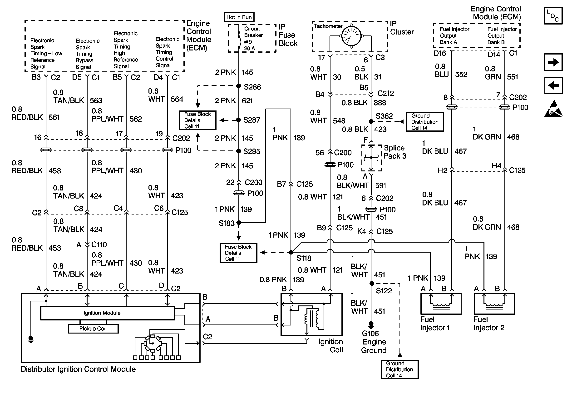
🢒 Cell 20: 6.0L Gasoline (VIN P) Ignition
Cell 20: 6.0L Gasoline (VIN P) Ignition
Cell 20: 6.0L Gasoline (VIN P) Ignition
Engine Controls Components
Cell 20: 6.0L Gasoline (VIN P) Governor Module, Knock Sensor, EGR Valve
Cell 20: 6.0L Gasoline (VIN P) Power and Ground
Handling ESD Sensitive Parts Notice