GM Service Manual Online
For 1990-2009 cars only
Makes
🢒
Chevrolet
🢒
1998
🢒
Chevrolet T-Series Medium Duty Truck F6/F7/F8
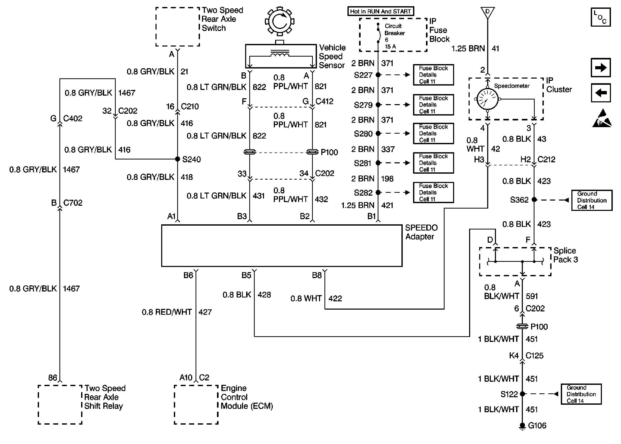
🢒 Cell 20: 6.0L Gasoline (VIN P) Speedo Adapter
Cell 20: 6.0L Gasoline (VIN P) Speedo Adapter
Cell 20: 6.0L Gasoline (VIN P) Speedo Adapter
Engine Controls Components
Cell 20: 6.0L Gasoline (VIN P) IP Cluster
Cell 20: 6.0L Gasoline (VIN P) Sensors 1 of 2
Handling ESD Sensitive Parts Notice