GM Service Manual Online
For 1990-2009 cars only

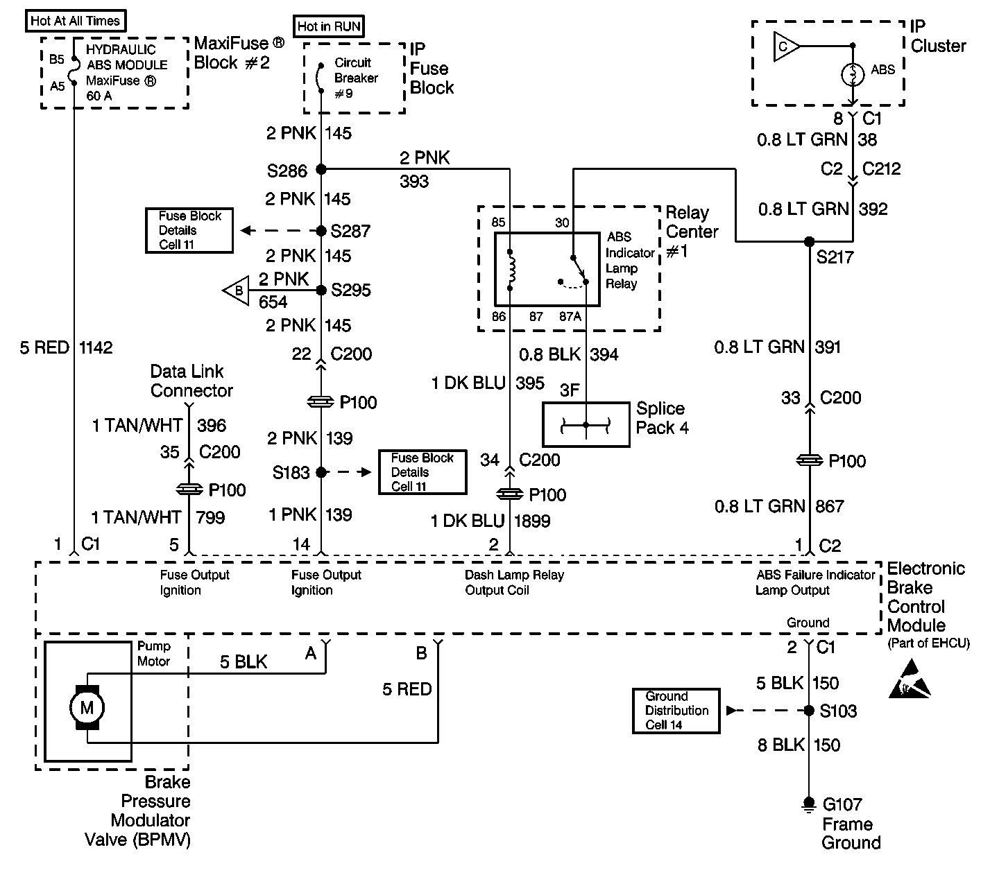
Object Number: 333265  Size: LF
Antilock Brake System Component Views
Antilock Brake System Schematics Hydraulic Brake

Circuit Description

The amber ABS indicator lamp is normally on (voltage supplied through the normally closed contacts of the ABS indicator lamp relay) unless the ABS indicator lamp relay is switched off by the EBCM. This logic ensures that the ABS indicator lamp will always be turned on if there is an open in CKT 1899, an open in CKT 395 or a faulty EBCM.

Conditions for Setting the DTC

    • High voltage is present on the ABS indicator lamp control circuit when low voltage is expected (lamp is turned on)
    • Anything that keeps the ABS indicator lamp circuit high when the lamp is expected to be on

Action Taken When the DTC Sets

The ABS is not disabled.

Conditions for Clearing the DTC

    • Repair the conditions responsible for setting the DTC
    • Use the Scan Tool Clear DTCs function

Diagnostic Aids

DTC C0286 typically sets because of a shorted ABS indicator lamp relay coil. Yet DTC C0286 can also set because of a short to voltage in the wiring between the ABS indicator lamp relay and the EBCM.

Test Description

The numbers below refer to the steps in the diagnostic table:

  1. This step checks for normal operation of the ABS indicator lamp.

  2. This step turns off the ABS indicator lamp with a J 36169-A .

Step

Action

Value(s)

Yes

No

1

Was the Diagnostic System Check performed?

--

Go to Step 2

Go to Diagnostic System Check

2

  1. Turn the ignition to RUN.
  2. Observe the amber ABS indicator lamp operation.
  3. Did the ABS indicator lamp turn on and then turn off after 2 seconds?

--

Go to Diagnostic Aids.

Go to Step 3

3

  1. Turn the ignition to OFF.
  2. Disconnect the 24-way EBCM harness connector from the EBCM.
  3. Using a J 36169-A with a 10 amp fuse, connect terminal 2 of the 24-way EBCM harness connector to ground.
  4. Turn ignition to RUN.

Does the ABS indicator lamp turn off?

--

Go to Step 5

Go to Step 4

4

Inspect the jumper wire fuse.

Is the fuse open?

--

Go to Step 7

Go to Step 5

5

  1. Inspect the 24-way EBCM harness connector for poor terminal contact or corrosion. Inspect CKT 1899 or CKT 395 for damage which may result in a shorted circuit. Repair damage if evident. Replace the terminal if poor contact or corrosion exists.
  2. Reconnect all connectors.
  3. Using the Scan Tool , clear all DTCs.
  4. Test drive the vehicle above 16 km/h (10 mph).

Does DTC C0286 set as a current DTC?

--

Go to Step 6

Go to Diagnostic Aids

6

Replace the EBCM. Refer to Electronic Brake Control Module Replacement .

Is repair complete?

--

Go to Diagnostic System Check

--

7

Repair a short to voltage in CKT 1899. Refer to Wiring Repairs .

Is the repair complete?

--

Go to Diagnostic System Check

--