GM Service Manual Online
For 1990-2009 cars only

Battery Positive Cable Replacement 8.1L Engine

Removal Procedure

Caution: Unless directed otherwise, the ignition and start switch must be in the OFF or LOCK position, and all electrical loads must be OFF before servicing any electrical component. Disconnect the negative battery cable to prevent an electrical spark should a tool or equipment come in contact with an exposed electrical terminal. Failure to follow these precautions may result in personal injury and/or damage to the vehicle or its components.


    Object Number: 746497  Size: SH
  1. Disconnect the negative battery cable (1). Refer to Battery Negative Cable Disconnection and Connection .
  2. Disconnect the positive battery cable (2).
  3. Raise and suitably support the vehicle with safety stands. Refer to Lifting and Jacking the Vehicle in General Information.

  4. Object Number: 746510  Size: SH
  5. Remove the ground wire bolt at the engine block.
  6. Lower the vehicle.

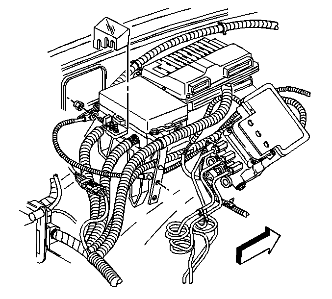
  7. Object Number: 747239  Size: SH
  8. Remove the secondary ground bolt.
  9. Reposition the negative battery cable lead.

  10. Object Number: 747241  Size: SH
  11. Remove the bolts from the positive battery cable clips.

  12. Object Number: 747121  Size: SH
  13. Reposition the positive battery cable boot at the generator.
  14. Remove the generator nut.
  15. Remove the positive cable from the generator.
  16. Raise the vehicle.

  17. Object Number: 747159  Size: SH
  18. Remove the positive cable nut from the starter.
  19. Remove the positive cable from the starter.
  20. Lower the vehicle.
  21. Remove the cable from the vehicle.

Installation Procedure


    Object Number: 747159  Size: SH
  1. Install the cable to the vehicle.
  2. Raise the vehicle.
  3. Install the positive cable to the starter.
  4. Notice: Use the correct fastener in the correct location. Replacement fasteners must be the correct part number for that application. Fasteners requiring replacement or fasteners requiring the use of thread locking compound or sealant are identified in the service procedure. Do not use paints, lubricants, or corrosion inhibitors on fasteners or fastener joint surfaces unless specified. These coatings affect fastener torque and joint clamping force and may damage the fastener. Use the correct tightening sequence and specifications when installing fasteners in order to avoid damage to parts and systems.

  5. Install the positive cable nut to the starter.
  6. Tighten
    Tighten the positive cable nut to starter to 10 N·m (89 lb in).


    Object Number: 747121  Size: SH
  7. Lower the vehicle.
  8. Install the positive cable to the generator.
  9. Install the generator nut.
  10. Tighten
    Tighten the generator nut to 8 N·m (71 lb in).

  11. Position the positive battery cable boot at the generator.

  12. Object Number: 747241  Size: SH
  13. Install the bolts at the positive battery cable clips.
  14. Tighten
    Tighten the positive battery cable clip bolts to 8 N·m (71 lb in).


    Object Number: 747239  Size: SH
  15. Position the negative battery cable lead.
  16. Install the secondary ground bolt.
  17. Tighten
    Tighten the secondary ground bolt to 4.5 N·m (40 lb in).


    Object Number: 746510  Size: SH
  18. Raise the vehicle.
  19. Install the ground wire bolt at the engine block.
  20. Tighten
    Tighten the ground wire bolt to 27 N·m (20 lb ft).


    Object Number: 746497  Size: SH
  21. Lower the vehicle.
  22. Connect the positive battery cable (2).
  23. Tighten
    Tighten the positive battery cable to 17 N·m (13 lb ft).

  24. Connect the negative battery cable (1). Refer to Battery Negative Cable Disconnection and Connection .

Battery Positive Cable Replacement 6.5L Engine

Removal Procedure

Caution: Unless directed otherwise, the ignition and start switch must be in the OFF or LOCK position, and all electrical loads must be OFF before servicing any electrical component. Disconnect the negative battery cable to prevent an electrical spark should a tool or equipment come in contact with an exposed electrical terminal. Failure to follow these precautions may result in personal injury and/or damage to the vehicle or its components.


    Object Number: 747288  Size: SH
  1. Disconnect the negative battery cable. Refer to Battery Negative Cable Disconnection and Connection .
  2. Disconnect the positive battery cable.
  3. Remove the positive battery cable clip bolts.
  4. Raise and suitably support the vehicle with safety stands. Refer to Lifting and Jacking the Vehicle in General Information.

  5. Object Number: 413052  Size: SH
  6. Remove the positive battery cable nut from the starter.
  7. Remove the positive battery cable from the starter.
  8. Lower the vehicle.

  9. Object Number: 747298  Size: SH
  10. Remove the positive battery cable clips from the fan shroud.
  11. Remove the cable cover from the secondary battery positive cable.
  12. Disconnect the positive battery cable from the secondary battery.

  13. Object Number: 747295  Size: SH
  14. If equipped with a single generator, reposition the positive cable boot.
  15. Remove the generator nut.
  16. Remove the positive battery cable from the generator.

  17. Object Number: 747256  Size: SH
  18. If equipped with a single generator, remove the fuse/relay center nut.
  19. Remove the positive cable from the fuse/relay center stud.
  20. Remove the positive cable clip from the fuse/relay center bracket.
  21. Remove the positive battery cable.

  22. Object Number: 747305  Size: SH
  23. If equipped with dual generators, remove the junction block cover.
  24. Remove the junction block nut and washer.
  25. Remove the junction block wire from the stud.
  26. Remove the positive cables from the junction block stud.
  27. Remove the positive cable clip from the fuse/relay center bracket.

  28. Object Number: 747312  Size: SH
  29. If equipped with dual generators, reposition the positive cable boots.
  30. Remove the generator nuts.
  31. Remove the positive battery cables from the generators.
  32. Remove the positive battery cable.

Installation Procedure


    Object Number: 747312  Size: SH
  1. If equipped with dual generators, install the positive battery cable.
  2. Install the positive battery cables to the generators.
  3. Notice: Use the correct fastener in the correct location. Replacement fasteners must be the correct part number for that application. Fasteners requiring replacement or fasteners requiring the use of thread locking compound or sealant are identified in the service procedure. Do not use paints, lubricants, or corrosion inhibitors on fasteners or fastener joint surfaces unless specified. These coatings affect fastener torque and joint clamping force and may damage the fastener. Use the correct tightening sequence and specifications when installing fasteners in order to avoid damage to parts and systems.

  4. Install the generator nuts.
  5. Tighten
    Tighten the generator nuts to 17 N·m (13 lb ft).

  6. Position the positive cable boots.

  7. Object Number: 747305  Size: SH
  8. If equipped with dual generators, install the positive cables to the junction block stud.
  9. Install the junction block wire to the stud.
  10. Install the junction block washer and nut.
  11. Tighten
    Tighten the junction block nut to 4 N·m (35 lb in).

  12. Install the junction block cover.
  13. Install the positive cable clip to the fuse/relay center bracket.

  14. Object Number: 747256  Size: SH
  15. If equipped with a single generator, install the positive battery cable.
  16. Install the positive cable to the fuse/relay center stud.
  17. Install the fuse/relay center nut.
  18. Tighten
    Tighten the fuse/relay center nut to 9 N·m (80 lb in).

  19. Install the positive cable clip to the fuse/relay center bracket.

  20. Object Number: 747295  Size: SH
  21. If equipped with a single generator, install the positive battery cable to the generator.
  22. Install the generator nut.
  23. Tighten
    Tighten the generator nut to 17 N·m (13 lb ft).

  24. Position the positive cable boot.

  25. Object Number: 747298  Size: SH
  26. Connect the positive battery cable to the secondary battery.
  27. Tighten
    Tighten the positive battery cable to 17 N·m (13 lb ft).

  28. Install the cable cover to the secondary battery positive cable.
  29. Install the positive battery cable clips from the fan shroud.

  30. Object Number: 413052  Size: SH
  31. Raise the vehicle.
  32. Install the positive battery cable to the starter.
  33. Install the positive battery cable nut to the starter.
  34. Tighten
    Tighten the positive cable nut to starter to 14 N·m (10 lb ft).


    Object Number: 747288  Size: SH
  35. Lower the vehicle.
  36. Install the positive battery cable clip bolts.
  37. Tighten
    Tighten the positive battery cable clip bolts to 8 N·m (71 lb in).

  38. Connect the positive battery cable.
  39. Tighten
    Tighten the positive battery cable to 17 N·m (13 lb ft).

  40. Connect the negative battery cable. Refer to Battery Negative Cable Disconnection and Connection .