GM Service Manual Online
For 1990-2009 cars only

Tools Required

J 36857 Engine Lift Brackets

Removal Procedure


    Object Number: 358421  Size: SH
  1. Remove the hood. Refer to Hood Bumper Replacement in Body Front End.
  2. Disconnect both the battery negative cables from the batteries. Refer to Battery Negative Cable Disconnection and Connection in Engine Electrical.
  3. Drain the cooling system. Refer to Cooling System Draining and Filling in Engine Cooling.
  4. Drain the engine oil.
  5. Remove the upper intake manifold cover.

  6. Object Number: 317717  Size: SH
  7. Remove the air conditioning compressor from the engine lift bracket vehicle and secure out of the way. The hoses can remain on the compressor.

  8. Object Number: 388424  Size: SH
  9. Remove the generator from the generator bracket and secure to the side.

  10. Object Number: 388602  Size: SH
  11. If equipped, remove the auxiliary generator from the engine lift bracket.
  12. Remove the radiator assembly from the vehicle. Refer to Radiator Replacement in Engine Cooling.
  13. Remove the power steering pump from the engine lift bracket. Refer to Power Steering Pump Replacement in Power Steering.
  14. The power steering pump hoses may remain attach to the pump.


    Object Number: 527102  Size: SH
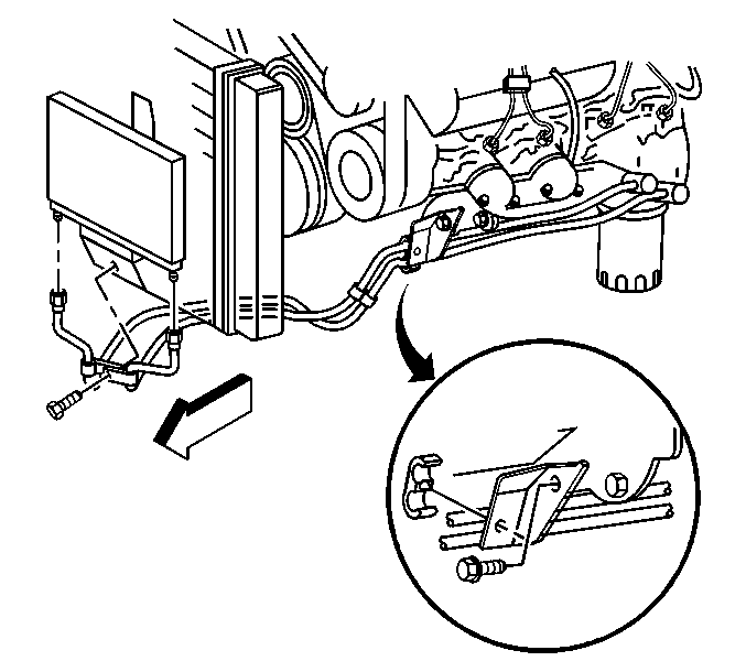
  15. Disconnect the fuel lines from the fuel manager/filter.

  16. Object Number: 399420  Size: SH
  17. Disconnect the engine wiring harness assembly at the left rear of the engine block.

  18. Object Number: 345208  Size: SH
  19. Remove the ground straps from the right rear cylinder head.

  20. Object Number: 309354  Size: SH
  21. Remove the heater hoses from the heater core (non-auxiliary shown).
  22. Remove the heater hose bracket from the engine.

  23. Object Number: 72730  Size: SH
  24. Remove the radiator inlet and outlet hoses from the engine.

  25. Object Number: 222260  Size: SH

    Notice: Damage may result from the use of an improper bolt when attaching J36857 into the cylinder head.

    Notice: Use the correct fastener in the correct location. Replacement fasteners must be the correct part number for that application. Fasteners requiring replacement or fasteners requiring the use of thread locking compound or sealant are identified in the service procedure. Do not use paints, lubricants, or corrosion inhibitors on fasteners or fastener joint surfaces unless specified. These coatings affect fastener torque and joint clamping force and may damage the fastener. Use the correct tightening sequence and specifications when installing fasteners in order to avoid damage to parts and systems.

  26. Install the J 36857 along with GM P/N 94282217 bolt and GM P/N 15650963 washer to the right rear cylinder head.
  27. Tighten
    Tighten the lift bracket bolt to 40 N·m (30 lb ft).

  28. Raise the vehicle and support the vehicle with safety stands. Refer to Lifting and Jacking the Vehicle in General Information.

  29. Object Number: 396791  Size: SH
  30. Remove the torque converter cover.

  31. Object Number: 394458  Size: SH
  32. Remove the starter from the engine block. Refer to Starter Motor Replacement in Engine Electrical.
  33. Remove the bolts from the torque converter.

  34. Object Number: 164372  Size: SH
  35. Remove the exhaust pipe from the turbocharger.

  36. Object Number: 317722  Size: SH
  37. Disconnect the electrical connector for the block heater.

  38. Object Number: 560503  Size: SH
  39. Remove the battery negative cable and ground strap.

  40. Object Number: 566012  Size: SH
  41. Disconnect the oil cooler lines from the engine block. Refer to Engine Oil Cooler Hose/Pipe Replacement in Engine Cooling.
  42. Remove the engine oil cooler lines retaining brackets.
  43. Secure the oil cooler lines out of the way.
  44. Remove the transmission oil cooler lines from the radiator and the auxiliary transmission cooler (if equipped). Refer to Transmission Fluid Cooler Hose/Pipe Replacement in Automatic Transmission - 4L80-E.
  45. Secure the transmission cooler lines out of the way.

  46. Object Number: 394448  Size: SH
  47. Remove the transmission to engine bolts. Mark the location of any brackets (automatic transmission shown).
  48. Lower the vehicle.
  49. Attach a suitable lifting device from the J 36857 to the engine lift bracket.

  50. Object Number: 551000  Size: SH
  51. Remove the inner splash shield from the wheel house and the frame (right side shown).
  52. Raise the engine enough to remove the engine mount through bolt.

  53. Object Number: 561724  Size: SH

    Important: It maybe necessary to remove the engine mount bracket from the engine block in order to gain enough clearance to remove the engine assembly.

  54. Remove the left engine mount through bolt.

  55. Object Number: 561728  Size: SH
  56. Remove the right engine mount through bolt.
  57. Support the transmission assembly with a suitable support.
  58. Remove the engine from the vehicle.

  59. Object Number: 34060  Size: SH

    Important: It maybe necessary to remove the clutch assembly (if equipped) and flywheel from the engine assembly before the engine can be installed on the suitable engine stand.

  60. Remove the clutch assembly from the flywheel (if equipped).
  61. Remove the flywheel from the engine assembly. Refer to Engine Flywheel Replacement .
  62. Install the engine in a suitable engine stand.
  63. Remove the J 36857 from the right rear cylinder head.
  64. Remove the lifting device from the engine.

  65. Object Number: 59794  Size: SH
  66. Remove the engine lift bracket from the engine block.

  67. Object Number: 105622  Size: SH
  68. Remove the generator bracket from the engine block.

Installation Procedure


    Object Number: 59794  Size: SH

    Notice: Damage may result from the use of an improper bolt when attaching J36857 into the cylinder head.

    Notice: Use the correct fastener in the correct location. Replacement fasteners must be the correct part number for that application. Fasteners requiring replacement or fasteners requiring the use of thread locking compound or sealant are identified in the service procedure. Do not use paints, lubricants, or corrosion inhibitors on fasteners or fastener joint surfaces unless specified. These coatings affect fastener torque and joint clamping force and may damage the fastener. Use the correct tightening sequence and specifications when installing fasteners in order to avoid damage to parts and systems.

  1. Install J 36857 along with GM P/N 94282217 bolt and GM P/N 15650963 washer to the right rear cylinder head.
  2. Tighten
    Tighten the lift bracket bolt to 40 N·m (30 lb ft).

  3. Install the engine lift bracket to the engine block.
  4. Tighten
    Tighten the bolts to 50 N·m (37 lb ft).


    Object Number: 105622  Size: SH
  5. Install the generator bracket to the engine block.
  6. Tighten
    Tighten the bolts to 50 N·m (37 lb ft).

  7. Install the lifting device to the engine assembly .
  8. Remove the engine assembly from the engine stand.
  9. Install the flywheel to the crankshaft. Refer to Engine Flywheel Replacement .
  10. Install the clutch assembly (if equipped). Refer to Clutch Assembly Replacement in Clutch.
  11. Install the engine assembly in the vehicle.

  12. Object Number: 560499  Size: SH
  13. Install the left engine mount bracket (if removed).
  14. Tighten
    Tighten the engine mount bracket bolts to 54 N·m (40 lb ft).


    Object Number: 560501  Size: SH
  15. Install the right engine mount bracket (if removed).
  16. Tighten
    Tighten the engine mount bracket bolts to 54 N·m (40 lb ft).


    Object Number: 561724  Size: SH
  17. Install the left engine mount through bolt.
  18. Tighten
    Tighten the engine mount through bolts to 59 N·m (44 lb ft).


    Object Number: 561728  Size: SH
  19. Install the right engine mount through bolt.
  20. Tighten
    Tighten the engine mount through bolts to 59 N·m (44 lb ft).

  21. Remove the lifting device from the engine assembly.

  22. Object Number: 222260  Size: SH
  23. Remove the J 36857 from the rear of the right cylinder head.

  24. Object Number: 394448  Size: SH
  25. Raise the vehicle.
  26. Install the transmission to engine bolts and brackets (automatic transmission shown).
  27. Tighten
    Tighten the transmission to engine bolts to 40 N·m (30 lb ft).


    Object Number: 394458  Size: SH
  28. If automatic transmission, install the torque convertor to flywheel bolts.
  29. Tighten
    Tighten the torque converter bolts to 60 N·m (44 lb ft).


    Object Number: 396791  Size: SH
  30. If automatic transmission, install the torque converter cover.
  31. Tighten
    Tighten the torque converter cover bolts to 33 N·m (24 lb ft).

  32. Install the starter. Refer to Starter Motor Replacement in Engine Electrical.
  33. Install the transmission cooler lines to the radiator and the auxiliary transmission cooler (if equipped). Refer to Transmission Fluid Cooler Hose/Pipe Replacement in Automatic Transmission - 4L80-E.

  34. Object Number: 164372  Size: SH
  35. Install the exhaust manifold pipe to the turbocharger.
  36. Tighten
    Tighten the turbocharger clamp to 12 N·m (106 lb in).


    Object Number: 317722  Size: SH
  37. Reconnect the electrical connector for the block heater.
  38. Install the engine oil cooler lines to the engine assembly. Refer to Engine Oil Cooler Hose/Pipe Replacement in Engine Cooling.

  39. Object Number: 560503  Size: SH
  40. Install the battery negative cable and ground strap to the engine.
  41. Tighten
    Tighten the battery negative cable bolt to 25 N·m (18 lb ft).

  42. Remove the safety stands and lower the vehicle.

  43. Object Number: 345208  Size: SH
  44. Install the ground wires and nuts to the engine.
  45. Tighten
    Tighten the ground wire nuts to 25 N·m (18 lb ft).


    Object Number: 527102  Size: SH
  46. Install the fuels lines to the fuel manager/filter.

  47. Object Number: 309354  Size: SH
  48. Install the heater hoses.
  49. Install the heater hose bracket nuts.
  50. Tighten
    Tighten the heater hose bracket nuts to 30 N·m (22 lb ft).

  51. Install the generator. Refer to Generator Replacement in Engine Electrical.
  52. If equipped, install the auxiliary generator. Refer to Auxiliary Generator Replacement in Engine Electrical.
  53. Install the power steering pump. Refer to Power Steering Pump Replacement in Power Steering.

  54. Object Number: 317717  Size: SH
  55. Install the A/C compressor and bolts to the engine lift bracket.
  56. Tighten
    Tighten the A/C compressor mounting bolts to 50 N·m (37 lb ft).


    Object Number: 72730  Size: SH
  57. Install the radiator in the vehicle. Refer to Radiator Replacement in Engine Cooling.
  58. Install the radiator inlet and outlet hoses to the engine.

  59. Object Number: 551000  Size: SH
  60. Install the inner splash shields on the vehicle.

  61. Object Number: 399420  Size: SH
  62. Reconnect the engine wiring harness gray connector at the left rear of the engine.
  63. Refill the cooling system. Refer to Cooling System Draining and Filling in Engine Cooling.
  64. Install the oil filter. Refer to Engine Oil and Oil Filter Replacement .
  65. Fill the engine crankcase with the proper engine oil. Refer to Engine Oil and Oil Filter Replacement .
  66. Connect the battery cables to the battery terminals. Refer to Battery Negative Cable Disconnection and Connection in Engine Electrical.
  67. Install a scan tool and check fro DTCs.
  68. Check and adjust the timing for the fuel injection pump. Refer to Fuel Injection Pump Timing Adjustment in Engine Controls- 6.5L (L 65).
  69. Perform the TDC offset timing procedure. Refer to Fuel Injection Pump Top Dead Center Offset Adjustment in Engine Controls- 6.5L (L 65).

  70. Object Number: 358421  Size: SH
  71. Install the upper engine cover on the engine assembly.
  72. Install the hood on the vehicle. Refer to Hood Bumper Replacement in Body Front End.