GM Service Manual Online
For 1990-2009 cars only
Makes
🢒
Chevrolet
🢒
2002
🢒
Chevy C Cab/Chassis HD (GMT 400)
🢒
Body and Accessories
🢒
Seats
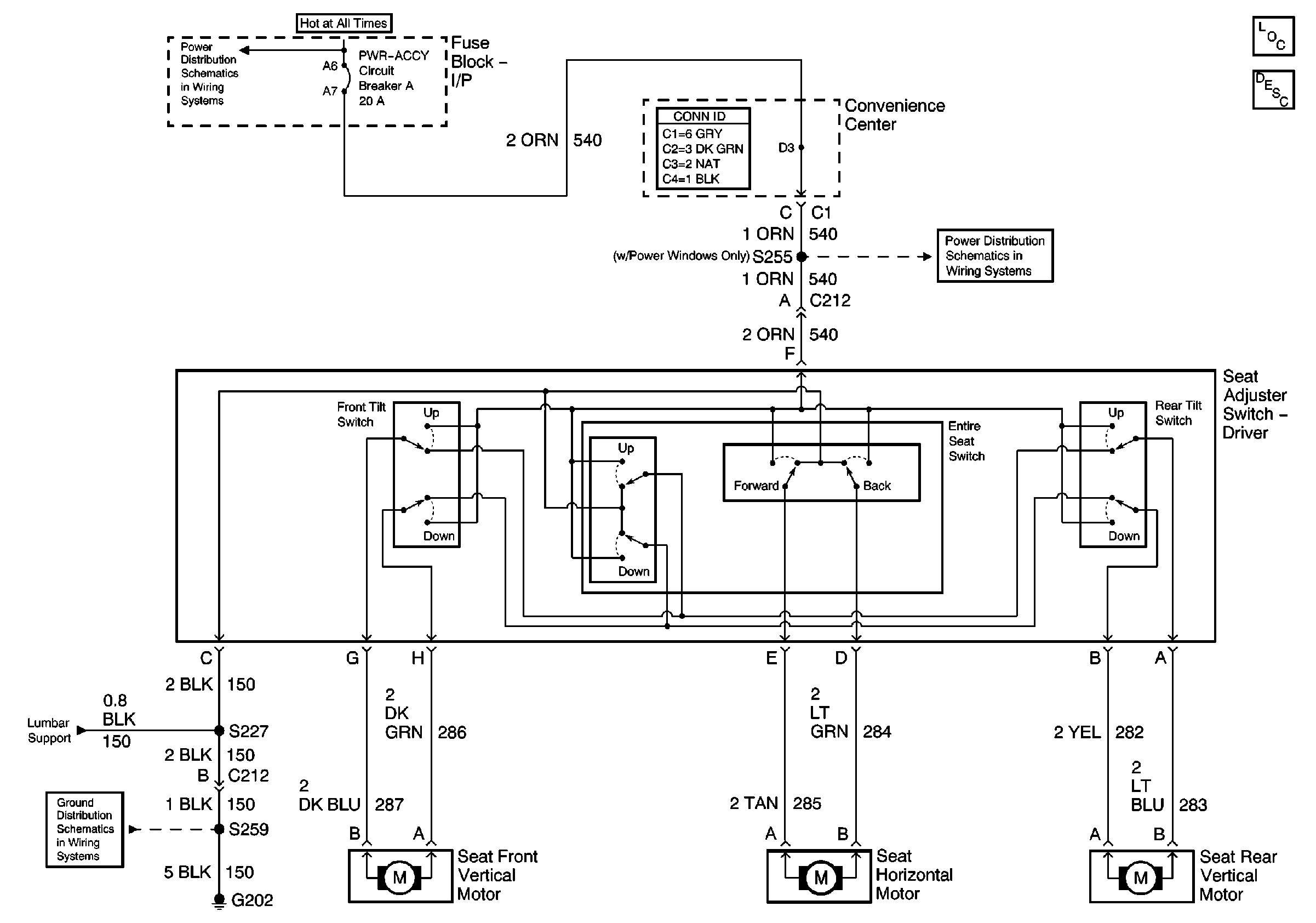
🢒 Power Seats Schematics
Lighting and Battery Fuses
PTO Fuse and Pwr Accy Circuit Breaker
Master Electrical Component List
Power Seats System Description and Operation
G202
Lumbar Control-Bucket Seats with Power